logo elektroda
logo elektroda
X
logo elektroda
REKLAMA
REKLAMA
Adblock/uBlockOrigin/AdGuard mogą powodować znikanie niektórych postów z powodu nowej reguły.

[Rozwiązano] Peugeot 406 2.0 1996 - Szukam schematu elektryki dla świateł cofania

lesz_58 17 Lut 2019 17:43 2265 17
REKLAMA
  • #1 17784895
    lesz_58
    Poziom 11  
    peugeot 406 2.0 16 V 1996r silnik xu10j4r vin modelu to VF38BRFV280000941 nr dam 6799
    brak świateł cofania bezpiecznik nr 12 w kabinie pali się po włączeniu zapłonu

    doszedłem do tego że ten bezpiecznik zasila "

    Rezystor powrotny oleju, lampy cofania, jednostka temperatury płynu chłodzącego silnika"
    czy ktoś ma schemat ?
    proszę o pomoc
  • REKLAMA
  • #2 17784940
    coperfild
    Poziom 35  
    Cytat:
    Rezystor powrotny oleju

    Co to takiego?
  • REKLAMA
  • #3 17784958
    Boryc2014
    Poziom 20  
    Witam. Najpierw sprawdź czy kable ci się gdzieś nie przetarł i on nie robi zwarcia. Sprawdził bym jeszcze czujnik cofania.
  • #4 17785006
    pepe150
    Poziom 36  
    A nie łatwiej popatrzeć instalacji od bezpiecznika?
    Bo jak go pali, to jest zwarcie do masy. Może na czujniku jest zwarcie?
    W końcu jego obudowa jest metalowa i jest wkręcony w skrzynię.

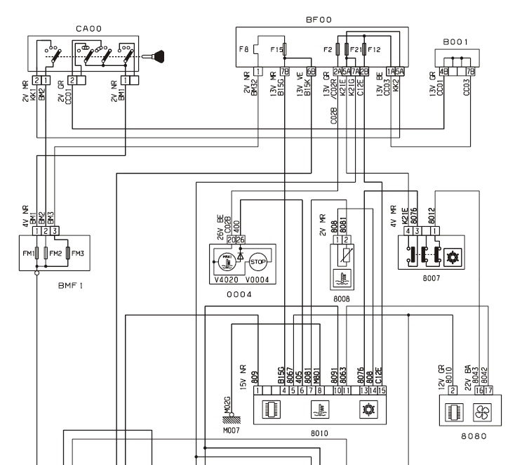
    W załączniku schemat.
    Instalacja prosta jak cep.
    Załączniki:
  • #5 17785617
    lesz_58
    Poziom 11  
    jeżeli to prawidłowy schemat to serdecznie dziękuję
    jutro odepnę przewód od skrzynki bezpieczników i sprawdzę
    jednak opis bezpieczników ściągnąłem z francuskiej strony i jest
    on do mojego modelu i też niepokoją mnie
    tam oryginalnie jest Fuse Application Chart for Peugeot 406 to DAM 7135 i opis bezpiecznika Oil breather re-heat resistor, reversing lamps, A/C engine coolant temperature unit
  • #6 17785663
    pepe150
    Poziom 36  
    lesz_58 napisał:
    jeżeli to prawidłowy schemat to serdecznie dziękuję

    Dobierany po VIN - choć nie wiem czy jest ABS czy nie - bo nie udało mi się ustalić czy masz - dosyć stary już wóz. 25 czerwiec 1995 roku - taśma.

    lesz_58 napisał:

    tam oryginalnie jest Fuse Application Chart for Peugeot 406 to DAM 7135 i opis bezpiecznika Oil breather re-heat resistor, reversing lamps, A/C engine coolant temperature unit

    Podgrzewacz oleju - wersje na rynek skandynawski mają.
    Światła wsteczne - to wiadome.
    Sterownik temperatury silnika dla klimatyzacji - dodatkowy moduł sterowania wentylatorami (wersja z klimą A/C).
  • #7 17786052
    lesz_58
    Poziom 11  
    dzięki kolego
    ma może ktoś schemat do tej wersji?
    byłbym bardzo wdzięczny

    Dodano po 3 [minuty]:

    a propos czujnika
    pali bezpiecznik nawet przy odłączonym czujniku
  • #8 17786502
    pepe150
    Poziom 36  
    lesz_58 napisał:
    dzięki kolego
    ma może ktoś schemat do tej wersji?
    byłbym bardzo wdzięczny


    Do której wersji?
    Schemat do wersji z ABS czy bez nie zmienia się.
    Nie podałeś czy masz grzałkę, czy masz ABS, czy masz klimę.
    Zupełnie nic, a oczekujesz nie wiadomo czego.
    Po nr VIN w aucie sprzed 1997 roku nie da się ustalić jego wyposażenia.
    A Ty te auto masz!


    lesz_58 napisał:

    a propos czujnika
    pali bezpiecznik nawet przy odłączonym czujniku


    Sprawdzaj instalację, samochód prosty jak cep, ale nie chce się palców ubrudzić.
    Patrz instalację od bezpiecznika.
  • #9 17786907
    lesz_58
    Poziom 11  
    mam ABS ale nie mam grzałki

    Dodano po 39 [sekundy]:

    i jest climatronic

    Dodano po 3 [godziny] 7 [minuty]:

    rozebrałem skrzynkę bezpieczników
    zwarcie jest na przewodzie żółtym oznaczonym C12A i >97
    nie chcę pruć całej instalacji może ktoś wie dokąd on prowadzi
    najwyżej wytnę go i zastąpię innym dodanym
  • REKLAMA
  • #10 17787390
    pepe150
    Poziom 36  
    Pod lewą lampą (po stronie kierowcy) poszukaj modułu - on odpowiada za wentylatory klimatyzacji.
  • REKLAMA
  • #11 17787502
    lesz_58
    Poziom 11  
    moduł wentylatorów rozłączyłem nadal pali bezpiecznik
    do włącznika wstecznego dochodzą dwa szare przewody a zwarcie jest na żółtym

    Dodano po 35 [sekundy]:

    moduł wentylatorów rozłączyłem nadal pali bezpiecznik
    do włącznika wstecznego dochodzą dwa szare przewody a zwarcie jest na żółtym
  • #12 17789439
    lesz_58
    Poziom 11  
    Witam,
    odchodzący od bezpieczników w pomarańczowej kostce przewód o oznaczeniach
    C12A i >97 koloru żółtego przeciąłem.
    Zapomniałem powiedzieć, że wentylatory chłodzące silnik chodziły na maksymalnych obrotach po przekręceniu zapłonu,
    teraz wszystko się uspokoiło.
    Światła cofania pojawiły się,
    Wentylatory chodzą prawidłowo.
    ędę obserwował co znikło bo nadal nie mam schematu
    na razie zamykam temat
  • #13 17790967
    pepe150
    Poziom 36  
    lesz_58 napisał:

    będę obserwował co znikło bo nadal nie mam schematu


    Pomagam jak mogę, ale nie ma schematu skrzynki bezpieczników.
    Niestety - czasami trzeba przeglądać kabelek za kabelkiem.

    Innej opcji nie ma. Elektryk to samo będzie robił.

    Ale najlepiej zwalić, że schematów nie ma. Nie ma i nie będzie bo nie występuje schemat skrzynki bezpieczników.
    Problem dotyczy braku świateł cofania, więc schemat jest.
    Bezpiecznik odpowiada za klimatyzację?
    Schemat jest.
  • #14 17791526
    lesz_58
    Poziom 11  
    witam
    dzięki za schemat
    co to jest B010 na schemacie
    ale wydaje mi się że to nie ten schemat za bezpiecznikiem 12 jest zwora dająca
    napięcie na bezpiecznik od wentylatorów i druga na bezpiecznik świateł cofania
    czyli tam gdzie jest podłączony C12A jest zwora na na te bezpieczniki
  • #15 17791607
    pepe150
    Poziom 36  
    B010 - nie ma czegoś takiego na schemacie.
    B001, B003 to są mostki, zwory.

    Od której strony patrzysz?
    Ze stacyjki idzie do zwory, ze zwory rozbija się na bezpiecznik F2 i F12. Zasilanie po kluczyku z głównego bezpiecznika FM1.

    Bo tak jak czytasz, zasilanie musi iść z wentylatorów, ze świateł i innych urządzeń przez stacyjkę do głównego bezpiecznika do akumulatora (na biegun +) - co nie ma najmniejszego sensu!
    Na końcu dawać bezpiecznik...
  • #16 17792112
    lesz_58
    Poziom 11  
    witam
    piszę jak jest w realu
    ze stacyjki wchodzi na bezpiecznik 12 za bezpiecznikiem odchodzi przewód c12a i są zwory na bezpiecznik 3 i bezpiecznik 7. piszę zwory,a są to mostki wewnątrz skrzynki bezpiecznikowej
    a chodzi mi o to co to jest za urządzenie do kyórego dochodzi przewód C12E
    czy to klima?
  • #17 17792394
    pepe150
    Poziom 36  
    Na schemacie od klimy masz ten przewód. I idzie do urządzenia 8010.
    8010: coolant temperature unit

    Peugeot 406 2.0 1996 - Szukam schematu elektryki dla świateł cofania


    Tu masz czytelne.
    Jako, że auto ma klimę ma moduł odpowiadający za sterowanie wentylatorami.
  • #18 17948414
    lesz_58
    Poziom 11  
    witam
    przeciąłem przewód C12A i >97 i sprawdziłem

    wszystko działa
    podejrzewam że w tym modelu służył do podgrzewania odmy
    w wersji skandynawskiej jest zastosowana grzałka by odma nie zamarzała
    w moim aucie nie ma grzałki
    podejrzewam że przewód się przetarł i gdzieś masuje
    temat zamykam
REKLAMA