logo elektroda
logo elektroda
X
logo elektroda
REKLAMA
REKLAMA
Adblock/uBlockOrigin/AdGuard mogą powodować znikanie niektórych postów z powodu nowej reguły.

[Rozwiązano] Jak usunąć element w Alan 42 Multi dla regulacji modulacji RV3?

jovi123 21 Lut 2019 14:39 1929 12
REKLAMA
  • #1 17794279
    jovi123
    Poziom 11  
    Witam serdecznie wszystkich proszę o pomoc który z elementów muszę usunąć w Alanie 42 aby zadziałała regulacja "peerki" RV3 by delikatnie zwiększyć poziom modulacji ,ustawiony obecnie na zbyt niskim poziomie moim zdaniem, nie jestem zwolennikiem darcia japy na cały samochód . Z góry dziękuję koledze który oznaczy mi ten element na schemacie patrząc od strony cewek i innych elementów regulacyjnych .
  • REKLAMA
  • #2 17794317
    maylo
    Poziom 26  
    Ona "działa" bez usuwania czegokolwiek .Wszystkie Alany 42 wymagają "darcia japy" - taka konstrukcja . Na 1W jest głośniejsza ale nie sądzę aby zadowalało Cie takie rozwiązanie :)
  • REKLAMA
  • #3 17794425
    jovi123
    Poziom 11  
    U mnie nic to nie daje , gdzieś na forum czytałem że usuwa się rezystor i jest jak należy, tylko tamten temat bez podawania szczegółów umarł dawno temu.
  • REKLAMA
  • #4 17797770
    józef wiśniewski
    Poziom 15  
    Witam. Należy podnieść jedną stroną diodę D10. Przez tę diodę leci sygnał z trafa modulacyjnego na ogranicznik.
  • #5 17797860
    Hektar Zahler
    Poziom 34  
    Puknij się w łeb z tym ogranicznikiem. Problem jest w czułości mikrofonu oraz tłumieniu wysokich tonów. Taka wada ręczniaka i nie da się tego w żaden sposób naprawić. Za to da radę zrobić małą modyfikację w torze AM i jest OK. Na marginesie dodam, że czasem (rzadko) spotyka się wadę nieliniowości toru w.cz., która dodatkowo pogarsza czytelność emisją AM.

    Ważna wskazówka: kiedy moc nadawania jest na L wówczas jest głośniej, niż na ustawieniu H.
    Moderowany przez c2h5oh:

    Regulamin punkt 3.1.9. Nie ironizuj i nie bądź złośliwy w stosunku do drugiej strony dyskusji. Uszanuj odmienne zdanie oraz inne opinie na forum.
    Pracujesz na kolejne ostrzeżenie.

  • REKLAMA
  • #6 17797990
    józef wiśniewski
    Poziom 15  
    Bez komentarza. Kolega jovi123 sam sprawdzi.
  • #7 17798083
    Konto nie istnieje
    Poziom 1  
  • #8 17799177
    józef wiśniewski
    Poziom 15  
    Mówisz i masz.Niestety trzeba rozdzielić płytki. Jak usunąć element w Alan 42 Multi dla regulacji modulacji RV3?
  • #9 17799462
    jovi123
    Poziom 11  
    Józku bardzo dziękuję o to mi właśnie chodziło jak tylko wyjdę z choroby to biorę się za testy
  • #10 17801594
    Hektar Zahler
    Poziom 34  
    Słuchaj no. Jak Ci zależy na dobrym ręczniaku, to radzę przymierzać się od razu do modyfikacji, bo wyrzucenie ograniczenia przyniesie rozczarowanie i będzie tylko próbą umiejętności. Pamiętaj przy tym, że zabieg taki poniesie za sobą (poza oczywistymi skutkami przesterowania) przede wszystkim skutek wielce ujemny daremnych strat pojemności baterii !! Informacyjnie dodam, że któryś tam potencjometr od regulacji mocy (nie pamiętam który) zrywa ograniczenie będąc źle ustawiony. I nie ma potrzeby rwania elementów sprawdzając tak upośledzenie ALC. Ponadto jak potrzebujesz wyłącznie łączności handy-handy, to dajesz dewiację na maks i cieszysz się lepszym zasięgiem/odsłuchem oraz (co ważne !) lepszym wykorzystaniem pojemności akumulatora, bo modulacja FM w korelacji do AM posiada same plusy zwykłą naturą FM. Wada modulatora A 42 multi jest ewidentna i szkoda Twojego czasu na usprawnienia fabryki, ponieważ teraz widzimy dokładnie (chociażby po dostępnym Tobie wskaźniku mocy PEP) jak dalece przyrząd kontrolno-pomiarowy producenta mógł się pomylić !!!

    p.s.
    Zauważ, że ktoś WYRAŹNIE deklaruje posiadanie potrzebnej Ci wiedzy, na zdobycie której byś stracił niewyobrażalnie mnóstwo czasu i nerwów.
  • #11 17803202
    maylo
    Poziom 26  
    :arrow: Hektar Zahler daruj sobie... cokolwiek byś nie napisał oni i tak będą kopać w ogranicznikach i wyjmować elementy... a tak naprawdę wystarczy 1W.

    Autor ma zapewne jeszcze tą wersję z płaską prawie jak FM modulacją ...

    Ileż to było "walk" na przestrzeni lat o lepszą modulację - od dokładania pojemności po dodatkowe ekrany na VCO... a tu człowiek czyta "odlutuj diodę i będzie ok " :-)

    Alan 42DS ma ją już trochę lepszą - ale to zupełnie inna konstrukcja radia
  • #12 17803810
    Hektar Zahler
    Poziom 34  
    Tylko tyle może zrobić, ponieważ tor FM wymaga bardzo poważnych (czego nie polecam) modyfikacji aktywnym filtrem po ograniczniku przy IC5. O skutkach przemodulowania wydaje się, że wszyscy wszystko wiedzą. Podobnie jak ogólnodostępna literatura na ogół jest nieźle upośledzona niewiedzą. Podobnie my, będąc upośledzeni niedostatkiem cholernie kosztowną aparaturą kontrolną, jesteśmy gotowi myśleć jakby tych niezgodności wcale nie było. Widać je doskonale po szczegółowych pomiarach radiotesterem. I tak np. zupełnie nieznacznym wyjściem ponad ograniczenie do 90% można poważnie przemodulować IP3 już na samym wejściu odbiornika !!! W efekcie pogorszyć jego czułość - tj. uszkodzić parametry techniczne na odległość !!! Trudno w to uwierzyć, a jednak w niedoskonałych cymbał radiach zdarza się często. In. słowy certyfikowany nadajnik jest w takim układzie niezgodny z niedoskonałym urządzeniem odbiorczym, w co równie trudno uwierzyć, a jednak tak to dokładnie wygląda. Tymczasem jak ktoś jest tak tępy, że nie kapuje co to jest w rzeczy samej modulacja skrośna (bo się nasłuchał od lamerów wśród towarzystwa na CB, uwsteczniając tak swoje ambicje elektroniczne, że chodzi o skrośną jak ktoś stawia nośną), to niech sobie posłucha audycji AM (powiedzmy Warszawa 1) na radiu z rozładowaną baterią, tzn. takim zdawałoby się sprawnym, lecz nie do końca wydającym z siebie dźwięk jakiego się po nim spodziewał. I z biegiem czasu być może załapie na czym polega krzywda jaką wyrządza sam sobie.

    Wracając do wady modulatora

    Wstępnie zalecam wymianę wkładki np. od Nokii 3310 o sporym podbiciu wysokich tonów.

    Jak usunąć element w Alan 42 Multi dla regulacji modulacji RV3?

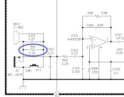
    Ostatecznie wymierny przyrost wzmocnienia (ok. 30%) uzyskasz wymianą R91.

    Jak usunąć element w Alan 42 Multi dla regulacji modulacji RV3?

    Którego najpierw trzeba pokaźnym nakładem pracy usunąć.

    Jak usunąć element w Alan 42 Multi dla regulacji modulacji RV3?

    A potem zastąpić dokładnie dwa razy większym (najlepiej około 4,4kΩ) montując go powiedzmy w ten sposób.

    Jak usunąć element w Alan 42 Multi dla regulacji modulacji RV3?

    A najlepiej w ten sposób.

    Jak usunąć element w Alan 42 Multi dla regulacji modulacji RV3?

    Ale nie większym, niż 4,7kΩ tak, aby napięcie w tym miejscu nie przekroczyło dokładnie 3.0V

    Jak usunąć element w Alan 42 Multi dla regulacji modulacji RV3?

    Jak trafisz na dobrą wkładkę, to będziesz zadowolony - w przeciwnym razie wymiana R91 nie przyniesie oczekiwanego efektu.
    I to by było na tyle, co da się zrobić, a przede wszystkim co możesz sam zrobić.

    Dalej już tylko likwidacja linii mikrofonowej AM (p.21 złącza) przy C67 (wejście modulatora) i pozostaje gruntowna (acz łatwa) modernizacja tejże.

    Powodem wady jest trafo modulacyjne o niezbyt korzystnym przełożeniu jak 1:1.
    (czytaj: małe przełożenie to małe wzmocnienie)
    Naprawić się tego nie da.

    Radzę odłożyć więc radosną twórczość na testy modulatora dalekie od zamierzonego usprawnienia.
  • #13 17838341
    jovi123
    Poziom 11  
    Pomimo , że nie mam czasu na zajęcie się i wykonanie modyfikacji opisane w temacie porady myślę że wyczerpują pytanie.
REKLAMA