Witam, mam problem podobny do tego https://www.elektroda.pl/rtvforum/topic3319809.html
W temacie powyżej brak jest informacji o tym jak kolega podłączył wyświetlacz DIC.
Kupiłem captive z 2011 roku, tj po lifcie. Fabrycznie w tym aucie była nawigacja, z której poziomu można było sterować także klimatyzacją. W zakupionym przeze mnie egzemplarzu ktoś wyrzucił fabryczną nawigację i zamontował dedykowana do tego modelu nawigację z androidem, która nie wyświetla parametrów klimatyzacji. Chcąc to naprawić rozebrałem pas środkowy i znalazłem kostkę do podłączenia DIC. Zamówiłem wyświetlacz podłączyłem pod kostkę i nic... Niestety nie zagadał... Jeśli kolega @CameR miał podobny problem proszę o pomoc w rozwiązaniu mojego.
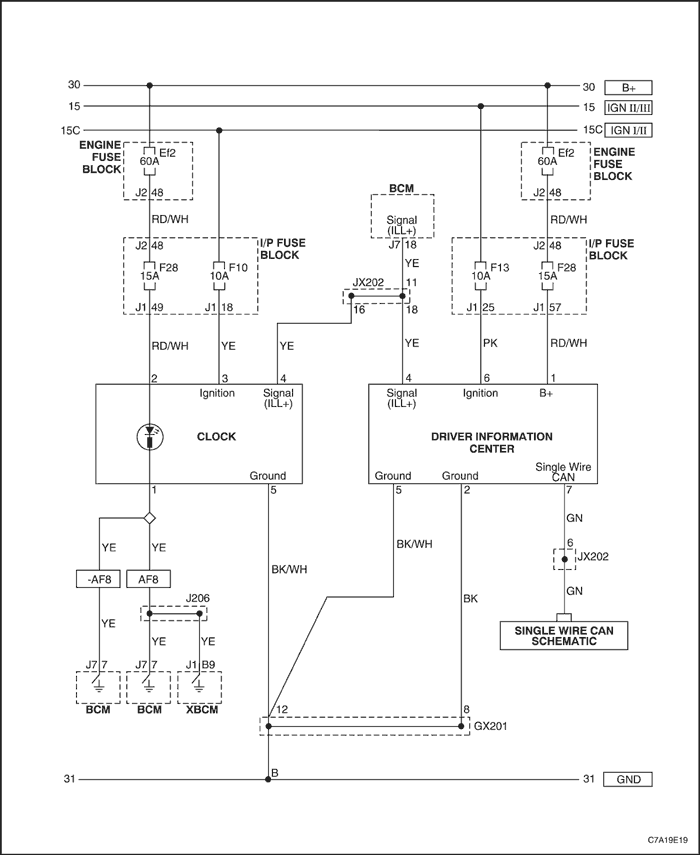
DIC jaki posiadam jest z samochodu z roku 2008, znalazłem schemat do tego
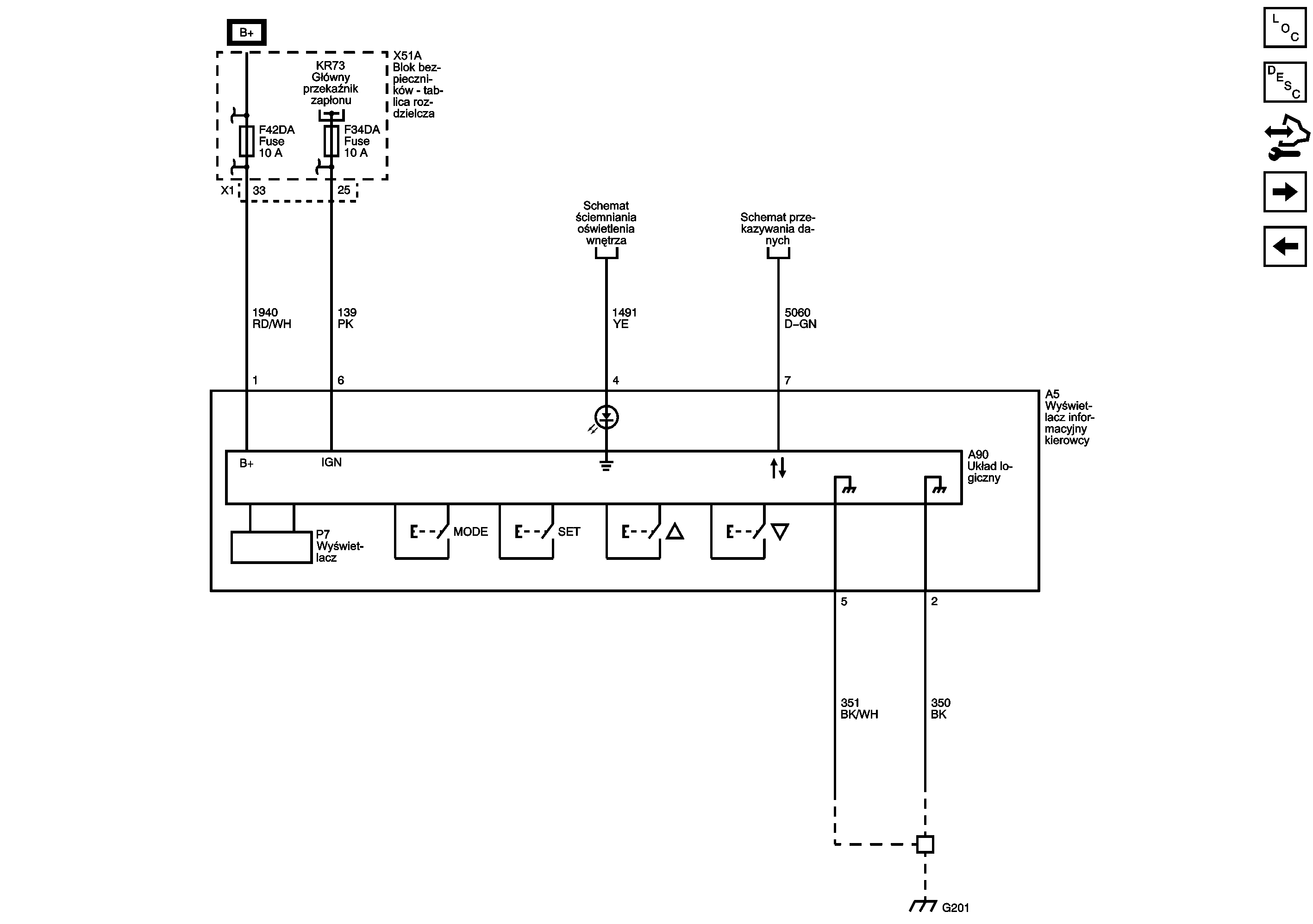
Znalazłem też schemat do wersji z roku 2011
Wydaje mi się że jest taki sam.
Jeśli chodzi o kostkę przyłączeniową w aucie to wygląda ona tak
Nie pasuje mi do tych opisów, rozebrałem DIC żeby zobaczyć które piny są podłączone
I tam jeszcze coś nowego i już dalej nie wiem jak to połączyć...
Dodano po 17 [godziny] 50 [minuty]:
Temat rozwiązany, prawidłowe podłączenie powinno wyglądać tak
Wyświetlacz działa

Dodano po 46 [minuty]:
A czy ma ktoś może pomysł jak zmienić kolor podświetlenia tego wyświetlacza?
Rozebrałem go i za kolor odpowiada taka plastikowa płytka w kolorze zielonym. Czym to zastąpić, interesuje mnie kolor jasno niebieski?

W temacie powyżej brak jest informacji o tym jak kolega podłączył wyświetlacz DIC.
Kupiłem captive z 2011 roku, tj po lifcie. Fabrycznie w tym aucie była nawigacja, z której poziomu można było sterować także klimatyzacją. W zakupionym przeze mnie egzemplarzu ktoś wyrzucił fabryczną nawigację i zamontował dedykowana do tego modelu nawigację z androidem, która nie wyświetla parametrów klimatyzacji. Chcąc to naprawić rozebrałem pas środkowy i znalazłem kostkę do podłączenia DIC. Zamówiłem wyświetlacz podłączyłem pod kostkę i nic... Niestety nie zagadał... Jeśli kolega @CameR miał podobny problem proszę o pomoc w rozwiązaniu mojego.
DIC jaki posiadam jest z samochodu z roku 2008, znalazłem schemat do tego
Znalazłem też schemat do wersji z roku 2011
Wydaje mi się że jest taki sam.
Jeśli chodzi o kostkę przyłączeniową w aucie to wygląda ona tak
Nie pasuje mi do tych opisów, rozebrałem DIC żeby zobaczyć które piny są podłączone
I tam jeszcze coś nowego i już dalej nie wiem jak to połączyć...
Dodano po 17 [godziny] 50 [minuty]:
Temat rozwiązany, prawidłowe podłączenie powinno wyglądać tak
Wyświetlacz działa
Dodano po 46 [minuty]:
A czy ma ktoś może pomysł jak zmienić kolor podświetlenia tego wyświetlacza?
Rozebrałem go i za kolor odpowiada taka plastikowa płytka w kolorze zielonym. Czym to zastąpić, interesuje mnie kolor jasno niebieski?