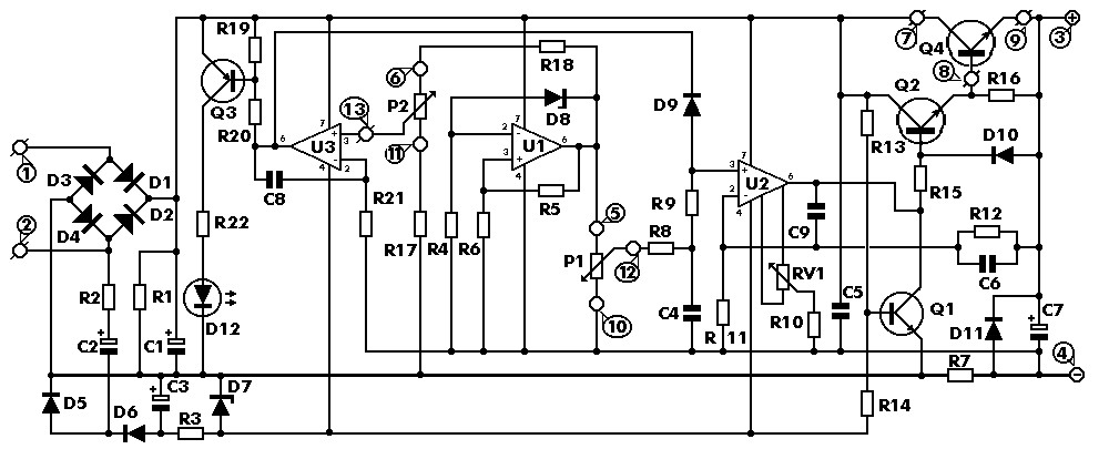
Witam, jako że chciałbym zrobić Zasilacz z Electronics lab
, a JLCPCB przyjmują tylko format .gerber
Czy któryś z kolegów byłby w stanie pomóc edytować z PDF, do tego formatu?
W załącznikach pcb I schemat.
Pozdrawiam i dziękuję.
Jeżeli to zły dział, poproszę Admina o przeniesienie.
, a JLCPCB przyjmują tylko format .gerber
Czy któryś z kolegów byłby w stanie pomóc edytować z PDF, do tego formatu?
W załącznikach pcb I schemat.
Pozdrawiam i dziękuję.
Jeżeli to zły dział, poproszę Admina o przeniesienie.
