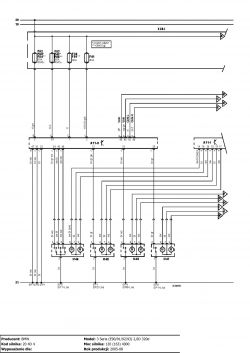
Witam serdecznie. Mam BMW e91 2.0d 163 km z 10.2006 r. Przestały działać mi piloty od centralnego zamka. Do samochodu mogę się dostać tylko od strony kierowcy kluczykiem. Przycisk na konsoli obok dtc od otwierania i zamykania działa. Przewody w klapie sprawdzone nie są przełamane ktoś kiedyś to już zrobił. Wyjąłem moduł diversity z tylnego spoilera wyglądał ok ale dla pewności podgrzałem go troszkę opalarka. Piloty zaczęły działać i działały do końca dnia, gdy przyszedłem rano znowu nie działają. Wiem że do naprawy mam moduł diversity ale niestety fundusze nie pozwalają mi na takie wydatki teraz, inne usterki tego auta wyczyściły mi kieszenie. Mam w domu uniwersalny sterownik centralnego zamka GRM. Schemat poniżej. Chciałbym tymczasowo to założyć do czasu naprawy diversity bo denerwujące jest zamykanie ręczne kluczykiem gdzie otwierają się tylko drzwi kierowcy. Czy ktoś dysponuje wiedzą gdzie najlepiej wpiąć się z tym sterownikiem? Może ktoś ma schemat z opisem pinów do modułu komfortu? Czy może lepiej pod przełącznik na konsoli się podpiąć? Czy ktoś ma schemat tego przełącznika i jak steruje i który model sterowania ze schematu zastosować?
align=left]
[/align] 
align=left]