logo elektroda
logo elektroda
X
logo elektroda
REKLAMA
REKLAMA
Adblock/uBlockOrigin/AdGuard mogą powodować znikanie niektórych postów z powodu nowej reguły.

[Rozwiązano] Jak wykonać analogowy prędkościomierz do e-bike do 60 km/h?

czarekk777 16 Mar 2019 23:07 570 10
REKLAMA
  • #1 17847110
    czarekk777
    Poziom 5  
    Posiadam e-bike własnej produkcji chciałem do niego dorobić prędkościomierz analogowy tylko nie wiem z czego można go zrobić znaczy jaki przerobić motocyklowy czy samochodowy. Posiadam w sterowniku pojedynczy kable opisany wskaźnik prędkości może mógł by w czymś pomóc i ewentualnie czujnik z magnesem do normalnego prędkościomierza rowerowego.
    pytanie czy to w ogóle jest możliwe aby coś takiego wykonać ? Musi mieć skale prędkości do 60 km/h .
    Schematy mile widziane .
  • REKLAMA
  • #2 17847141
    Tommy82
    Poziom 41  
    Analogowy motocyklowy napędzany jest linką. Potrzebował byś wyjście do którego podtaczasz linkę prędkościomierza i do tego pewnie jeszcze przekładnie odpowiednio wyliczyć by trzeba by zrobić kompensującą wielkości koła.

    Wyjście ze sterownika pewnie jest jakieś impulsowe.Może dało by to radępodpiąć do obrotomierza i dorobić skalę. Ale to też jest pytanie co tam z tego wylatuje i jak to się będzie miało do zapotrzebowania na sygnał wejściowy obrotomierza i jego zakresów.
  • REKLAMA
  • #3 17847196
    piterek-23
    Poziom 33  
    Czy nie lepiej będzie po prostu zamontować cyfrowy, rowerowy prędkościomierz?
    Tanio, szybko i bezproblemowo ;)
  • REKLAMA
  • #4 17847214
    Tommy82
    Poziom 41  
    @piterek-23
    Jestem tego samego zdania szkoda tracić energii z aku na zabawę.
  • #5 17847433
    Zbigniew 400
    Poziom 38  
    Masz dostęp do oscyloskopu ?
  • #6 17847569
    czarekk777
    Poziom 5  
    Niestety nie mam dostępu do oscyloskopu ale znalazłem jeszcze przypadkiem coś takiego jak prędkościomierz uniwersalny do motocykli
    nie ma wyjścia na linkę tylko posiada pare kabli ma skale do 80 km/h . Zdało by to egzamin?
  • #7 17847602
    AdamC
    Poziom 29  
    czarekk777 napisał:
    Posiadam w sterowniku pojedynczy kable opisany wskaźnik prędkości może mógł by w czymś pomóc

    Trzeba sprawdzić jaki się tam sygnał pojawia i wtedy można coś dalej myśleć nad wykorzystaniem.

    czarekk777 napisał:
    ewentualnie czujnik z magnesem do normalnego prędkościomierza rowerowego.
    pytanie czy to w ogóle jest możliwe aby coś takiego wykonać ? Musi mieć skale prędkości do 60 km/h .
    Schematy mile widziane .

    Możliwe jest, czujnik z magnesem wykorzystać jako impulsator , podłączyć do np. obrotomierza samochodowego Fiat 125p ( https://www.elektroda.pl/rtvforum/topic1465411.html ) , wykonanie skali w km/h i cechowanie we własnym zakresie .

    Jeszcze jest opcja u chińczyka prędkościomierza sterowanego z GPS, tylko przykręcić i zasilić, tylko 76 USD.

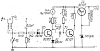
    Przykładowe schematy obrotomierzy do wykorzystania.
  • REKLAMA
  • #8 17847617
    AdamC
    Poziom 29  
    czarekk777 napisał:
    Niestety nie mam dostępu do oscyloskopu ale znalazłem jeszcze przypadkiem coś takiego jak prędkościomierz uniwersalny do motocykli
    nie ma wyjścia na linkę tylko posiada pare kabli ma skale do 80 km/h . Zdało by to egzamin?


    Może tak, może nie, my nie wróżki.
    Określ jakie masz dostępne sygnały u siebie podaj model, link do tego co znalazłeś i wtedy rozmawiamy o konkretach, a nie wróżymy z fusów.
  • #10 17849430
    AdamC
    Poziom 29  
    czarekk777 napisał:
    znalazłem jeszcze przypadkiem coś takiego jak prędkościomierz uniwersalny do motocykli
    nie ma wyjścia na linkę tylko posiada pare kabli

    W linku który podałeś: https://pl.aliexpress.com/item...-7464-49a1-b05a-ec836ad3efa5-6
    Ja tam nie widzę w funkcji kabli sygnału prędkości, za to na ostatnim zdjęciu wejście mocowania linki prędkościomierza o średnicy 12mm.
  • #11 18547051
    czarekk777
    Poziom 5  
    Kupiłem prędkościomierz na GPS z Aliexpres.
REKLAMA