logo elektroda
logo elektroda
X
logo elektroda
REKLAMA
REKLAMA
Adblock/uBlockOrigin/AdGuard mogą powodować znikanie niektórych postów z powodu nowej reguły.

Audi A1 - Zasilanie kamery samochodowej z portu ODB + powerbank

szfudala 17 Mar 2019 11:54 3855 13
REKLAMA
  • #1 17847910
    szfudala
    Poziom 9  
    Dzień dobry.
    Postanowiłem kupić i zamontować kamerę w samochodzie mojej żony, w zestawie dostałem kabel oraz wtyk do gniazdka zapalniczki. Chciałbym jednak podłączyć ją na stałe bez konieczności podłączania jej za każdym razem do gniazdka zapalniczki. Jako, że elektryk ze mnie marny chciałbym jak najbardziej uprościć sobie to zadanie, dlatego też z tego co się orientuje gniazdo ODB byłoby znakomitym źródłem zasilania. Jedynie czego będę potrzebował, to dowiedzieć się które piny odpowiadają za zasilanie. Z tego co wiem, to do mojej konstrukcji przydałaby się urządzenie / kostka (nie wiem jak fachowo to nazwać), która odcinałaby to zasilanie (w przypadku, gdy samochód jest wyłączony), żeby nie rozładować akumulatora - znalazłem coś takiego gotowe do podłączenia na jednej z chińskich stron - urządzenie to mierzy napięcie i w przypadku gdy spadnie poniżej bodajże 11,6V rozłącza się. Jako, że moja kamera posiada jakąś tam baterię oraz opcję automatycznego rozpoczęcia nagrywania w przypadku wstrząsu (uderzenie w samochód na parkingu) chciałbym podłączyć ten kabel do jakiejś zewnętrznej baterii, jakiegoś powerbanka, który będzie się ładował w przypadku, gdy będzie dostarczana energia do niego z akumulatora samochodowego oraz jednocześnie zasilał kamerkę a w przypadku odcięcia zasilania nadal doładowywał ją - i tu nie wiem czy istnieją powerbanki, które posiadają taką opcję, czy ktoś się z takimi spotkał?

    To pokrutce mój plan, co koledzy, ewentualnie koleżanki z większym doświadczeniem ode mnie uważają? Wprowadzilibyście jakieś poprawki? Gdzie polecacie zakupić potrzebne podzespoły?
    Pozdrawiam,
    Szymon.
  • REKLAMA
  • #2 17848001
    rosak
    Specjalista liczniki samochodowe
    Nie ODB a OBD.
    https://www.google.com/search?q=obd2+pinout
    OBD to kiepski pomysł bo tam masz zasilanie stałe.
    Wepnij się do gniazda zapalniczki, wtedy po wyłączeniu zapłonu kamera się wyłączy a po włączeniu włączy. Tak to powinno działać.
  • #3 17848025
    maxetm
    Poziom 23  
    Nie wiem jaką masz kolego kamerkę ale pisząc kamerka myślę że chodzi o wideo-rejestrator. Mam zainstalowany wideo-rejestrator firmy NAVITEL który też ma funkcje o których opisujesz i wbudowaną baterie . Podłączone mam pod obwód gniazda zapalniczki który uruchamia się zaraz z przekręceniem stacyjki i po zgaszeniu samochodu po kilku sekundach wideo-rejestrator się wyłącza . Jeśli masz wbudowaną baterie musiał byś przerobić urządzenie wyprowadzając dodatkowe przewody od owej baterii pod które podłączysz power-banka. Pamiętaj że bateria które jest wbudowana ładuje się automatycznie podczas pracy wideo-rejestratora i zbiegiem lat jej żywotność spada.
  • REKLAMA
  • #4 17848030
    szfudala
    Poziom 9  
    Sorry, literówka.
    Właśnie dlatego chcę użyć urządzenia które zapobiegnie wyczerpaniu akumulatora samochodowego (https://www.google.com/search?q=Battery+Drainage+Protector).
    Kamera posiada opcję pozostania w stanie czuwania gdy uaktywnię opcję "anty-stuczkową" na parkingu, dlatego chciałbym wykorzystać powerbanka jako zasilanie zapasowe.
    I co najważniejsze, drażnić mnie będzie nieporządek z kablem, oraz fakt, że gniazdo zapalniczki będzie ciągle wykorzystywane dlatego chciałbym wykorzystać port OBD.

    Myślałem, żeby podłączyc powerbanka na bablu zasilającym, z tym, że musiałbym znaleźć powerbanka, swego rodzaju bezobsługowego, który daje się ładować, a po podłączeniu do niego urządzenia automatycznie zaczyna ładować.
    W zasadzie to nie wiem jak ta opcja działa, po wyłączeniu zasilania po kilku sekundach wideorejestrator przechodzi w swego rodzaju stan uśpienia? I jest aktywny ale włącza rejestrację tylko podczas stuczki?

    Nie chcę wykorzystywać gniazda zapalniczki, bo nie chcę rwać zaślepek i wpinać się pod obwód zapalniczki od "spodu" dlatego wydaje mi się, że port OBD byłby prostszy do wykorzystania, oraz zredukowałbym ingerencję w samochód do zera.

    Niech bedzie OBD <-> Battery Drainage Protector <-> złącze USB na ewentualnie przyszły powerbank <-> oryginalny kabel do wideorejestratora z wtyczką USB

    Tak by to działało? Znacie jakieś dobre sklepy internetowe, gdzie można by kupić te podzespoły?
    Pozdrawiam,
    Szymon.
  • REKLAMA
  • Pomocny post
    #5 17848075
    maxetm
    Poziom 23  
    szfudala napisał:
    Właśnie dlatego chcę użyć urządzenia które zapobiegnie wyczerpaniu akumulatora samochodowego

    Rozumiem że chcesz zainstalować takie urządzenie pod power-banka. Jeśli tak to power-bank będzie ładowany do puki nie spadnie napięcie na zaciskach aku poniżej np.11V . Ale i tak musisz się podłączyć pod wbudowaną baterie w wideo-rejestratorze. Dając ten układ i power-banka na zasilanie to wideo-rejestrator będzie cały czas pracował dopóki nie spadnie napięcie na aku i power-banku .
  • REKLAMA
  • #7 17848572
    szfudala
    Poziom 9  
    No właśnie się zastanawiam teraz nad sposobem działania tej opcji. Z tego musi wynikać, że bateria tam wbudowana powinna wystarczyć na jakiś tam czas przy przejściu w stan czuwania oraz na ewentualne nagranie czegoś. Ok, w takim razie wycofuje się z opcji powerbanka.
    Gdzie zatem po podzespoły? Bo chińskie mogą być słabej jakości sobie myślę.
  • #9 17850295
    szfudala
    Poziom 9  
    Battery Drainage Protector, wtyczkę OBD, bezpiecznik wraz z wtyczką na niego i ewentualnie jakieś hermetyczne opakowanie gdzie mógłbym zamontować ten Battery Drainage Protector? Jakiś adres sklepu z takimi częściami samochodowymi.
  • #10 17850312
    rosak
    Specjalista liczniki samochodowe
    szfudala napisał:
    Battery Drainage Protector,


    Dlatego pytałem czy będziesz auta używał raz w tygodniu. Jeśli częściej, to żadna kamera w stanie spoczynku nie rozładuje Ci akumulatora. Chyba, że akumulator ma 15 lat ale wtedy poprostu kup nowy.

    Co do reszty się nie wypowiadam bo to nie ma sensu.

    Adresy sklepów na google.com
  • #11 17850526
    szfudala
    Poziom 9  
    Teoretycznie chodzi o to, że ona nie będzie w stanie spoczynku. O ile zasilanie jest odcięte od gniazda zapalniczki a co za tym idzie wideo-rejestrator przechodzi w stan czuwania o tyle używając gniazda OBD napięcie w nim jest ciągłe i wideo-rejestrator nie przejdzie w stan czuwania do czasu aż odetnie się źródło zasilania, dlatego też chciałbym zamontować tam to zabezpieczenie, które będzie odcinało zasilanie gdy ono spadnie do np. 11.6 czy tam 12V.
    Poszukam w google, nawet nie wiem jak to wszystko nazwać, ale poszukam ;-/
  • #13 17936805
    lars23
    Poziom 1  
    Podpinam się pod temat.
    Do zamontowanego wideo rejestratora chcę podłączyć powerbank by kamera działała w trybie parkingowym. Natomiast po odpaleniu silnika chciałabym by zmieniło się źródło zasilania na 12v z bezpiecznika zapalniczki
    oraz by się wtedy ładował powerbank.
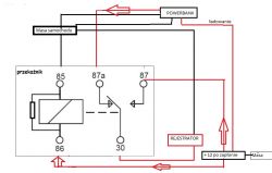
    W sklepie z elektroniką doradzono mi kupno przełączany przekaźnik Audi A1 - Zasilanie kamery samochodowej z portu ODB + powerbank rm84 relpola oraz bypass bezpiecznika. Wytłumaczył mi jak połączyć to wszystko by banglało ale ja jestem kompletnie zielony w tym temacie. Potrzebuję pomocy jakiejś życzliwej osoby o rozrysowanie połączenia.

    Dodano po 1 [godziny] 17 [minuty]:

    Zrobiłem schemat tego układu ale z innego przekaźnika, typowo samochodowego.
    Na przykład takiego:
    Audi A1 - Zasilanie kamery samochodowej z portu ODB + powerbank
    Audi A1 - Zasilanie kamery samochodowej z portu ODB + powerbank
    Powiedzcie czy dobrze to zrobiłem Czy 20 amperowy będzie odpowiedni?
  • #14 17936924
    maxetm
    Poziom 23  
    Audi A1 - Zasilanie kamery samochodowej z portu ODB + powerbank

    Dodano po 4 [godziny] 36 [minuty]:

    Audi A1 - Zasilanie kamery samochodowej z portu ODB + powerbank
    W ten sposób zmienisz tylko źródło zasilania ale powerbank nie będzie ładowany.
REKLAMA