Pytanie: Czy 16-bitowy przetwornik analogowo-cyfrowy (ADC) o sukcesywnej aproksymacji (SAR) jest w stanie osiągnąć zakres dynamiki 125 dB przy częstotliwości próbkowania na poziomie 600 kHz?
Odpowiedź: W dużym skrócie mówiąc - tak, ponieważ 89 dB + 18 dB + 20 dB > 125 dB.
Dokładne wytłumaczenie
W aplikacjach, gdzie potrzebny jest szeroki zakres dynamiki napięcia wejściowego, stosuje się najczęściej przetworniki sigma-delta. Tego rodzaju aplikacje są nadzwyczaj często stosowane, szczególnie przy digitalizacji sygnałów z sensorów chemicznych, tensometrów czy w układach medycznych. Ogromną wadą tych systemów jest jednak bardzo wolny czas reakcji i brak możliwości prowadzenia częstszych pomiarów. Jeśli potrzebny jest ADC pracujący z wyższą częstotliwością próbkowania, często sięga się po SAR ADC.
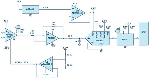
Na rysunku 1 poniżej pokazano, w jaki sposób zestawić można układ o wysokiej dynamice i wysokiej częstotliwości próbkowania.
Na rysunku 1 pokazano 16-bitowy przetwornik (o maksymalnej częstotliwości próbkowania wynoszącej 2,5 MSPS), który dołączony jest do mierzonego sygnału poprzez programowalny wzmacniacz pomiarowy, który ustawia wzmocnienie jako równe 1 V/V lub 100 V/V. Wykorzystując oversampling i dalsze cyfrowe przetwarzanie sygnału z pomocą FPGA układ osiąga zakres dynamiki na poziomie 125 dB przy niskim poziomie szumów.
Tak wysoki zakres dynamiki sygnału uzyskiwany jest dzięki automatycznemu przełączania wzmocnienia AD8253 i oversamplingowi, tj. próbkowaniu sygnału dużo częściej niż wynikałoby to z kryterium Nyquista. Generalnie, podwojenie częstotliwości próbkowania sygnału owocuje zwiększeniem stosunku sygnału do szumu (SNR) o około 3 dB, przy zachowaniu tego samego pasma. W systemie pokazanym na schemacie na rysunku 1 w układzie FPGA, kontrolującym cały sygnał, sygnał jest cyfrowo filtrowany, by usunąć szum powyżej pasma, które nas interesuje. Schematycznie oznaczono to na rysunku 2.
Aby uzyskać maksymalny zakres dynamiki, na wejściu umieszczono wzmacniacz pomiarowy, który wzmacnia słabe sygnały sto razy. W tym miejscu musimy rozważyć kilka istotnych kwestii, związanych z szumem w sygnale.
Aby uzyskać zakres dynamiki na poziomie powyżej 126 dB, konieczne jest zapewnienie, aby maksymalny poziom szumów w sygnale nie przekraczał 1 µV rms przy sygnale wejściowym 3 V (6 V p-p). AD7985 to 16-bitowy konwerter SAR z częstotliwością próbkowania na poziomie 2,5 MSPS. Jeśli pracuje on z 600 kSPS (aby zredukować pobór mocy w systemie do poziomu ok. 11 mW), a system zapewnia 72-krotny oversampling, to efektywna częstotliwość próbkowania wynosi około 8 kSPS, co przekłada się na szerokość pasma 4 kHz.
Z powyższych warunków uzyskuje się gęstość szumów (ND) maksymalnie na poziomie 15,8 nV/√Hz. Ta wartość jest ważna dla dalszego wyboru odpowiedniego wzmacniacza pomiarowego. ADC ma SNR na poziomie 89 dB, a 72-krotny oversampling daje nam dodatkowe 18 dB. Potrzebne jest jeszcze około 20 dB jest do osiągnięcia cel - 126 dB.Jest to zadaniem wzmacniacza pomiarowego na wejściu. AD8253 charakteryzuje się szumem na poziomie 11 nV/√Hz przy wzmocnieniu 100. AD8021, który jest używany jako driver ADC i do regulacji poziomu, wprowadza kolejne 2.1 nV/√Hz szumu do naszego sygnału.
Tor analogowy w naszym systemie uzupełnia napięcie odniesienia ADR439 (lub REF194) wraz ze wzmacniaczem buforującym ADA4004-2, który jednocześnie generuje napięcie offsetu dla wejścia.
Oprócz samych elementów na torze analogowym dla wydajności systemu ogromne znaczenie ma wykorzystany układ FPGA (lub procesor). Kluczowym zadaniem tych elementów jest przełączenie wzmocnienia wzmacniacza pomiarowego od 1 do 100. W tym celu zaprogramowano pewną liczbę wartości progowych, aby zapewnić, że ADC nie jest nigdy w stanie nasycenia. W ten sposób AD8253 pracuje ze wzmocnieniem 100 przy napięciach wejściowych do poziomu około 20 mV, co daje na wyjściu wzmacniacza maksimum 2,0 V. Dla wyższych napięć wejściowych system zmniejsza wzmocnienie AD8253 do 1, aby zapobiec przesterowaniu (patrz rysunek 3).
Warianty tego układu można wykorzystywać przy implementacji innych przetworników ADC, takich jak AD7980 (16-bit, 1 MSPS), AD7982 (18-bit, 1 MSPS) lub AD7986 (18-bit, 2 MSPS). Analogicznie, zamiast AD8253 ze wzmocnieniami wynoszącymi 1, 10, 100 i 1000, można użyć wzmacniacza pomiarowego, takiego jak AD8251 z niższym zakresem (wzmocnienia równe 1, 2, 4 lub 8). Możliwe są również zmiany w postaci np. innego stabilizatora napięcia odniesienia.
Źródło: https://www.analog.com/en/analog-dialogue/raqs/raq-issue-163.html
Odpowiedź: W dużym skrócie mówiąc - tak, ponieważ 89 dB + 18 dB + 20 dB > 125 dB.
Dokładne wytłumaczenie
W aplikacjach, gdzie potrzebny jest szeroki zakres dynamiki napięcia wejściowego, stosuje się najczęściej przetworniki sigma-delta. Tego rodzaju aplikacje są nadzwyczaj często stosowane, szczególnie przy digitalizacji sygnałów z sensorów chemicznych, tensometrów czy w układach medycznych. Ogromną wadą tych systemów jest jednak bardzo wolny czas reakcji i brak możliwości prowadzenia częstszych pomiarów. Jeśli potrzebny jest ADC pracujący z wyższą częstotliwością próbkowania, często sięga się po SAR ADC.
Na rysunku 1 poniżej pokazano, w jaki sposób zestawić można układ o wysokiej dynamice i wysokiej częstotliwości próbkowania.
Na rysunku 1 pokazano 16-bitowy przetwornik (o maksymalnej częstotliwości próbkowania wynoszącej 2,5 MSPS), który dołączony jest do mierzonego sygnału poprzez programowalny wzmacniacz pomiarowy, który ustawia wzmocnienie jako równe 1 V/V lub 100 V/V. Wykorzystując oversampling i dalsze cyfrowe przetwarzanie sygnału z pomocą FPGA układ osiąga zakres dynamiki na poziomie 125 dB przy niskim poziomie szumów.
Tak wysoki zakres dynamiki sygnału uzyskiwany jest dzięki automatycznemu przełączania wzmocnienia AD8253 i oversamplingowi, tj. próbkowaniu sygnału dużo częściej niż wynikałoby to z kryterium Nyquista. Generalnie, podwojenie częstotliwości próbkowania sygnału owocuje zwiększeniem stosunku sygnału do szumu (SNR) o około 3 dB, przy zachowaniu tego samego pasma. W systemie pokazanym na schemacie na rysunku 1 w układzie FPGA, kontrolującym cały sygnał, sygnał jest cyfrowo filtrowany, by usunąć szum powyżej pasma, które nas interesuje. Schematycznie oznaczono to na rysunku 2.
Aby uzyskać maksymalny zakres dynamiki, na wejściu umieszczono wzmacniacz pomiarowy, który wzmacnia słabe sygnały sto razy. W tym miejscu musimy rozważyć kilka istotnych kwestii, związanych z szumem w sygnale.
Aby uzyskać zakres dynamiki na poziomie powyżej 126 dB, konieczne jest zapewnienie, aby maksymalny poziom szumów w sygnale nie przekraczał 1 µV rms przy sygnale wejściowym 3 V (6 V p-p). AD7985 to 16-bitowy konwerter SAR z częstotliwością próbkowania na poziomie 2,5 MSPS. Jeśli pracuje on z 600 kSPS (aby zredukować pobór mocy w systemie do poziomu ok. 11 mW), a system zapewnia 72-krotny oversampling, to efektywna częstotliwość próbkowania wynosi około 8 kSPS, co przekłada się na szerokość pasma 4 kHz.
Z powyższych warunków uzyskuje się gęstość szumów (ND) maksymalnie na poziomie 15,8 nV/√Hz. Ta wartość jest ważna dla dalszego wyboru odpowiedniego wzmacniacza pomiarowego. ADC ma SNR na poziomie 89 dB, a 72-krotny oversampling daje nam dodatkowe 18 dB. Potrzebne jest jeszcze około 20 dB jest do osiągnięcia cel - 126 dB.Jest to zadaniem wzmacniacza pomiarowego na wejściu. AD8253 charakteryzuje się szumem na poziomie 11 nV/√Hz przy wzmocnieniu 100. AD8021, który jest używany jako driver ADC i do regulacji poziomu, wprowadza kolejne 2.1 nV/√Hz szumu do naszego sygnału.
Tor analogowy w naszym systemie uzupełnia napięcie odniesienia ADR439 (lub REF194) wraz ze wzmacniaczem buforującym ADA4004-2, który jednocześnie generuje napięcie offsetu dla wejścia.
Oprócz samych elementów na torze analogowym dla wydajności systemu ogromne znaczenie ma wykorzystany układ FPGA (lub procesor). Kluczowym zadaniem tych elementów jest przełączenie wzmocnienia wzmacniacza pomiarowego od 1 do 100. W tym celu zaprogramowano pewną liczbę wartości progowych, aby zapewnić, że ADC nie jest nigdy w stanie nasycenia. W ten sposób AD8253 pracuje ze wzmocnieniem 100 przy napięciach wejściowych do poziomu około 20 mV, co daje na wyjściu wzmacniacza maksimum 2,0 V. Dla wyższych napięć wejściowych system zmniejsza wzmocnienie AD8253 do 1, aby zapobiec przesterowaniu (patrz rysunek 3).
Warianty tego układu można wykorzystywać przy implementacji innych przetworników ADC, takich jak AD7980 (16-bit, 1 MSPS), AD7982 (18-bit, 1 MSPS) lub AD7986 (18-bit, 2 MSPS). Analogicznie, zamiast AD8253 ze wzmocnieniami wynoszącymi 1, 10, 100 i 1000, można użyć wzmacniacza pomiarowego, takiego jak AD8251 z niższym zakresem (wzmocnienia równe 1, 2, 4 lub 8). Możliwe są również zmiany w postaci np. innego stabilizatora napięcia odniesienia.
Źródło: https://www.analog.com/en/analog-dialogue/raqs/raq-issue-163.html
Fajne? Ranking DIY