logo elektroda
logo elektroda
X
logo elektroda
REKLAMA
REKLAMA
Adblock/uBlockOrigin/AdGuard mogą powodować znikanie niektórych postów z powodu nowej reguły.

[Rozwiązano] audi a4 - szukam schematu wiązki wtryskiwaczy lub silnika 1.8T z kolorami przewo

nyper 07 Kwi 2019 10:11 1272 2
REKLAMA
  • #1 17890727
    nyper
    Poziom 10  
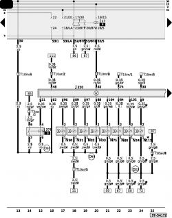
    Witam, tak jak w temacie, najlepiej do silnika A4 B5 APU ale może być też inny 1.8T
    dziękuje
  • REKLAMA
  • #2 17890879
    nyper
    Poziom 10  
    dziękuje serdecznie
    http://www.kolhosniki.ru/elsaonline


    audi a4 - szukam schematu wiązki wtryskiwaczy lub silnika 1.8T z kolorami przewo

    ws = weiss
    sw = schwarz
    ro = rot
    rt = rot
    br = braun
    gn = grün
    bl = blau
    gr = grau
    li = lila
    vi = lila
    ge = gelb
    or = orange
    rs = rosa
  • #3 17890881
    nyper
    Poziom 10  
    dziękuje serdecznie
    http://www.kolhosniki.ru/elsaonline


    audi a4 - szukam schematu wiązki wtryskiwaczy lub silnika 1.8T z kolorami przewo

    ws = weiss
    sw = schwarz
    ro = rot
    rt = rot
    br = braun
    gn = grün
    bl = blau
    gr = grau
    li = lila
    vi = lila
    ge = gelb
    or = orange
    rs = rosa

    Dodano po 35 [sekundy]:

    sam
REKLAMA