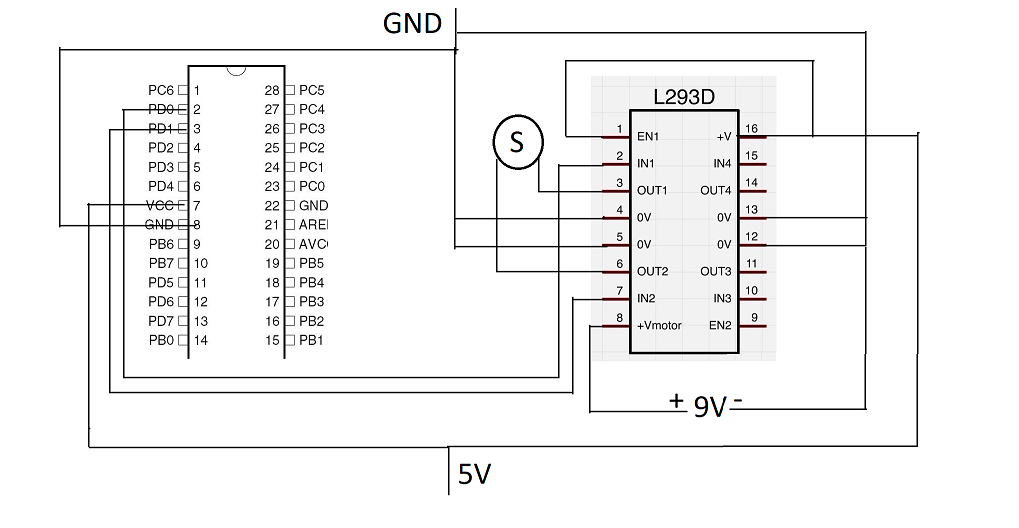
Witam. Otóż mam problem z podłączeniem/bardziej działaniem atmegi8 oraz sterownika L293D. Wszystko jak na obrazku, nie jestem dobry w tworzeniu schematów ale myśle że można się połapać. Silnik po prostu nie startuje natomiast układ okropnie się grzeje. To samo przy próbie zapalenia diody zamiast silnika. Tutaj kod:
Kod: C / C++
Nie mam pojęcia co robie źle. Nie znam się też zbytnio na elektronice po prostu bardzo bym chciał coś takiego zrobić. To jest już drugi układ L293D ponieważ poprzedni identycznie się grzał więc stwierdziłem że uszkodzony. Na poprzednim układzie zasilanie układu oraz silników podłączałem do tego samego 5V, również nie działało. Atmega8 sprawna w 100%, silnik bardzo dobrze pracuje przy 5V lub 9V. Wyczytałem w innym temacie że należy podłączyć piny 9,10,15 do masy jeśli się ich nie używa ale również nie działa. Kod brany z poradnika, nie mogę go teraz znaleźć, nic w nim nie kombinowałem oprócz skrócenia. Jakieś pomysły, jest ktoś w sanie mi pomóc? Z góry dziękuje za każdą chęć pomocy.
