Witam wszystkich
Od niedawna posiadam 406 2.0 16V 132KM XU10J4R (RFV)97r w automacie
Wczoraj zdarzyła mi się sytuacja że normalnie odpaliłem auto pojechałem na zakupy po czy zgasiłem i już po powrocie nie mogłem odpalić.
Objaw jak przekręcam kluczyk zero reakcji przygasa tylko akumulator tzn. ikonka plus klimatronik pomyślałem skończył się rozrusznik, oddałem auto do mechanika na regenerację rozrusznika ale auto dalej ma ten sam objaw nie pali.
Mechanik który robił rozrusznik określił się że nie było tragedii ale jak go już miał na wierzchu to powymieniał co trzeba, obecnie sprawdził czy wychodzi sygnał od stacyjki i podobno wychodzi ale gdzieś ginie w komorze silnika stad rozrusznik nie kręci. (nie mam pewności czy dobrze zmierzył) bo wiem z tego co wiem idą tam dwa zasilania na wentylację i właśnie na rozruch.
Auto jeszcze stoi u mechanika dziś zamówiłem kostkę stacyjki z której również zasila wentylację zasugerowałem się przygasaniem klimatronika.
Masa została sprawdzona jak i plus od akumulatora do rozrusznika. Nie dochodzi sterowanie ze stacyjki na rozrusznik
I tutaj pytania
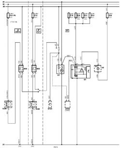
Wie ktoś może na którym przewodzie idzie +12V że stacyjki do rozrusznika i czy idzie przewód bezpośrednio na rozrusznik czy po drodze ma jakiś przekaźnik. Chcę sprawdzić czy mechanik mylnie nie ocenia zasilania na wentylację z zasilaniem na rozrusznik. Znalazłem schemat w AutoDacie i zastanawiam się również czy czasem przekaźnik K55 (skrzynia 4HP20) którego nie mogę zlokalizować jest sprawny i daje prąd na cewkę elektromagnesu rozrusznika.

Od niedawna posiadam 406 2.0 16V 132KM XU10J4R (RFV)97r w automacie
Wczoraj zdarzyła mi się sytuacja że normalnie odpaliłem auto pojechałem na zakupy po czy zgasiłem i już po powrocie nie mogłem odpalić.
Objaw jak przekręcam kluczyk zero reakcji przygasa tylko akumulator tzn. ikonka plus klimatronik pomyślałem skończył się rozrusznik, oddałem auto do mechanika na regenerację rozrusznika ale auto dalej ma ten sam objaw nie pali.
Mechanik który robił rozrusznik określił się że nie było tragedii ale jak go już miał na wierzchu to powymieniał co trzeba, obecnie sprawdził czy wychodzi sygnał od stacyjki i podobno wychodzi ale gdzieś ginie w komorze silnika stad rozrusznik nie kręci. (nie mam pewności czy dobrze zmierzył) bo wiem z tego co wiem idą tam dwa zasilania na wentylację i właśnie na rozruch.
Auto jeszcze stoi u mechanika dziś zamówiłem kostkę stacyjki z której również zasila wentylację zasugerowałem się przygasaniem klimatronika.
Masa została sprawdzona jak i plus od akumulatora do rozrusznika. Nie dochodzi sterowanie ze stacyjki na rozrusznik
I tutaj pytania
Wie ktoś może na którym przewodzie idzie +12V że stacyjki do rozrusznika i czy idzie przewód bezpośrednio na rozrusznik czy po drodze ma jakiś przekaźnik. Chcę sprawdzić czy mechanik mylnie nie ocenia zasilania na wentylację z zasilaniem na rozrusznik. Znalazłem schemat w AutoDacie i zastanawiam się również czy czasem przekaźnik K55 (skrzynia 4HP20) którego nie mogę zlokalizować jest sprawny i daje prąd na cewkę elektromagnesu rozrusznika.