Witam serdecznie wszystkich.
Jest to mój pierwszy post i zlecenie więc za wszelkie błędy oraz braki językowe z góry przepraszam.
Wracając do tematu, chciałbym zlecić wykonanie modułu wraz ze schematem który obsługiwał by prędkościomierz oraz licznik w motocyklu zamiast oryginalnego CPU.
Pacjentem jest mój HD Sportster z którego ( ze względu na modyfikacje ) usunąłem CPU, lecz chciałbym zostawić oryginalny licznik oraz oryginalny czujnik prędkości znajdujący się na wale zdawczym w skrzyni biegów.
Jeśli to możliwe, chciałbym aby moduł posiadał możliwość ręcznej regulacji ( coś na wzór potencjometra montażowego ) tak aby można było dostrajać licznik do odczytu z GPS np. w sytuacji zmiany koła napędowego lub samego tylnego koła.
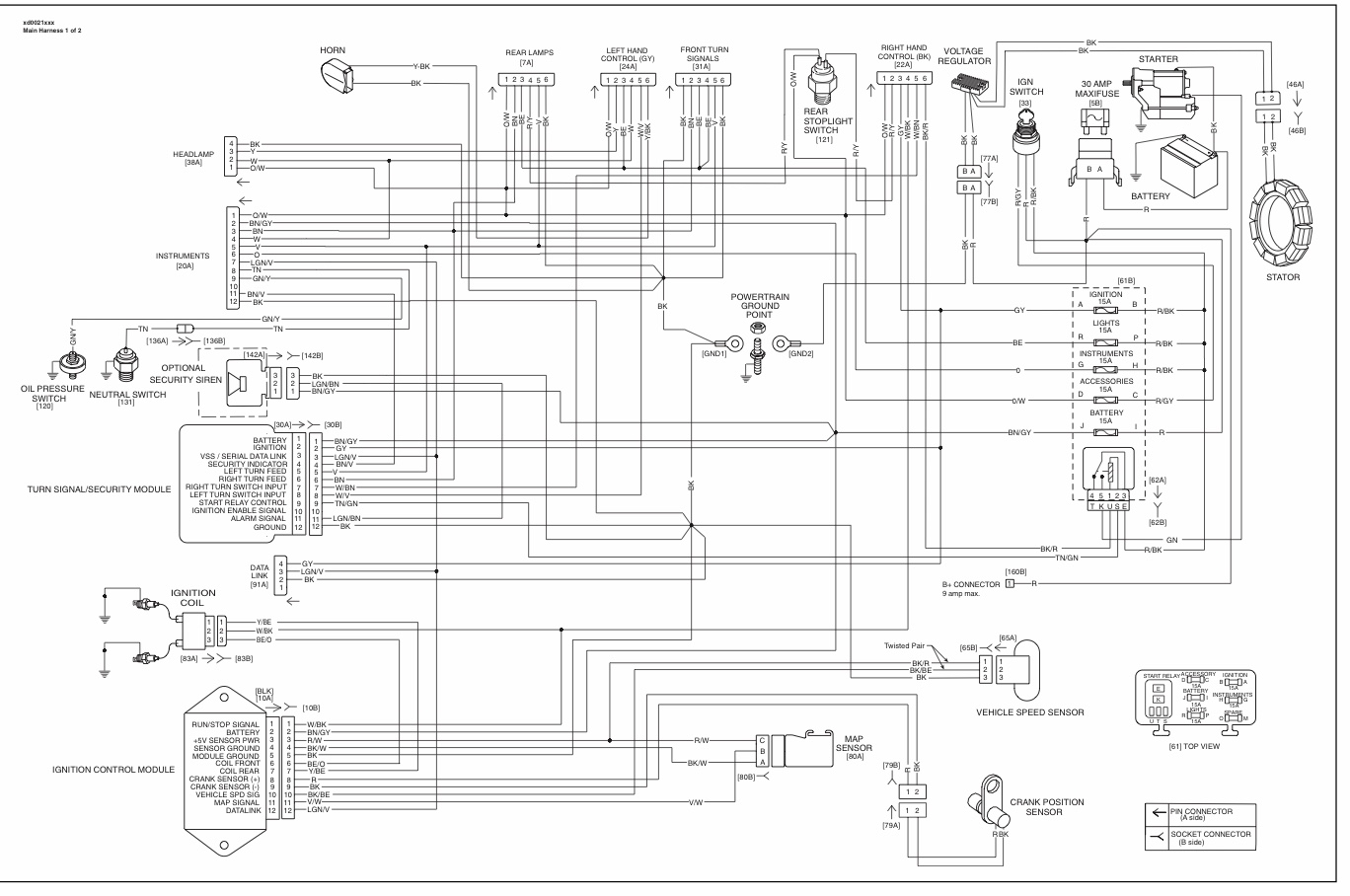
Jeśli chodzi o schematy posiadam tylko schemat ogólny elektryki który zamieszczam poniżej. Problem z napięciem potrzebnym do zasilania mogę rozwiązać za pomocą poniższego schematu ale wolałbym żeby wszytko było w jednym miejscu
Jeśli będzie taka konieczność mogę przesłać do pomiarów czy testów licznik jak i czujnik prędkości chociaż wolałbym tego uniknąć.
Zgodnie z obowiązującym regulaminem powinienem podać budżet, czas itp informacje, ale ponieważ nie mam zielonego pojęcia w tym temacie, proszę o wyrozumiałość i przedstawienie własnej wyceny, co do czasu, no cóż czym szybciej tym lepiej. Płatność gotówką lub przelewem.
Dane kontaktowe
rod.przem(_at_)googlemail.com
Pozdrawiam
Przemek
Jest to mój pierwszy post i zlecenie więc za wszelkie błędy oraz braki językowe z góry przepraszam.
Wracając do tematu, chciałbym zlecić wykonanie modułu wraz ze schematem który obsługiwał by prędkościomierz oraz licznik w motocyklu zamiast oryginalnego CPU.
Pacjentem jest mój HD Sportster z którego ( ze względu na modyfikacje ) usunąłem CPU, lecz chciałbym zostawić oryginalny licznik oraz oryginalny czujnik prędkości znajdujący się na wale zdawczym w skrzyni biegów.
Jeśli to możliwe, chciałbym aby moduł posiadał możliwość ręcznej regulacji ( coś na wzór potencjometra montażowego ) tak aby można było dostrajać licznik do odczytu z GPS np. w sytuacji zmiany koła napędowego lub samego tylnego koła.
Jeśli chodzi o schematy posiadam tylko schemat ogólny elektryki który zamieszczam poniżej. Problem z napięciem potrzebnym do zasilania mogę rozwiązać za pomocą poniższego schematu ale wolałbym żeby wszytko było w jednym miejscu
Jeśli będzie taka konieczność mogę przesłać do pomiarów czy testów licznik jak i czujnik prędkości chociaż wolałbym tego uniknąć.
Zgodnie z obowiązującym regulaminem powinienem podać budżet, czas itp informacje, ale ponieważ nie mam zielonego pojęcia w tym temacie, proszę o wyrozumiałość i przedstawienie własnej wyceny, co do czasu, no cóż czym szybciej tym lepiej. Płatność gotówką lub przelewem.
Dane kontaktowe
rod.przem(_at_)googlemail.com
Pozdrawiam
Przemek