logo elektroda
logo elektroda
X
logo elektroda
REKLAMA
REKLAMA
Adblock/uBlockOrigin/AdGuard mogą powodować znikanie niektórych postów z powodu nowej reguły.

Opis pinów zasilania ECU Simos 2.1 w Seat Toledo 1.6 2001 - auto zgasło w trakcie jazdy

larymaniek 23 Maj 2019 19:02 2334 3
REKLAMA
  • #1 17976983
    larymaniek
    Poziom 11  
    Opis pinów zasilania ECU Simos 2.1 w Seat Toledo 1.6 2001 - auto zgasło w trakcie jazdy

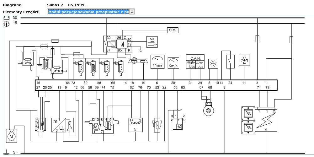
    Witam, potrzebuję opis pinów, lub przynajmniej opis zasilań sterownika silnika simos 2.1 pwp4.
    Seat Toledo 2001r. 1.6. Auto zgasło w czasie jazdy. Plusy po stacyjce mam na 1 i 3 pinie, a masę na 2. Czy powinienem mieć jeszcze gdzieś zasilania? Bardzo dziękuję. ?
  • REKLAMA
  • Pomocny post
    #2 17977819
    marcin.koz2910
    Poziom 27  
    wg. schematu
    pin 1 Stacyjka
    pin 2 Masa
    pin 3 Stałe zasilanie

    Opis pinów zasilania ECU Simos 2.1 w Seat Toledo 1.6 2001 - auto zgasło w trakcie jazdy
  • REKLAMA
  • #3 17977831
    larymaniek
    Poziom 11  
    Dzięki, czyli sterownik siedzi, brak wyjść ze sterownika. Szukam drugiego :)
  • #4 18553110
    zygfrydromuald
    Poziom 5  
    Podepnę się pod temat, nie mogę odszukać podobnego schematu do ECU simos 7.1A do silnika bse 1.6 102KM
    Interesują mnie piny związane z zapłonem, czujnikami tem, i MAP.
    Proszę o pomoc. :sm9:
REKLAMA