Witam,
Mam problem z lewym światłem mijania w Fiacie Uno 2. Wszystkie światła są oprócz tego jednego. Bezpieczniki i żarówki są sprawne. Gdy podmieniłem centralkę z bezpiecznikami to problem przeniósł się na prawe światło mijania, a lewe zaczęło działać. Wróciłem do pierwotnej centralki (tę drugą wsadziłem do innego Uno i wszystko tam działa). Pomierzyłem napięcia i w obu kostkach przy reflektorach jest prawie to samo, gdy zapalam światła:
- sprawna prawa lampa: napięcie pomiędzy siwy-czarny =12,16V, siwy-zielony=8,95, zielony-czarny=3,2V
- niesprawna lewa lampa: siwoczarny-czarny=12,15V, siwoczarny-zielonoczarny =8,98V, zielonoczarny-czarny=3,16V
Próbowałem podłączyć przewód masowy z akumulatora do kostki przy lampie i bez rezultatu. Dopiero jak siwy przewód ze sprawnej lampy zmostkowałem z siwoczarnym z niesprawnej to oba światła mijania zaświeciły się (kostki przy lampach są ok, bo przeciąłem przewód i zmostkowałem tak, żeby nie zarabiać końcówki).
Trochę już mi brakuje pomysłów jak to rozwiązać proszę o pomoc, mam kilka pytań :
1) Czy można tak jeździć? Czy to może skutkować oprócz rzecz jasna, że obie żarówki mogą zgasnąć jednocześnie
2) Co może być przyczyną, bo nie wiem czemu mająć napięcie pomiędzy siwoczarnym i czarnym 12V nie zaświeciła się żarówka? Wygląda na to, że obwód nie jest zamknięty, ale próbowałem wziąć masę z akumulatora i efekt był ten sam
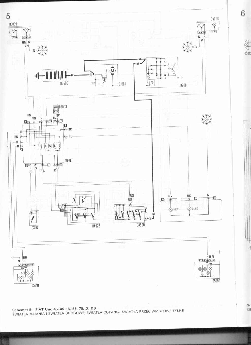
3) Znalazłem schemat instalacji elektrycznej do Fiata Uno 2, ale jest on nieczytelny, może ktoś posiada bardziej „przejrzystą” wersję, może są jakieś dodatkowe przekaźniki w obwodzie
4) Czytałem, że może to być też wina przełącznika zespolonego, ale czy steruje on osobno załączaniem prawego i lewego światła mijania czy załącza oba naraz. Jeśli ta pierwsza opcja to czy wystarczy sprawdzić przy włączonych światłach czy jest 12V pomiędzy pomarańczowym przewodem a masą (rozumiem, że muszę znaleźć masę na centralce bezpiecznikowej bo ta z akumulatora może odseparowana?)
Pozdrowienia
elektronikeer
Mam problem z lewym światłem mijania w Fiacie Uno 2. Wszystkie światła są oprócz tego jednego. Bezpieczniki i żarówki są sprawne. Gdy podmieniłem centralkę z bezpiecznikami to problem przeniósł się na prawe światło mijania, a lewe zaczęło działać. Wróciłem do pierwotnej centralki (tę drugą wsadziłem do innego Uno i wszystko tam działa). Pomierzyłem napięcia i w obu kostkach przy reflektorach jest prawie to samo, gdy zapalam światła:
- sprawna prawa lampa: napięcie pomiędzy siwy-czarny =12,16V, siwy-zielony=8,95, zielony-czarny=3,2V
- niesprawna lewa lampa: siwoczarny-czarny=12,15V, siwoczarny-zielonoczarny =8,98V, zielonoczarny-czarny=3,16V
Próbowałem podłączyć przewód masowy z akumulatora do kostki przy lampie i bez rezultatu. Dopiero jak siwy przewód ze sprawnej lampy zmostkowałem z siwoczarnym z niesprawnej to oba światła mijania zaświeciły się (kostki przy lampach są ok, bo przeciąłem przewód i zmostkowałem tak, żeby nie zarabiać końcówki).
Trochę już mi brakuje pomysłów jak to rozwiązać proszę o pomoc, mam kilka pytań :
1) Czy można tak jeździć? Czy to może skutkować oprócz rzecz jasna, że obie żarówki mogą zgasnąć jednocześnie
2) Co może być przyczyną, bo nie wiem czemu mająć napięcie pomiędzy siwoczarnym i czarnym 12V nie zaświeciła się żarówka? Wygląda na to, że obwód nie jest zamknięty, ale próbowałem wziąć masę z akumulatora i efekt był ten sam
3) Znalazłem schemat instalacji elektrycznej do Fiata Uno 2, ale jest on nieczytelny, może ktoś posiada bardziej „przejrzystą” wersję, może są jakieś dodatkowe przekaźniki w obwodzie
4) Czytałem, że może to być też wina przełącznika zespolonego, ale czy steruje on osobno załączaniem prawego i lewego światła mijania czy załącza oba naraz. Jeśli ta pierwsza opcja to czy wystarczy sprawdzić przy włączonych światłach czy jest 12V pomiędzy pomarańczowym przewodem a masą (rozumiem, że muszę znaleźć masę na centralce bezpiecznikowej bo ta z akumulatora może odseparowana?)
Pozdrowienia
elektronikeer