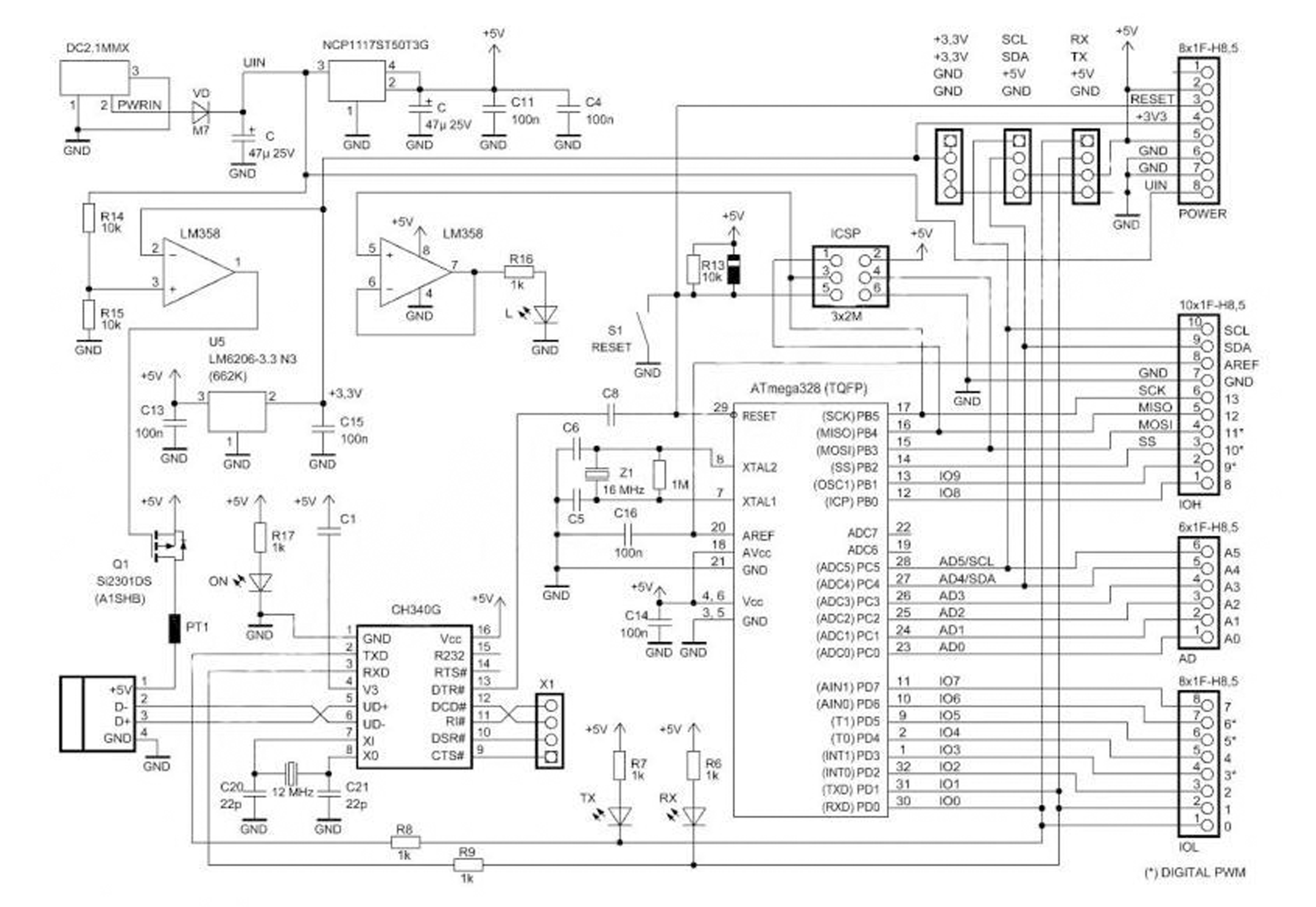
Witam proszę o poradę gdyż, losowo podczas załączania i wyłączania obwodu przez przekaźniki zdarza się ponowny restart programu w Ardunino UNO.
Przekaźnik zasila dwa silniki (równolegle) 24V DC, pobór prądu przez jeden to 0,6A, rezystancja uzwojeń wacha się od 2,5 do 4,5 Oma.
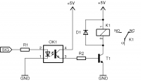
Początkowo myślałem, że przepięcia pochodzą z Cewek, ale po odłączeniu silników efektu restartu nie ma. Dla pewności zmodyfikowałem diodę zabezpieczającą przy cewce bo cholera nie wiem jak ona w tym układzie ma zabezpieczać skoro odłącza się jej masę w momencie wyłączenia tranzystora, więc poprawiłem ten błąd i dodałem kondensator.
Pytanie brzmi jak zabezpieczyć układ wykonawczy bo niestety jest on połączony z zasilaniem mikrokontrolera masą, gdyż zastosowany układ pomiaru prądu wymaga wspólnej masy. Jak się zabezpiecza takie układy o dużej indukcji przy małych napięciach? Dioda zenra, warystor? Dodam, że silnik zasilany jest w dwóch kierunkach (nie ująłem tego w schemacie). Proszę o pomoc.
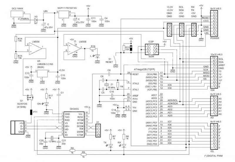
Zdjęcie 1 moduł przekaźnika Arduino oryginalny
Zdjęcie 2 po modyfikacji (schemat uproszczony)
Przekaźnik zasila dwa silniki (równolegle) 24V DC, pobór prądu przez jeden to 0,6A, rezystancja uzwojeń wacha się od 2,5 do 4,5 Oma.
Początkowo myślałem, że przepięcia pochodzą z Cewek, ale po odłączeniu silników efektu restartu nie ma. Dla pewności zmodyfikowałem diodę zabezpieczającą przy cewce bo cholera nie wiem jak ona w tym układzie ma zabezpieczać skoro odłącza się jej masę w momencie wyłączenia tranzystora, więc poprawiłem ten błąd i dodałem kondensator.
Pytanie brzmi jak zabezpieczyć układ wykonawczy bo niestety jest on połączony z zasilaniem mikrokontrolera masą, gdyż zastosowany układ pomiaru prądu wymaga wspólnej masy. Jak się zabezpiecza takie układy o dużej indukcji przy małych napięciach? Dioda zenra, warystor? Dodam, że silnik zasilany jest w dwóch kierunkach (nie ująłem tego w schemacie). Proszę o pomoc.
Zdjęcie 1 moduł przekaźnika Arduino oryginalny
Zdjęcie 2 po modyfikacji (schemat uproszczony)
