logo elektroda
logo elektroda
X
logo elektroda
REKLAMA
REKLAMA
Adblock/uBlockOrigin/AdGuard mogą powodować znikanie niektórych postów z powodu nowej reguły.

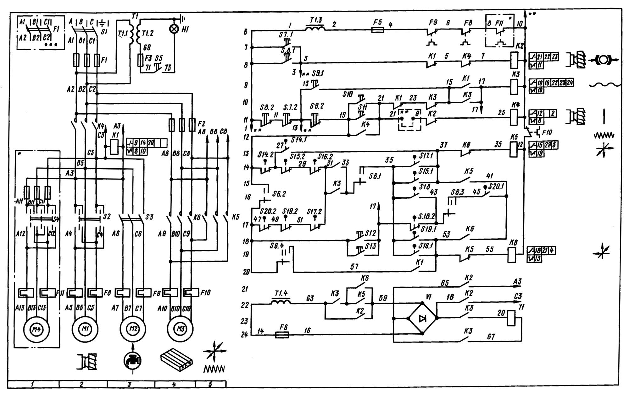
brak Schematu instalacji elektrycznej do frezarki 6p81

sam s15 10 Cze 2019 22:06 549 4
REKLAMA
  • REKLAMA
  • #2 18005648
    feno
    Poziom 19  
    Co to za maszyna daj fotki.
  • REKLAMA
  • REKLAMA
  • #4 20519559
    piter_e
    Poziom 10  
    Witam mam problem z frezarka 6p13 nie mogę maszyny zatrzymać przyciskiem ani na konsoli, ani koło wybierają szybkości wrzeciona. Czy ktoś miał już taki problem kwestii elektrycznej w takiej maszynie. Po wyłączeniu rozpędzonej maszyny włącznikiem głównym trzeba odczekać koło 1 min aż stycznik puści, podejrzewam że stycznik już wymaga remontu lub wymiany na nowy.
REKLAMA