Witam. Z racji iż wpadło mi w rączki radio samochodowe którego model widoczny jest w tytule, a nie posiada one złącza aux zastanowiłem się czy nie warto by spróbować podać sygnału bezpośrednio do układu.
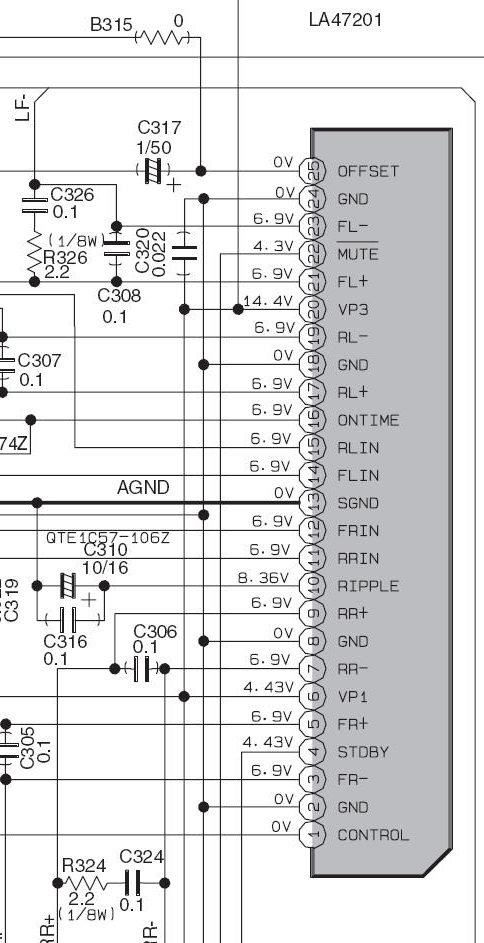
Znalazłem model jak i datasheet układu i wywnioskowałem że to tam mogę podać audio z zewnętrznego odtwarzacza.
Problem w tym że na wyjściu pinów mam napięcie rzędu 5,40 - 5,50V a po podłączeniu sygnału cisza zarówno na CD jak i FM.
Czy ja idę dobrym tropem czy mój tok myślenia gdzieś błądzi ?
Rozumiem że można prościej tj kupić radio z aux ale to radio dla dziewczyny której jest wszystko jedno jak gra i co gra więc wolałbym pokombinować niż kupić nowe

Znalazłem model jak i datasheet układu i wywnioskowałem że to tam mogę podać audio z zewnętrznego odtwarzacza.
Problem w tym że na wyjściu pinów mam napięcie rzędu 5,40 - 5,50V a po podłączeniu sygnału cisza zarówno na CD jak i FM.
Czy ja idę dobrym tropem czy mój tok myślenia gdzieś błądzi ?
Rozumiem że można prościej tj kupić radio z aux ale to radio dla dziewczyny której jest wszystko jedno jak gra i co gra więc wolałbym pokombinować niż kupić nowe