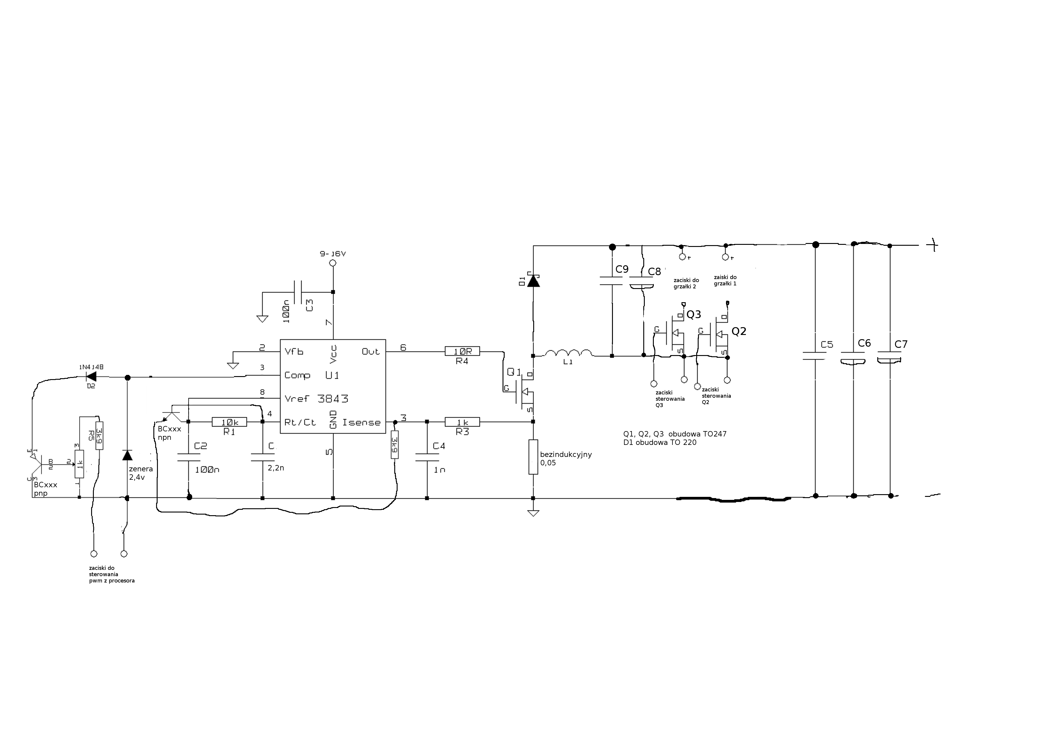
Dziękuję za zainteresowanie tematem. Jednemu panu, który napisał jako pierwszy na priv podałem więcej szczegółów. tutaj dodaję schemat, ma to być regulator mppt do grzania wody na dwa zbiorniki bezpośrednio z paneli fotowoltaicznych. Napięcie Voc 240V Imp 5,8A Vmp ok 195V. wymiary płytki jeżeli da radę 17x15cm. Do do ceny to nie mam pojęcia, chciałbym zamówić 2 szt takich płytek.
Na razie proszę nie składać więcej ofert.
Podstawowy schemat na którym bazowałem pochodzi ze strony.........
Link