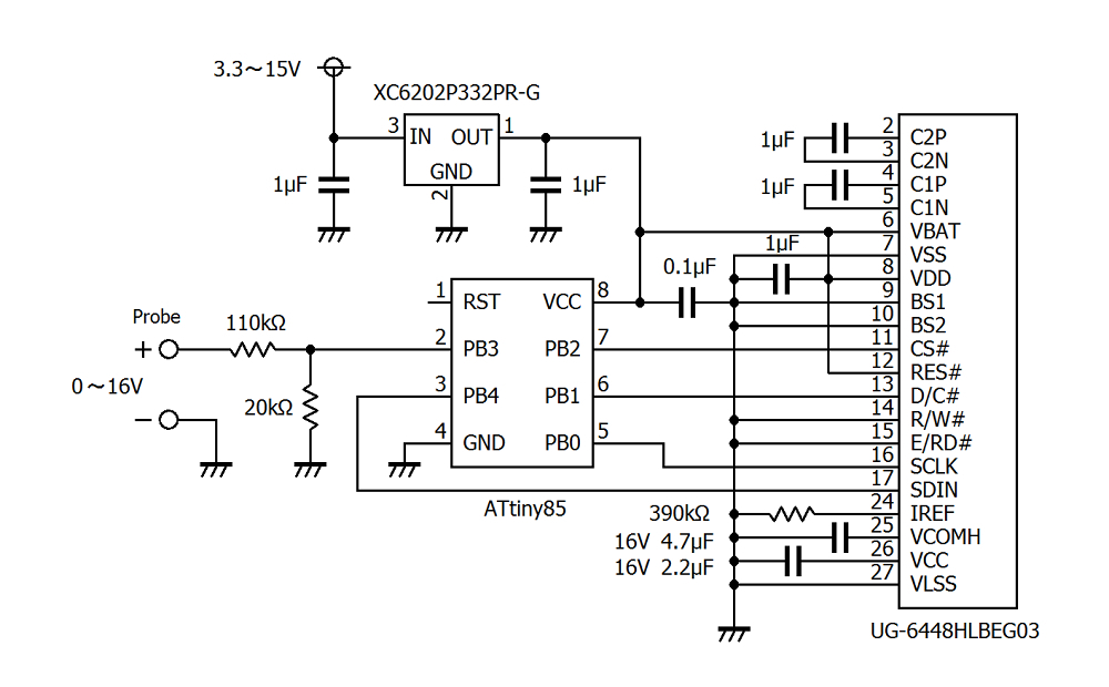
Mam pewien drobny problem z voltomierzem z załączonego schematu. Można by to nazwać problem z "Cold start".
Układ działa poprawnie po drugim jego włączeniu. Przerwa między pierwszym a drugim włączeniem nie może być dłuższa niż 3s.
Film na YT obrazuje problem.
https://youtu.be/vt6X48ZPSi0
