logo elektroda
logo elektroda
X
logo elektroda
REKLAMA
REKLAMA
Adblock/uBlockOrigin/AdGuard mogą powodować znikanie niektórych postów z powodu nowej reguły.

Toyota yaris 2 1,0 - Świeci kontrolka ładowania,a ładowanie jest 14,4v

darek39 27 Cze 2019 13:12 4332 5
REKLAMA
  • #1 18032620
    darek39
    Poziom 11  
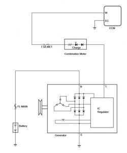
    Witam.Jak w temacie.Alternator sprawdzony na stole, jest dobry zaś w kostce c9 na pinie4 cały czas jest minus , pin ten jest od kontrolki. Nawet po odpięciu lewej kostki od licznika kontrolka świeci oczywiście plusy na 1i2 pinach są.Może ktoś ma jakiś schemat lub jakiś pomysł.
  • REKLAMA
  • REKLAMA
  • #3 18033086
    darek39
    Poziom 11  
    Yaris 2 ma alternator z regulatorem z kostką z której wychodzą 4 piny 1-plus stały 2- plus po stacyjce,3- sygnał z ecu,4-wyjście do licznika czyli na kontrolkę i właśnie na tym przewodzie od licznika jest cały czas minus. Nawet jak zdejmę wtyczkę z regulatora napięcia to kontrolka się świeci ,a powinna dopiero po podaniu minusa się zaświecić
  • REKLAMA
  • #4 18033181
    andrzej20001
    Poziom 43  
    Nie jest to prawda.
  • REKLAMA
  • #6 21167586
    gigi-wojtek
    Poziom 2  
    Witam. Czy udało się rozwiązać problem ? Mam dokładnie taki sam objaw.
REKLAMA