logo elektroda
logo elektroda
X
logo elektroda
REKLAMA
REKLAMA
Adblock/uBlockOrigin/AdGuard mogą powodować znikanie niektórych postów z powodu nowej reguły.

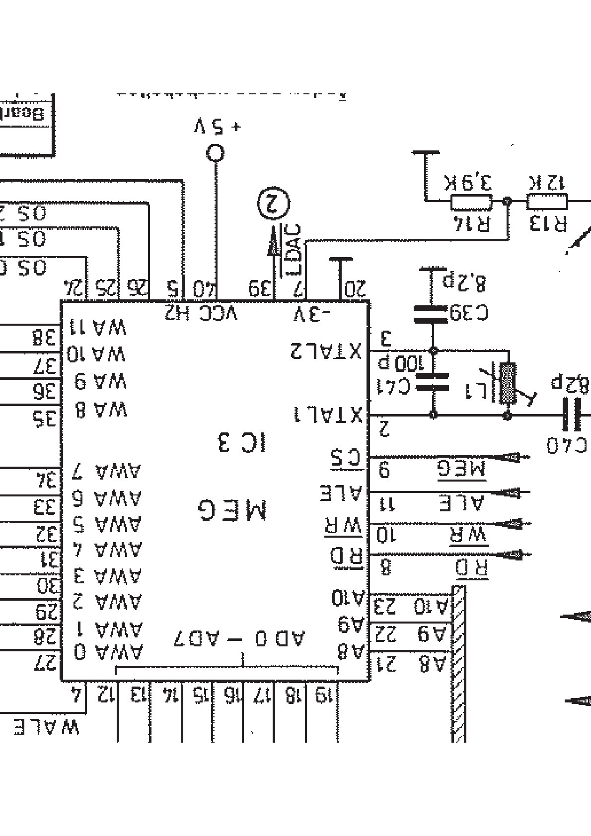
Gdzie znajdę układ C10864 HON-MEG-3 z organów HOHNER SYMPHONIE D90?

pawlik-24 05 Lip 2019 10:33 471 2
REKLAMA
  • #1 18045410
    pawlik-24
    Poziom 2  
    Witam

    poszukuję układu HON -MEG-3 - generator dźwięków - organy Hohner symphonie d 90.

    Gdzie znajdę układ C10864 HON-MEG-3 z organów HOHNER SYMPHONIE D90?


    Gdzie znajdę układ C10864 HON-MEG-3 z organów HOHNER SYMPHONIE D90?
  • REKLAMA
  • #3 18061593
    pawlik-24
    Poziom 2  
    dziękuję za pomoc,
    pytałem j/w i okazuje się, że cena układu wynosi tyle co sprawne urządzenie z "rynku wtórnego"

    pozdrawiam
    Paweł
REKLAMA