logo elektroda
logo elektroda
X
logo elektroda
REKLAMA
REKLAMA
Adblock/uBlockOrigin/AdGuard mogą powodować znikanie niektórych postów z powodu nowej reguły.

[Zlecę] Wykonanie prostego generatora wolnoprzebiegowego do sterowania LED

marcelozi 06 Lip 2019 16:36 771 4
REKLAMA
  • #1 18047446
    marcelozi
    Poziom 9  
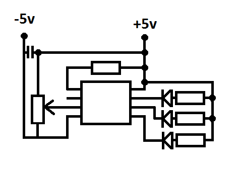
    Zlecę wykonanie większej ilości prostego generatora z trzema wyjściami, sterującymi diodami LED, 5V.
    LEDy mają się zapalać kolejno, w jednym kierunku - jak na filmie, z płynną regulacją częstotliwości (od ok.4 sek do 0,2 sek).
    Musi jednak posiadać funkcję płynnego przejścia - czyli jedno napięcie płynnie zanika, a w tym czasie kolejne płynnie narasta. Przejście ma być dość krótkie, jednak wyraźne - jak na filmie. W dodatku szybkość przejścia ma być nieproporcjonalnie regulowana w stosunku to częstotliwości sygnałów 5V - czyli: gdy zwiększamy częstotliwość, przenikanie jest mniej więcej stałej przędkości, może trochę się skracać przy największej częstotliwości - tak, by zdążyła się zapalić dioda na pełnym napięciu.

    Zasilanie: 5V (ladowarka smartfona) z opcją np. baterii 9V.

    Oczywiście, im układ prostszy, mniejszy i tańszy - tym lepiej. Dobrze by było, gdyby płytka była np. wąska i dłuższa, tzn. szerokość max. 5 cm.

    Jeśli projekt spełni te wymogi, będę chciał zamówić większą ilość generatorów - np.20, 30, może 50 szt. Zobaczymy, czy biznes wypali, startuję od zera.

    Filmik:


  • REKLAMA
  • #2 18047473
    vodiczka
    Poziom 43  
    marcelozi napisał:
    Przejście ma być dość krótkie, jednak wyraźne - jak na filmie.
    Sorry ale na filmie nie widzę płynnego przejścia, zapewne jest zbyt szybkie jak na moje oko albo kwestia przyzwyczajenia - mam nawilżacz powietrza i tam jest powolne przenikanie.
  • REKLAMA
  • #3 18047674
    marcelozi
    Poziom 9  
    vodiczka napisał:
    marcelozi napisał:
    Przejście ma być dość krótkie, jednak wyraźne - jak na filmie.
    Sorry ale na filmie nie widzę płynnego przejścia, zapewne jest zbyt szybkie jak na moje oko albo kwestia przyzwyczajenia - mam nawilżacz powietrza i tam jest powolne przenikanie.


    No jest, jest! :)
    Chodzi o to, że napięcia nie włączają się na ostro, 0/I (0V-5V), tylko narastają i zanikają płynnie, ponadto "przenikając się" - zanim jedno wygaśnie zupełnie, drugie już narasta.

    OK: poprafiłem filmik - teraz są w sumie lepsze, może ciut za długie, ale o to właśnie chodzi:


    [/youtube]
  • REKLAMA
  • #4 18050881
    Tomekddd
    Poziom 23  
    Witam, jaki budżet kolega na to przewiduje? Czy są jakieś szczególne wymagania co do technologii wykonania tzn. jakiś konkretny układ musi być wykorzystany? Na kiedy ma być to gotowe? Jaka ma być wydajność wyjść tzn. na ile diod LED?
REKLAMA