logo elektroda
logo elektroda
X
logo elektroda
REKLAMA
REKLAMA
Adblock/uBlockOrigin/AdGuard mogą powodować znikanie niektórych postów z powodu nowej reguły.

Skoda Octavia 1.4 MPI - Gdzie podłączyć klimatyzację do ECU Bosch ME7.5.10?

qrchackofficial 13 Lip 2019 14:41 1452 0
REKLAMA
  • #1 18058717
    qrchackofficial
    Poziom 2  
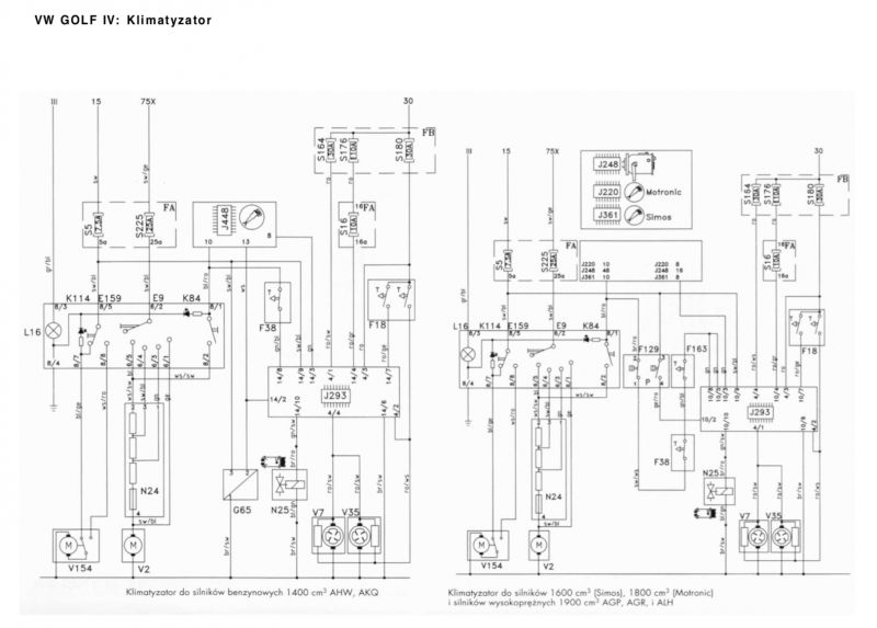
    Poszukuję schematu do podłączenia klimatyzacji. Moduł ECU to Bosch Motronic ME7.5.10. Korzystałem z następującego schematu:
    Skoda Octavia 1.4 MPI - Gdzie podłączyć klimatyzację do ECU Bosch ME7.5.10?

    Piny 8 i 10 na J220 (Motronic) są już zajęte. Gdzie należy więc podłączyć klimatyzację? Ewentualnie, czy dysponuje ktoś pinoutem dla ME7.5.10?
  • REKLAMA
REKLAMA