Cześć wszystkim,
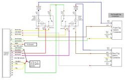
Mam przelacznik swiatel przeciwmgielnych od Audi A4 B5 i chcialbym go wykorzystac do wlaczania swiatla przeciwmgielnego w innym samochodzie. Pod postem zamieszczam schemat podlaczenia przelacznika. Przelacznik posiada diode i chcialbym zeby sie zapalala przy wlaczonych swiatlach przeciwmgielnych

Mam przelacznik swiatel przeciwmgielnych od Audi A4 B5 i chcialbym go wykorzystac do wlaczania swiatla przeciwmgielnego w innym samochodzie. Pod postem zamieszczam schemat podlaczenia przelacznika. Przelacznik posiada diode i chcialbym zeby sie zapalala przy wlaczonych swiatlach przeciwmgielnych