logo elektroda
logo elektroda
X
logo elektroda
REKLAMA
REKLAMA
Adblock/uBlockOrigin/AdGuard mogą powodować znikanie niektórych postów z powodu nowej reguły.

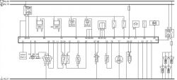
VW Bosch EDC15V - VW Bosch EDC15V - Pinout ECU 038906013AN

Tracer2 21 Lip 2019 09:03 5343 17
REKLAMA
  • #1 18071784
    Tracer2
    Spoczywaj w Pokoju
    Poszukuje po których pinach ECU 038906013AN podłączone jest z licznikiem 6K9920840G w VW CADDY II 1.9 SDI
    to mam
    VW Bosch EDC15V - VW Bosch EDC15V - Pinout ECU 038906013AN

    natomiast brakuje mi pinologi licznika 6K9920840G

    Usterka polega na braku wskazań temperatury.
    Czujnik został wymieniony na nowy Febi, VAG temperaturę pokazuje a ten na desce nie. Próbowałem symulować mu 200 ohm do masy ale ani drgnie.
    Przynajmniej po wymianie czujnika przestała migać lampka temperatury
    Licznik podmieniałem na taki sami i też brak wskazania.
    Może ktoś spotkał się z taką usterką i pamięta o co kaman ?
  • REKLAMA
  • Pomocny post
    #2 18071882
    żałosna udręka
    Poziom 34  
    A tam nie ma dwóch czujników temp, albo jest podwójny. Mogę zmyślać bo nie patrzyłem na schemat.
  • #3 18071925
    Tracer2
    Spoczywaj w Pokoju
    Tak, jest podwójny. I wymieniłem go bo mi migała lampka temperatury. Przestała. VAG pokazuje temp. np 82* a na liczniku ani drgnie.
    Znalazłem połączenie sterownik pin 6 - licznik pin 10 VW Bosch EDC15V - VW Bosch EDC15V - Pinout ECU 038906013AN
    Znalazłem taki schemat od silnika AEY ,
    a mój to AYQ i w liczniku nie mam pinu 26

    Podejrzewam że VAG odczytuje temp. z czujnika 1-3.
    Na 2 czujnika jest masa i pin 4 ma połączenie z 23 licznika
  • Pomocny post
    #4 18071969
    KMal
    Poziom 34  
    Witam.
    Trzeba było zaraz podać typ silnika, bo też przygotowywałem dla silnika AEY, gdzie też są różnice wewnątrz rocznika.
    Dla silnika AYQ jest inaczej (rys. poniżej).

    VW Bosch EDC15V - VW Bosch EDC15V - Pinout ECU 038906013AN
  • REKLAMA
  • #5 18072528
    Tracer2
    Spoczywaj w Pokoju
    Sytuacja jest taka, że auto kupiłem takie, że widać ,że ktoś wymieniał wtyczkę do czujnika temperatury.
    Jak zacząłem przełącząć w/g numeracji na wtyczce to mi sie temperatura na VAG-u zrobiła 8 stopni :(
    Wróciłem więc do tego jak było.

    Silnik sie niby zgadza z tym co na wlepce bo na obudowie rozrządu jest AYQ.
    Czy czujniki 4 pinowe występują w różnych wersjach ?
    Może licznik 920840G jest nie od tego silnika .....??
  • #7 18072536
    Tracer2
    Spoczywaj w Pokoju
    VAG mi się z licznikiem nie łączy.
    Taki test się VAGiem robi ?
  • #9 18072682
    Tracer2
    Spoczywaj w Pokoju
    Caddy jest z 2002 roku czyli Caddy II w starej jeszcze budzie
    z takim licznikiem :
    VW Bosch EDC15V - VW Bosch EDC15V - Pinout ECU 038906013AN
    W tych też były takie bez ??
    Qrcze mam też jeszcze Caddy z 97 i tam jest i działa wskaźnik temperatury
    Miałem Cordobe z ASV i tam też działał
    i teraz tak mi trochę głupio że jest a nie wskazuje
  • Pomocny post
    #10 18072695
    KMal
    Poziom 34  
    Zrób test oporowy na pin 5 i 23 licznika (zgodnie ze schematem, który zamieściłem), jeżeli nie działa, to ewidentna wina licznika (nie ten?). Ten obwód nie jest związany z ECU.
    Była wersja AYQ gdzie był czujnik podwójny, ale wykorzystana była tylko połówka, licznik był inny.

    VW Bosch EDC15V - VW Bosch EDC15V - Pinout ECU 038906013AN

    2,5 - 3,5 kΩ to (20 °C)
    300 - 350 Ω to (90 °C)
    VW Bosch EDC15V - VW Bosch EDC15V - Pinout ECU 038906013AN
  • #11 18072808
    Tracer2
    Spoczywaj w Pokoju
    Wygląda że to ten, bo od poprzedniego różni sie 3 świecami podgrzewacza płynu chłodzącego
    i w moim jest.
    A że jestem chyba 7 właścicielem to jeden Bóg wie co tam nakombinowali z licznikiem.
    Może wiesz jaki numer powinien być?

    Wziąłem licznik na stół.
    dałem masę na zacisk 3 i 5
    na 11 i 13 dałem +12 V
    symuluje opornikiem 400 ohm pomiędzy masę i zacisk 23
    i wskaznik temperatury nie wskazuje
    Dzieje mi się to na liczniku z tematu jak i na liczniku z Caddy 97 gdzie wskazanie jak jest w aucie mam.

    Gdzieś brakuje jakiegoś potencjału by wskaznik ruszył
    Pytanie gdzie ? Musi przyjść jakiś sygnał ze sterownika silnika ?
  • REKLAMA
  • #12 18074193
    Tracer2
    Spoczywaj w Pokoju
    KMal napisał:
    Zrób test oporowy na pin 5 i 23 licznika (zgodnie ze schematem, który zamieściłem), jeżeli nie działa, to ewidentna wina licznika (nie ten?). Ten obwód nie jest związany z ECU.
    Była wersja AYQ gdzie był czujnik podwójny, ale wykorzystana była tylko połówka, licznik był inny.

    VW Bosch EDC15V - VW Bosch EDC15V - Pinout ECU 038906013AN

    2,5 - 3,5 kΩ to (20 °C)
    300 - 350 Ω to (90 °C)
    VW Bosch EDC15V - VW Bosch EDC15V - Pinout ECU 038906013AN



    Przełożyłem zegar do Caddy z 97 r. i tam pokazuje,
    a w Caddy z 2002 r
    i na stole podłączony pod zasilacz i z opornikiem NIE
  • #14 18075030
    Tracer2
    Spoczywaj w Pokoju
    Wysłałem na PW. Dziękuję

    Może ktoś ma rozpiskę pinów / schemat od licznika VDO 6K9 920 840 G
    bo trochę mnie to dziwi, że żaden wskaznik mi nie ruszył na stole po podłączeniu opornika
    a w jednym aucie działają
  • REKLAMA
  • Pomocny post
    #15 18076559
    żałosna udręka
    Poziom 34  
    Twój licznik 6k99z08404x cena 1169PLN. Stan magazynowy zero. A tak konkretnie to jest to licznik z tachografem bez wskaźnika temperatury.
  • #16 18076918
    Tracer2
    Spoczywaj w Pokoju
    Czyli jak dobrze mniemam licznik nie jest orginalny , no bo pewnie stary się popsuł...... i wymieniono na to co było pod ręką .
    W takim razie pozostaje dorobienie wskaznika np elektronicznego.
    Mam termometr raem z voltomierzem wsadzany do gniazda zapalniczki.
    Ciekawe czy wskazuje do 99* ?
    .....
    e.... wskazuje do 75
    musze poszukać innego
    Dziękuję za pomoc
  • #18 18077000
    Tracer2
    Spoczywaj w Pokoju
    ....znaczy pomiar temperatury zlikwidowali :) :(
    Jak bym miał schemat jakiegokolwiek licznika z pomiarem to bym sobie pewnie uruchomił pomiar na tym co mam.
REKLAMA