logo elektroda
logo elektroda
X
logo elektroda
REKLAMA
REKLAMA
Adblock/uBlockOrigin/AdGuard mogą powodować znikanie niektórych postów z powodu nowej reguły.

[Rozwiązano] Szukam schematu lampy stroboskopowej Łucz z ZSRR

delta85 24 Lip 2019 22:13 1047 9
REKLAMA
  • REKLAMA
  • #2 18078920
    alekt77
    Poziom 39  
    A nie ma schematu w instrukcji?
    Zobacz na tej stronie: :arrow: Link
  • REKLAMA
  • #4 18079914
    delta85
    Poziom 16  
    Witam
    Mam samą lampę, bez żadnej instrukcji stąd moje poszukiwania schematu.
    Lampa jest niesprawna i pomyślałem że może dałoby się ją naprawić. Chociaż nie błyska, to jednak słychać małe buczenie transformatora czyli układ jakoś żyje. Mam nadzieję że palnik jest sprawny, choć nie wiem jeszcze jak go sprawdzić
    Dziękuję koledzy za linki.
    Pozdrawiam
  • REKLAMA
  • #5 18080012
    aksakal
    Specjalista - urządzenia lampowe
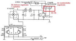
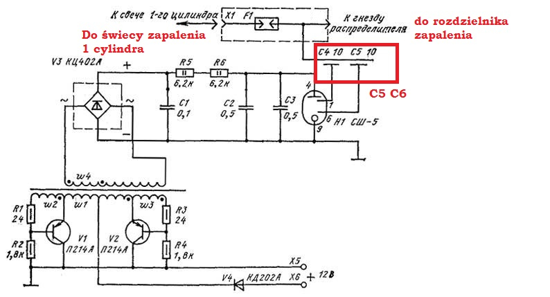
    Patrz schemat - sprawdź napięcie na kondensatorach C2 C3.
  • REKLAMA
  • #7 18080137
    aksakal
    Specjalista - urządzenia lampowe
    To norma.Aby zapalić lampę trzeba podać impuls napięcia na gniazdo ХР3
  • #8 18080460
    delta85
    Poziom 16  
    Nie wiem jak jest to rozwiązane w lampach nowszych, ale w tej wyprowadzenia 1, 6 palnika są połączone z kablem sygnałowym (XP3) poprzez nawinięcie dwóch cienkich blaszek mosiężnych na izolację zewnętrzną tego kabla. Nie ma tu bezpośredniego połączenia z instalacją zapłonową. Jest to jakby jakieś sprzężenie pojemnościowe, stąd kondensatory C5 i C6 na schemacie, których tak naprawdę nie ma.
    Połączenie tego kabla z instalacją zapłonową jest pewne.
    Czyżby lampa wyładowcza była uszkodzona...
    Jak ja sprawdzić...
  • #9 18080931
    aksakal
    Specjalista - urządzenia lampowe
    Poprawnie zrozumiałeś - jest to sprzężenie pojemnościowe i kondensatory C5 C6 to pojemność między blaszką i wewnętrzną żyłą kabla. Szukam schematu lampy stroboskopowej Łucz z ZSRR Szukam schematu lampy stroboskopowej Łucz z ZSRR
REKLAMA