logo elektroda
logo elektroda
X
logo elektroda
REKLAMA
REKLAMA
Adblock/uBlockOrigin/AdGuard mogą powodować znikanie niektórych postów z powodu nowej reguły.

[Rozwiązano] Opel Corsa D z10xep 2013r - Potrzebny schemat instalacji elektrycznej silnika.

123arni123 25 Lip 2019 23:35 5196 3
REKLAMA
  • #1 18080809
    123arni123
    Poziom 2  
    Dzień dobry.
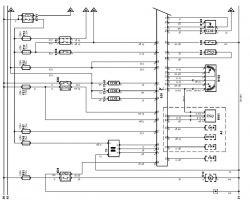
    Jak w temacie potrzebuję schemat instalacji elektrycznej silnika i skrzynki bezpieczników w komorze silnika.
    Mam cały schemat instalacji elektrycznej ale z 2007 roku i nie zgadzają się piny na wtyczce komputera silnika z tym co na schemacie, a dokładnie przewody wychodzące ze skrzynki bezpieczników do komputera silnika.
    Poratuje ktoś?
  • REKLAMA
  • REKLAMA
  • #3 18081116
    123arni123
    Poziom 2  
    Opel Corsa D z10xep 2013r - Potrzebny schemat instalacji elektrycznej silnika.
    Opel Corsa D z10xep 2013r - Potrzebny schemat instalacji elektrycznej silnika.


    Układ pinów na kostkach z 2011 roku jest taki sam co u mnie na schemacie z 2007 roku.
    Ma może ktoś schemat z rocznika 2013 może coś opel zmienił albo u mnie jest coś namieszane w aucie.

    Dodano po 1 [godziny] 16 [minuty]:

    Przewód wentylatora chłodnicy zaznaczony strzałką zielono-fioletowy idący na przekaźnik K30a u mnie znajduje się na pinie 44 a w schematach jest na pinie 14.
    Opel Corsa D z10xep 2013r - Potrzebny schemat instalacji elektrycznej silnika.

    Zdjęcie mojego sterownika silnika:
    Opel Corsa D z10xep 2013r - Potrzebny schemat instalacji elektrycznej silnika.
    Opel Corsa D z10xep 2013r - Potrzebny schemat instalacji elektrycznej silnika.

    Poratuje ktoś schematem?
  • #4 18120456
    123arni123
    Poziom 2  
    Auto naprawione u elektryka. Zamykam.
REKLAMA