logo elektroda
logo elektroda
X
logo elektroda
REKLAMA
REKLAMA
Adblock/uBlockOrigin/AdGuard mogą powodować znikanie niektórych postów z powodu nowej reguły.

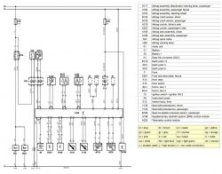
[Rozwiązano] Opel Astra G - Pinout sterownika Airbag 5WK42925 / 330518650

lato8 28 Lip 2019 15:19 2310 4
REKLAMA
  • #1 18084856
    lato8
    Poziom 16  
    Dzień dobry.

    Opel Astra G - 2003r produkcja z PL. Dwie poduszki czołowe + dwa napinacze.

    Na które piny sterownika idzie sygnał z poduszki pasażera.
  • REKLAMA
  • REKLAMA
  • REKLAMA
  • #4 18086081
    lato8
    Poziom 16  
    Dziękuje za schematy.

    Auto dostałem bez sterownika poduszek , auto w z fabryki PL z 2x czołowa poduszka i 2x napinacz, bez bocznych w fotelach.

    Założony ster srs od astry z Gliwic z tego samego roku, poduszki są wszystkie, wychodzi, że wtyczka pasuje wg. schematu do sterownika. Ster skonfigurowany tak samo pod względem ilości poduszek.

    Sterownik nie widzi poduszki pasażera - oporność 0 ohm, kable sprawdzane na razie miernikiem i ciągłość jest, nie widać ingerencji, spalonych wtyczek itp.

    Podstawić opornik 2 Ohm bo samej poduszki lepiej miernikiem chyba nie sprawdzać.


    EDIT.
    Sterownik był dobry, obsługiwał po prostu jedną poduszkę powietrzną.
  • #5 18277936
    lato8
    Poziom 16  
    Sterownik okazał się sprawny, obsługiwał po prostu jedną poduszkę powietrzną i dwa napinacze.
    Jak dostał sygnał z poduszki pasażera pokazywał głupoty.
REKLAMA