logo elektroda
logo elektroda
X
logo elektroda
REKLAMA
REKLAMA
Adblock/uBlockOrigin/AdGuard mogą powodować znikanie niektórych postów z powodu nowej reguły.

Wymiana głośnika dwucewkowego na jednocewkowy peugeot 407 system jbl

Nas19 09 Sie 2019 20:07 4038 3
REKLAMA
  • #1 18106524
    Nas19
    Poziom 8  
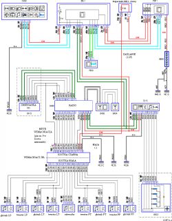
    Witam więc tak ze starości rozsypał sie głośnik basowy w bagażniku system jbl,był tam zamontowany fabryczny dwucewkowy głośnik.Kupiłem nowy jednocewkowy.Moje pytanie jest takie jak to podłączyć
  • REKLAMA
  • #2 18106633
    Konto nie istnieje
    Poziom 1  
  • REKLAMA
  • #3 18106970
    Nas19
    Poziom 8  
    Wymiana głośnika dwucewkowego na jednocewkowy peugeot 407 system jbl Wymiana głośnika dwucewkowego na jednocewkowy peugeot 407 system jbl

    Dodano po 2 [minuty]:

    Nie wiem jaki tam był fabryczny głośnik bo nie jest napisane.To jest seryjny zestaw jbl i wzmacniacz jest osobno do wszystkich głośników

    Dodano po 2 [minuty]:

    Wymiana głośnika dwucewkowego na jednocewkowy peugeot 407 system jbl Wymiana głośnika dwucewkowego na jednocewkowy peugeot 407 system jbl

    Dodano po 2 [minuty]:

    Wymiana głośnika dwucewkowego na jednocewkowy peugeot 407 system jbl

    Dodano po 7 [godziny] 16 [minuty]:

    Wymiana głośnika dwucewkowego na jednocewkowy peugeot 407 system jbl
  • #4 18116144
    SZYMON BYDGOSZCZ
    Poziom 38  
    Podłącz pod 1 pare przewodów.

    Cze + cza lub ziel + żół

    Będzie grał słabiej niż oryginał ale zawsze coś.
REKLAMA