logo elektroda
logo elektroda
X
logo elektroda
REKLAMA
REKLAMA
Adblock/uBlockOrigin/AdGuard mogą powodować znikanie niektórych postów z powodu nowej reguły.

Jak wykryć brak czujnika indukcyjnego w układzie z atmegą?

gorsomir 23 Sie 2019 20:34 429 4
REKLAMA
  • #1 18131732
    gorsomir
    Poziom 13  
    Witam
    Projektuję urządzenie które będzie zawierało 2 czujniki indukcyjne.
    Czujniki łączą z GND lub VCC (5V) w zależności w jakim są stanie.
    Chciał bym dodać możliwość wykrycia braku czujnika.
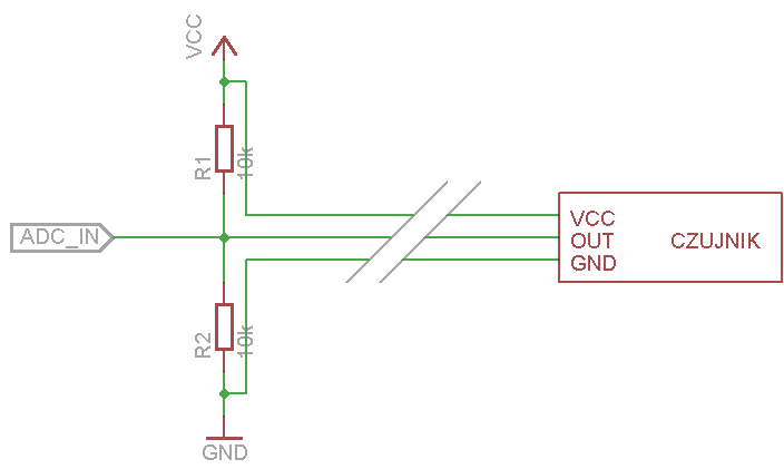
    Na chwile obecną rozważam podpięcie czujników do wejść ADC atmegi w taki sposób
    Jak wykryć brak czujnika indukcyjnego w układzie z atmegą?

    W tej sytuacji gdy nie ma czujnika na pinie pojawi się 2,5V, w innym wypadku 5V lub GND w zależności od tego co wykryje czujnik.

    lub taki
    Jak wykryć brak czujnika indukcyjnego w układzie z atmegą?
    z kolei w tej sytuacji gdy nie ma czujnika na pinie pojawi się 5V, w innym wypadku 2,5V lub GND w zależności od tego co wykryje czujnik.

    Pozostaje pytanie które rozwiązanie jest lepsze i czy samo podejście do tematu jest odpowiednie?
    Może jest jakieś inne, lepsze rozwiązanie stosowane standardowo?
  • REKLAMA
  • Pomocny post
    #2 18131822
    BlueDraco
    Specjalista - Mikrokontrolery
    Testuj stan wejścia cyfrowego przy włączonym podciąganiu do plusa, a następnie przy włączonym ściąganiu do masy. Jeśli dwa sprawdzenia dadzą różne wyniki - wejście wisi w powietrzu.
  • REKLAMA
  • #3 18131850
    gorsomir
    Poziom 13  
    Kurcze pół dnia nad tym myślałem ale na tak proste rozwiązanie nie wpadłem :(
    Dzięki za pomoc :)
    Temat do zamknięcia
  • REKLAMA
  • #4 18132045
    excray
    Poziom 41  
    Taki test powinieneś wykonać 2 razy po sobie (przynajmniej w przypadku niezgodności wyników).
  • #5 18132060
    tmf
    VIP Zasłużony dla elektroda
    BlueDraco napisał:
    estuj stan wejścia cyfrowego przy włączonym podciąganiu do plusa, a następnie przy włączonym ściąganiu do masy. Jeśli dwa sprawdzenia dadzą różne wyniki - wejście wisi w powietrzu.


    Tylko jest mały problem - ATMega, a o takiej mowa ma tylko programowe podciąganie do Vcc, nie ma do GND (to ma tylko XMEGA z AVR). Czyli rozwiązanie zaproponowane przez autora z dwoma rezystorami i ADC jest ok. Ew. można zrobić tak jak piszesz, tyle, że rezystor ok. 200 k do masy i pin cyfrowy. Przy braku czujki na wejściu jest GND (przez ten rezystor), a po włączeniu wewnętrznego podciągania jest "1" logiczna (wew. podciąganie ma ok. 50 k).
REKLAMA