Witam
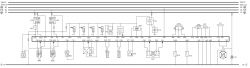
sterownik silnika SIM24 1S5X-12A650-BD szukam wyprowadzeń sterownika, szczególnie:
- pinu na który wchodzi przycisk klimatyzacji
- pinu z którego wychodzi sterowanie na przekaźnik sprężarki klimatyzacji.
Sterownik po wymianie i przekładce immo i chodzi mi wentylator na I biegu do tego w parametrach w sterowniku jest żądanie klimatyzacji, i nie da się tego wyłączyć.
Samo auto nie jest wyposażone w klimę.
sterownik silnika SIM24 1S5X-12A650-BD szukam wyprowadzeń sterownika, szczególnie:
- pinu na który wchodzi przycisk klimatyzacji
- pinu z którego wychodzi sterowanie na przekaźnik sprężarki klimatyzacji.
Sterownik po wymianie i przekładce immo i chodzi mi wentylator na I biegu do tego w parametrach w sterowniku jest żądanie klimatyzacji, i nie da się tego wyłączyć.
Samo auto nie jest wyposażone w klimę.