logo elektroda
logo elektroda
X
logo elektroda
REKLAMA
REKLAMA
Adblock/uBlockOrigin/AdGuard mogą powodować znikanie niektórych postów z powodu nowej reguły.

Honda Civic 6 silnik D14A2 - Silnik słaby na benzynie w zakresie 1500-2000 obr

michas 06 Wrz 2019 00:24 927 7
REKLAMA
  • #1 18153707
    michas
    Poziom 23  
    Witam, mam problem z moją hondą civic gen.6 96 r silnik D14A2 1,4 16V 90km. Samochód ma założoną instalację gazową 2 gen lovato. Od pewnego momentu zauważyłem ,że na benzynie auto jest słabe w zakresie 1500-2000 obr. Zacząłem szukać przyczyny zmierzyliśmy z ojcem ciśnienie w listwie wtryskowej jest ok 3 Atm.
    Zauważyliśmy ,że za kadencji poprzedniego właściciela jakiś "fachowiec" kombinował przy sondzie lambda. Okazało się ,że przewody były kiedyś sztukowane przy samej sondzie i z czasem się pourywały stwierdziliśmy ze trzeba wymienić sonde - kupiliśmy dedykowaną sondę Bosha. Po wymianie tej sondy trochę się poprawiło, ale silnik dalej jest słaby w tych zakresach obrotów.
    Przy zgłębianiu tematu zauważyłem jeszcze błąd gazownika przeciął on ekranowany przewód od sondy posłał do centralki gazowej i sygnał wraca pętlą przez centralkę do ECU (drugiego końca rozcięcia), niby prawidłowo dla wielu silników ale wg schematu org. lovato w silniku D14A2 nie przecina się kabla sygnałowego tylko robi się "wpinkę" jednego kabla centralki gazowej a drugi przewód centralki zostawia się niepodłączony.
    Po poprawie błędu gazownika nic się nie zmieniło.
    Zrobiłem teraz interfejs K-line i podłącze się do złącza serwisowego może zadziała z rosyjskim programem honda obd pc scanner ale jak zadziała to nie wiem na co zwrócić uwagę, może wyjdą jakieś błędy na ECU lecz lampka check engine zapala się po przekręceniu zapłonu i gaśnie po odpaleniu silnika.

    Może przerabialiście podobny temat i pomożecie :)
    Pozdrawiam
    Michał
  • REKLAMA
  • REKLAMA
  • #3 18154509
    michas
    Poziom 23  
    Podpytam ,bo z samochodami mam mało do czynienia (jestem elektronikiem) czy to iż samochód dobrze zachowuje się na gazie nie wyklucza uszkodzenia świec?
    Chciałem jeszcze dodać, że jak silnik jest na ssaniu to chodzi dobrze problem się pojawia po nagrzaniu silnika.

    Pozdrawiam
    Michał
  • REKLAMA
  • #4 18154574
    DriverMSG
    Admin grupy komputery
    michas napisał:
    czy to iż samochód dobrze zachowuje się na gazie nie wyklucza uszkodzenia świec?
    Nie tak do końca. Oba paliwa inaczej się spalają.
    Co nie zmienia faktu, że świece trzeba wymieniać.

    michas napisał:
    Chciałem jeszcze dodać, że jak silnik jest na ssaniu to chodzi dobrze problem się pojawia po nagrzaniu silnika.
    Więc sprawdź (podmień) czujnik temperatury silnika.
  • #5 20704169
    michas
    Poziom 23  
    Witam, odgrzewam temat ponieważ problem nie został rozwiązany, a auto po odpaleniu na benzynie zaczęło szarpać i gasnąć ,że jechać nie idzie przy tym słychać charakterystyczne "klikania" z komory silnika. Gdy szybko przerzucę na gaz da się jechać w miarę dobrze jest mały deficyt mocy ale silnik pracuje bez stuków.
    Co do kontrolki Check Engine - mechanik znalazł oszustwo w desce rozdzielczej -żarówka była zaizolowana i podłączona do kontrolki ciśnienia oleju. Teraz zostało to przywrócone do pierwotnego stanu. Okazało się ze check pali się cały czas a samodiagnostyka wykazuje błędy 17 - błąd czujnika prędkości pojazdu oraz 41 -błąd sondy lambda.Dodam ,że prędkościomierz i obrotomierz pokazują prawidłowe wartości.
    Za wszelkie wskazówki z góry podziękował :P

    Michał
  • #6 20704188
    maniak0790
    Poziom 23  
    Czy była przeprowadzona regulacja luzu zaworów?
  • #7 20705435
    michas
    Poziom 23  
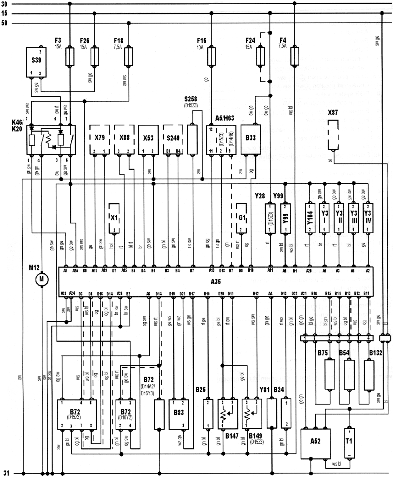
    Witam ponownie skupiłem się na obwodzie sondy lambda znalazłem schemat podłączenia komputera 37820-P1J-E11 który zamieszczam dla potomnych Honda Civic 6 silnik D14A2 - Silnik słaby na benzynie w zakresie 1500-2000 obr
    wg schematu sonda 4 przewodowa

    zacisk nr 1 kolor przewodu biało-czerwony +ekran leci do komputera na zacisk D14 (sygnał)

    zacisk nr 2 przewód zielono-niebieski zacisk komputera D22

    zacisk nr3 przewód zółto-czarny leci do zasilania przez przekaźnik oraz zacisku komputera A25 zasilanie sondy

    zacisk 4 przewód pomarańczowo-czarny leci do zacisku komputera A6 powrót grzałki sondy.

    w starszym komputerze takim jak mój wtyczki wyglądają w ten sposób Honda Civic 6 silnik D14A2 - Silnik słaby na benzynie w zakresie 1500-2000 obr

    Pomiar między zaciskami 3 i 4 (zasilanie grzałki sondy) wykazał że gdy sonda jest wypięta pojawia się 12V natomiast po podpięciu sondy (obciążając grzałką) napięcie przysiada do 0 .
    Pomiar wykonany także przy zaciskach komputera.

    Rozkrecam komputer. Dodam ,że przy starej sondzie przewody były poprzecinane przez poprzedniego właściciela a przewody przerobione na wsuwki docelowo poobrywały się i być może doszło do jakiegoś zwarcia które uszkodziło obwód sondy.
    Gdyby ktoś miał jakięs wnioski proszę o wypowiedź.
    PS rozkręciłem komputer znalazłem układ scalony STA413A w obwodzie sterowania grzałki układ składa się z 4 tranzystorów jeden z nich steruje sondą i ma zwarcie kolektor baza. Muszę kupić chyba u Chińczyków bo tutaj nie ma.
    Pozdrawiam
    Michał
  • REKLAMA
  • #8 21171995
    michas
    Poziom 23  
    Witajcie przepraszam za odkopywanie tematu ale chciałem dopisać kontynuację historii , zakupiłem 3 sztuki nowych układów STA413A na aliexpress niestety nie zdecydowałem się zamienić uszkodzonego z komputera na nowy, ponieważ sprawdzając miernikiem te chińskie scalaki zachowują się jak drabinka rezystorowa :) a nie jak tranzystory npn w strukturze. Wszystkie sztuki tak samo. Natomiast oryginalny wykazuje tranzystory npn (jeden z nich uszkodzony) Może ktoś wie skąd pozyskać taki układ (pewny) ?
    W każdym razie uważajcie kupując scalaki szczególnie mało popularne u Chińszczyków :)

    Pozdrawiam
    Michał
REKLAMA