Dzień dobry,
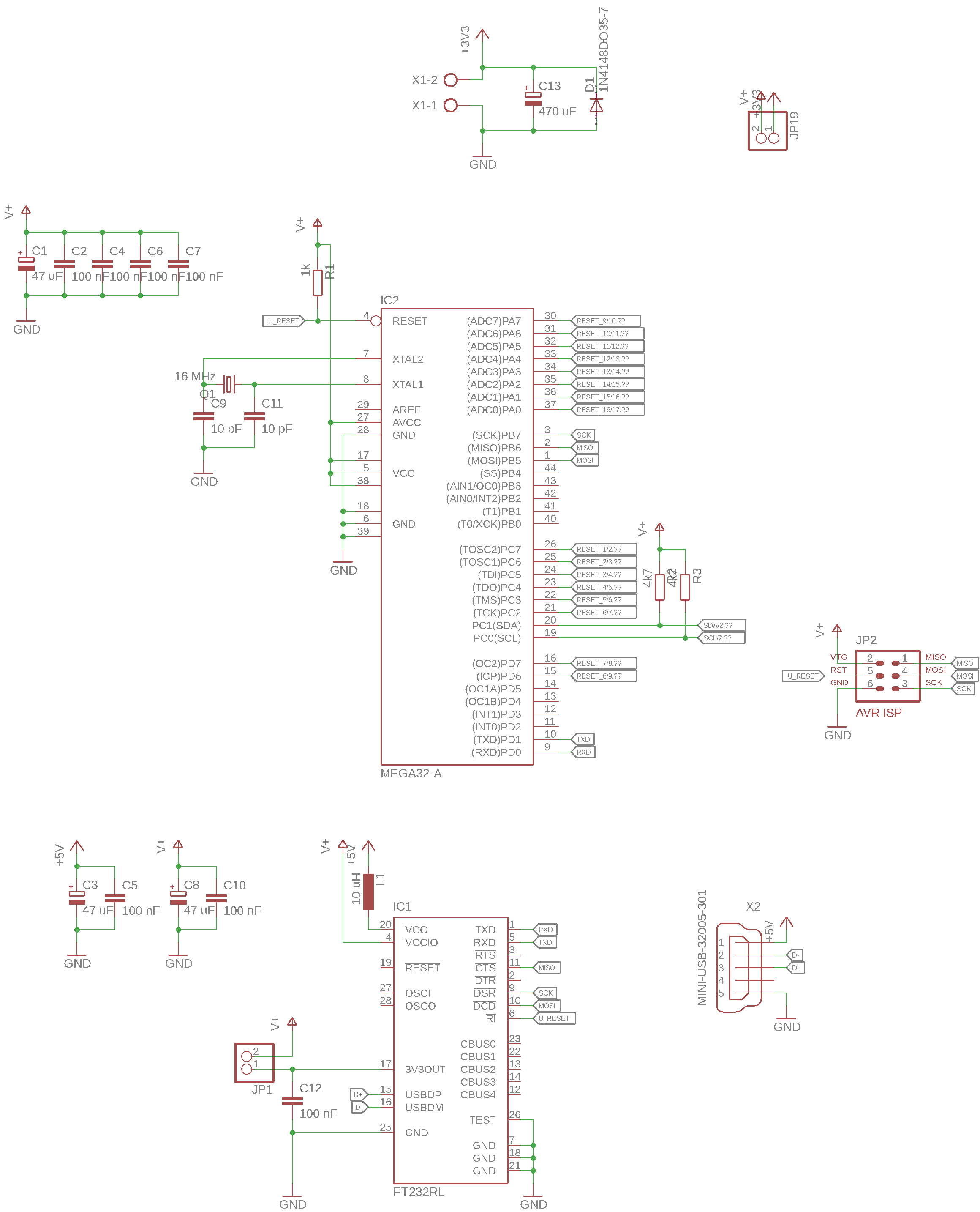
projektuję układ, którego prototyp został wykonany, i chciałbym prosić o sprawdzenie poprawności połączeń.
Głównie chodzi mi o podłączenie FT232 do uC. Czy powinienem łączyć MOSI, MISO, SCK, RESET między tymi układami? Czy te połączenia są błędne? Do uC chciałbym wgrać bootloader za pomocą USBASP podłączonego do gniazda kanda widocznego na schemacie, a następnie programować w Arduino IDE przez USB i FT232.

projektuję układ, którego prototyp został wykonany, i chciałbym prosić o sprawdzenie poprawności połączeń.
Głównie chodzi mi o podłączenie FT232 do uC. Czy powinienem łączyć MOSI, MISO, SCK, RESET między tymi układami? Czy te połączenia są błędne? Do uC chciałbym wgrać bootloader za pomocą USBASP podłączonego do gniazda kanda widocznego na schemacie, a następnie programować w Arduino IDE przez USB i FT232.
