logo elektroda
logo elektroda
X
logo elektroda
REKLAMA
REKLAMA
Adblock/uBlockOrigin/AdGuard mogą powodować znikanie niektórych postów z powodu nowej reguły.

Renault Modus - Zamiana radia tuner list na update list

michu02pl 25 Wrz 2019 17:41 3423 13
REKLAMA
  • #1 18186264
    michu02pl
    Poziom 12  
    Witam proszę wszystkich o pomoc co zrobić przy zamianie radia tuner list na update list w renault modus 2005 rok.
    Posiadam wyświetlacz od rocznika 2008 oraz radio z tego samego roku,po podłączeniu brak komunikacji z lcd ,co jeszcze trzeba by zrobić?
  • REKLAMA
  • #2 18187248
    adam white
    Spec od car audio
    Wystarczy radio i wyświetlacz. Jeśli wyświetlacz jest dla UPDATE LIST (te, które znałem miały 1 czarne złącze) i oba elementy (radio i wyświetlacz) są sprawne to problem może leżeć tylko w wiązce połączeniowej - nie jest taka, jak dla TUNER LISTA.
    Najlepiej proszę zamieścić zdjęcia tego, co Pan ma.
  • REKLAMA
  • REKLAMA
  • REKLAMA
  • #7 19201797
    d1a2n3e4
    Poziom 2  
    Witam wszystkich
    Proszę o pomoc przy podłączeniu radia upadete list do modusa 2004 rok. Tutaj jest kostka przy wyświetlaczu czarna ALE ma 40 PINÓW.
    Podłączał ktoś ???
  • #8 19203084
    milejow
    Poziom 43  
    W przypadku update list połączenie jest prostsze bo realizowane tylko 3 kablami-CAN multimedia (to nie jest ten sam CAN co w reszcie sterownikòw) i sygnał aktywacji z radia dla wyświetlacza.Trzeba zaopatrzyć się w schematy obu systemòw i do dzieła.Do przedlifta mogę udostępnić,z poliftem może być gorzej.
  • #9 19203290
    d1a2n3e4
    Poziom 2  
    Witam prosił bym o schemat do przedliftowego
  • #10 19204309
    milejow
    Poziom 43  
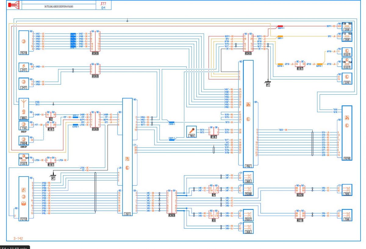
    Schemacik modusa.
    Patrząc na schemat, przypuszczam, że jest jednak do polifta bo widzę CAN multimedia z radia do zegarów.
    Renault Modus - Zamiana radia tuner list na update list
    Renault Modus - Zamiana radia tuner list na update list

    247-wskaźniki
    261-radio
  • #11 19204790
    d1a2n3e4
    Poziom 2  
    Witam.Dzięki za schemat ale wiele on mi nie pomorze . Wolał bym opis połączenia żółtej kostki z radia upadete list do kostki 40 pinowej wyświetlacza jaki pin do jakiego. W tej chili po podłaczeniu radia świeci się tylko zegar i temperatura. Być może trzeba po zamieniać piny.Wiem że jest to możliwe przy 24 pinowej kostce.Dzięki
    Pozdrawiam
  • #12 19205866
    SZYMON BYDGOSZCZ
    Poziom 38  
    d1a2n3e4 napisał:
    Wolał bym opis połączenia żółtej kostki z radia upadete list do kostki 40 pinowej wyświetlacza jaki pin do jakiego.


    Przecież masz go w poście powyżej.
  • #13 19206383
    milejow
    Poziom 43  
    Pin1 żółte iso z radia do pin 11 zegarów
    Pin2 zolte iso z radia do pin 12 zegarów
    Sygnał aktywacji (włączenie wyświetlacza po włączeniu radia) powinien pasować.
  • #14 19209873
    d1a2n3e4
    Poziom 2  
    Witam. Dzięki za informacje jak tylko znajdę wolną chwilę to działam. Pozdrawiam
REKLAMA