logo elektroda
logo elektroda
X
logo elektroda
REKLAMA
REKLAMA
Adblock/uBlockOrigin/AdGuard mogą powodować znikanie niektórych postów z powodu nowej reguły.

[Rozwiązano] Saab 9-5 NG - Schematy komunikacji danych Saab 9-5 NG

grzegorz_58 22 Paź 2019 14:17 1545 2
REKLAMA
  • #1 18233050
    grzegorz_58
    Poziom 1  
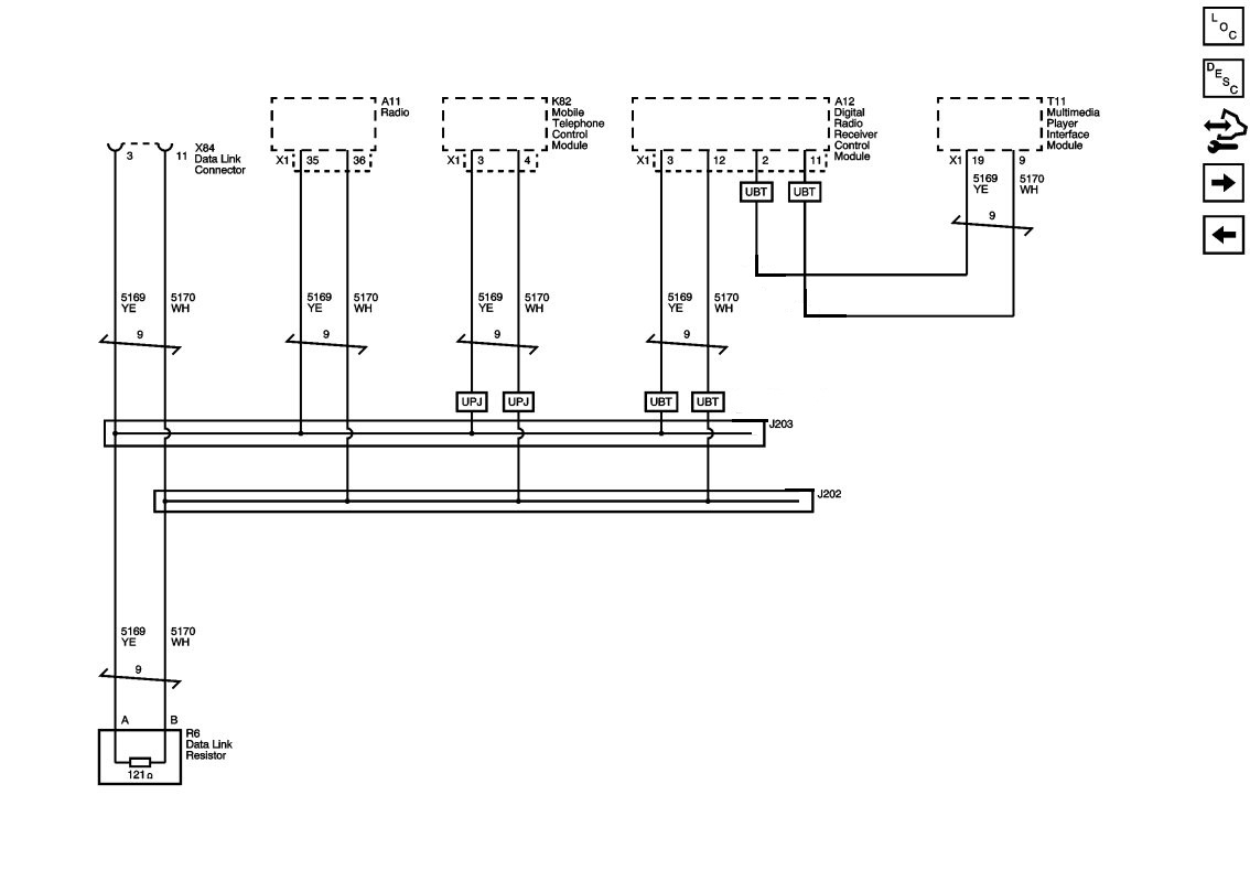
    Potrzebna pomoc w zrozumieniu schematu komunikacji danych, a dokładnie podłączenia modułu UBT.

    Saab 9-5 NG - Schematy komunikacji danych Saab 9-5 NG

    Bo ja rozumiem to tak:
    -jeśli jest moduł KTA (T11)
    pin 2 (A12) ----- pin 19 (T11) żółty
    pin 11 (A12) ---- pin 9 (T11) biał
    -jeśli nie ma modułu KTA
    pin 2 (A12) ---- szyna J203 żółty
    pin 11 (A12) ---- szyna J202 biały
    Za wszystkie uwagi z góry dziękuje
  • REKLAMA
  • #2 18235765
    decybel91
    Poziom 42  
    Biały do białego. Żółty do żółtego. Nie rozumiem pytania?
  • #3 18236497
    grzegorz_58
    Poziom 1  
    Moduł UBT na na schemacie to A12.
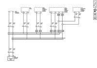
    Schemat wygląda tak gdy jest moduł UBT (na schemacie UBT)

    Saab 9-5 NG - Schematy komunikacji danych Saab 9-5 NG

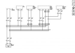
    a tak jak nie ma modułu UBT (na schemacie -UBT)

    Saab 9-5 NG - Schematy komunikacji danych Saab 9-5 NG
REKLAMA