logo elektroda
logo elektroda
X
logo elektroda
Adblock/uBlockOrigin/AdGuard mogą powodować znikanie niektórych postów z powodu nowej reguły.

[Rozwiązano] Sygnał can H za wysoki- co to znaczy i gdzie szukać przyczyny?

To_masz224 27 Paź 2019 23:16 3525 32
  • #1 18243431
    To_masz224
    Poziom 6  
    Witam. Mam problem w aucie, mianowicie wyskakuje mi błąd komunikacji z elektroniczną przepustnicą(ETM)- sygnał za wysoki (ECM- sterownik silnika nie widzi przepustnicy) oraz z licznikiem(CDM) sygnał can H za wysoki i can L za wysoki. Licznik działa poprawnie. Podmieniłem sterownik silnika, przepustnice i licznik i błedy cały czas występują

    Sygnał can H za wysoki- co to znaczy i gdzie szukać przyczyny?
  • #3 18243538
    pepe150
    Poziom 36  
    Sprawdź jakie napięcie jest na liniach Can H i Can L względem masy.
  • #4 18243540
    To_masz224
    Poziom 6  
    rosak napisał:
    CAN za wysoki? Pokaż ten błąd bo nie wierzę..


    Sygnał can H za wysoki- co to znaczy i gdzie szukać przyczyny?
  • #5 18243783
    rosak
    Specjalista liczniki samochodowe
    Ok uwierzyłem, choć nie ma to sensu. CAN transceiver przyjmuje do +40V a licznik nie mierzy napięcia na CAN.
    Z Twojego zdjęcia przynajmniej widzę teraz, że auto to Volvo. VIDA jest świetnym programem, do każdego symptomu masz pomoc i podpowiedzi co jak działa, co i gdzie sprawdzić/pomierzyć.
  • #6 18244064
    To_masz224
    Poziom 6  
    @rosak tak. Volvo c70 2.3T5, 2 miesiące temu miałem ten sam problem. Pewnego dnia poprostu znikł aż do teraz. Z vidą owszem, fajny program szkoda że nie ma po polsku, a mój angielski to jako tako :)
    Podmieniłem wszystko co z canem ma wspólnego. Licznik, sterownik, przepustnice, nawet alternator i kompletnie nie mam pojęcia o co chodzi. Sprawdziłem też wizualnie CAN od sterownika do przepustnicy i żadnych przetarć, uszkodzeń nie ma
  • #9 18244221
    To_masz224
    Poziom 6  
    @pepe150 CAN L- 2.28v
    CAN H- 2.68v
    Pomiar oporności na wyłączonym zapłonie: 122ohm

    Dodano po 10 [minuty]:

    viayner napisał:

    Do analizy czy petla jest zamknieta, i czy sa i jakie terminatory.
    Pozdrawiam

    Oporność 122ohm więc z tego co wiem to pętla jest otwarta. Gdzie mogę znaleźć te terminatory?
  • #10 18244254
    pepe150
    Poziom 36  
    To_masz224 napisał:
    @pepe150 CAN L- 2.28v
    CAN H- 2.68v
    Pomiar oporności na wyłączonym zapłonie: 122ohm

    Dodano po 10 [minuty]:

    viayner napisał:

    Do analizy czy petla jest zamknieta, i czy sa i jakie terminatory.
    Pozdrawiam

    Oporność 122ohm więc z tego co wiem to pętla jest otwarta. Gdzie mogę znaleźć te terminatory?


    Sygnał can H za wysoki- co to znaczy i gdzie szukać przyczyny?
  • #11 18244285
    rosak
    Specjalista liczniki samochodowe
    willyvmm napisał:
    Transceiver TOLERUJE napiecie bez uszkodzenia w szerokich granicach ale to wcale nie oznacza ze takie napięcie jest poprawne!


    Masz rację, ale jak pisałem

    rosak napisał:
    licznik nie mierzy napięcia na CAN


    To_masz224 napisał:
    CAN L- 2.28v
    CAN H- 2.68v
    Pomiar oporności na wyłączonym zapłonie: 122ohm


    Jest dobrze. Nie wiem, skąd kolega viayner wziął pomysł z pętlą i jej zamknięciem ale mniejsza o to. Ma być 120ohm między CANH i CANL więc jest ok, zresztą gdyby nie było ok, nie działałby Ci licznik i inne systemy a piszesz, że działa.
  • #12 18244342
    To_masz224
    Poziom 6  
    @rosak skoro jest okej to gdzie szukać przyczyny?
    Działa wszystko po za przepustnicą

    Dodano po 1 [godziny] 51 [minuty]:

    Z tego co widzę jest to równoległy układ
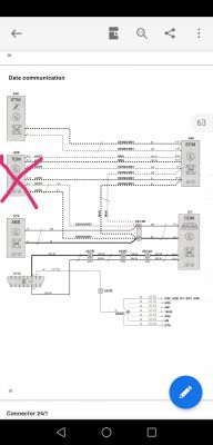
    Sygnał can H za wysoki- co to znaczy i gdzie szukać przyczyny?

    Sieć CAN u mnie wygląda tak jak by była szeregowa.

    Sygnał can H za wysoki- co to znaczy i gdzie szukać przyczyny?
    I nie rozumiem do końca zasady działania z pierwszego obrazka względem drugiego. Na pierwszym widać że każdy moduł jest ze sobą połączony, a u mnie nie jest połączony ABS z przepustnicą (ETM). Wytłumaczy mi ktoś skąd ta różnica?
  • #13 18244721
    dymek112
    Poziom 12  
    Terminatory są zwykle w ECU i ABS, wątpię żeby tu było inaczej, jeśli w OBD masz 122Ohm to coś jest nie tak, powinno być 60.
  • #14 18244730
    To_masz224
    Poziom 6  
    dymek112 napisał:
    Terminatory są zwykle w ECU i ABS, wątpię żeby tu było inaczej, jeśli w OBD masz 122Ohm to coś jest nie tak, powinno być 60.

    Nie mierzyłem przez OBD, tylko przy przepustnicy. I napięcie i rezystancje. Ale faktycznie sprawdzę przy podłączonych wszystkich odbiornikach, zapomniałem o tym.
  • #15 18244807
    rosak
    Specjalista liczniki samochodowe
    To_masz224 napisał:
    Sieć CAN u mnie wygląda tak jak by była szeregowa.


    Bo w Volvo, w przeciwieństwie do innych marek oraz logiki, większość (jeśli nie wyszystkie) modułów pełni rolę mostka CAN, czyli "wchodzą" obie linie do modułu, w module jest mostek na wyjście i z modułu wychodzą dalej (tak jak na Twoim "rysunku" :). W teorii, kiedy wszystko jest podłączone i sprawne nie robi to różnicy, ale kiedy odłączysz jeden moduł przerywasz komunikację ze wszystkim co znajduje się dalej.
    W module znajduje się mostek, poprostu piny wejścia i wyjścia są ze sobą połączone, więc jakakolwiek usterka danego modułu nie przerywa komunikacji, dopiero odłączenie go przerywa (no chyba, że popękały luty w złączu ale to się rzadko zdarza jeśli w ogóle).
  • #16 18244833
    To_masz224
    Poziom 6  
    @rosak ogólnie na Volvo nie narzekam bo jest strasznie prosto i logicznie skonstruowane auto. Po za elektroniką.. Tutaj faktycznie Vovlo jest wbrew logiki 😀

    Wracając do tematu. U mnie nie ma ewidentnie połączenia na ostatnim ogniwie czyli przepustnicy. Dziwi mnie ten błąd: signal to high. Jedynym podejrzanym jest sterownik. Tylko podmieniłem na drugi i jest to samo. Nie wiem gdzie już szukać przyczyny
  • #17 18244834
    viayner
    Poziom 43  
    Witam,
    rosak napisał:
    ...Nie wiem, skąd kolega viayner wziął pomysł z pętlą i jej zamknięciem ale mniejsza o to. Ma być 120ohm między CANH i CANL więc jest ok, zresztą gdyby nie było ok, nie działałby Ci licznik i inne systemy a piszesz, że działa.

    Nie 120 a 60ohm na obu koncach masz 120ohm i one tworza te petle. Jak masz 120 to nie masz petli masz problemy jak kolega opisuje - nie zgadzaja sie poziomy sygnalow itd.
    Pozdrawiam
  • #18 18244918
    To_masz224
    Poziom 6  
    @viayner to jak w końcu ma być bo już nie wiem 😅 tak jak na zdjęciu które przesłałem wyżej? 120ohm to przerwa w sieci tak? Przyznam się że nie sprawdziłem przez OBD tylko odłączając przepustnice. Sprawdzę poprawnie i dam znać. Więc jeśli wszystko jest okej to powinno być 60ohm? A napięcie? Jak kojarzę to can L powinien mieć między 1.5 a 2.5v a can H między 2.5 a 3.5v tak?
  • Pomocny post
    #19 18244954
    dymek112
    Poziom 12  
    Tak, ma być 60Ohm, wtedy oznacza to, że oba terminatory są podłączone, ale nie koniecznie będzie to oznaczać, że jest dobrze, bo może być np. odłączony sterownik nie posiadający terminatora. Co do napięć to szczerze powiem, że nie pamiętam.
  • #20 18245029
    To_masz224
    Poziom 6  
    @dymek112 sprawdziłem ciągłość przewodów can od sterownika do przepustnicy i nie ma przejścia między canem H a L. Nie ma też przebicia do masy i do plusa
  • #21 18245268
    rosak
    Specjalista liczniki samochodowe
    viayner napisał:
    Jak masz 120 to nie masz petli masz problemy jak kolega opisuje


    Jakie problemy? Wytłumacz to albo sprecyzuj bo inaczej tylko zaśmiecasz wątek. Kolega opisuje, że wszystko działa poza jednym modułem, według Ciebie, jeżeli nie ma terminacji z jednej strony na sieci 125kbps to wszystkie moduły działają poza jednym??

    viayner napisał:
    nie zgadzaja sie poziomy sygnalow itd


    No tu już pojechałeś.

    To_masz224 napisał:
    sprawdziłem ciągłość przewodów can od sterownika do przepustnicy i nie ma przejścia między canem H a L. Nie ma też przebicia do masy i do plusa


    Nie ma być żadnych przejść, CANH i CANL to 2 osobne linie/przewody. Gdybyś miał albo zwarcie na CAN albo jakiekolwiek przebicie do masy/plusa nie działało by nic. Co więcej- nie połączyłbyś się VIDA i nie zczytał żadnych błedów ani nie dokonał żadnej diagnostyki. Jak myślisz, jak się komunikuje VIDA z systemem? Właśnie po CAN.

    Ci co piszą o terminacji oczywiście mają rację, tak to w teorii powinno wyglądać ale u Ciebie nie tędy droga, zostaw już te pomiary CAN. Lepiej obejrzyj na YT jakiś instruktaż do VIDA bo tam możesz znaleźć szczegółową informację o usterce.

    Dodano po 2 [minuty]:

    To_masz224 napisał:
    ogólnie na Volvo nie narzekam bo jest strasznie prosto i logicznie skonstruowane auto


    Też nie narzekam, sam używam.
  • #22 18245361
    To_masz224
    Poziom 6  
    @rosak wiem jak się vida łączy :) z tym że nie łączy się z przepustnicą więc analogicznie jest problem z połączeniem między sterownikiem a przepustnicą a jak wynika ze schematów po odłączeniu ETM reszta będzie działać, bo jest połączona tylko z ECU, więc sprawdziłem przewody na tym odcinku i są ok. W sumie teraz tak myślę że sygnał jest tylko pisze że za wysoki. I gdzie tu szukać przyczyny? Jak za niski to okej, słaby prąd w aucie ale za wysoki? Owszem miałem ładowanie 16v ale alternator zmieniony i jest już wszystko w normie.

    Tam mi coś pisało o tym dlaczego wywala błąd. Jak dobrze zrozumiałem to był coś tam że jeżeli sygnał przekracza 4v w ciągu 3sekund to jest błąd can signal to high czy coś takiego. Muszę to bardziej przeanalizować aczkolwiek nie będzie łatwo w obcym języku :) może doszukam się co sprawdzić. Bo w tym wypadku chyba nie znalazłem procedury
  • #23 18245386
    rosak
    Specjalista liczniki samochodowe
    To_masz224 napisał:
    więc analogicznie jest problem z połączeniem między sterownikiem


    Z połączeniem tak, ale nie ma możliwości że CAN tam jest zwarty/nie sterminowany/ma przebicie do masy itd, bo gdyby tak było, nie działałaby cała sieć, a nie tylko jej odcinek.

    To_masz224 napisał:
    Jak za niski to okej, słaby prąd w aucie ale za wysoki?


    Po sieci CAN leci sygnał, to nie jest prąd. Jego wartość Hi to poprostu Vcc transceivera, a to z kolei bierze się z LDO, który to z kolei musiałby dostać mniej niż powiedzmy 5V z akumulatora (5V - spadek na diodzie).

    Wiem, że VIDA Ci tak podaje że jest za wysoki albo za niski ale nie wiem skąd im się to wzięło, nie rozumiem co to oznacza ale NA PEWNO nie to, że jest tam za wysokie/niskie napięcie, bo nic tego nie mierzy.
  • #24 18245395
    To_masz224
    Poziom 6  
    @rosak dzięki za wyjaśnienie :) a jeżeli było by źle oprogramowane w ECU to wcale by nie działało nie? Nie ma możliwości żeby nagle się program zepsuł. Po za tym podmieniłem na inne ECU. A czy coś po za siecią can może zakłócać sygnał? Już nie wiem co mam wymyślać dalej :/ tak czy inaczej dzięki za pomoc.
  • #25 18245470
    abart64
    Poziom 33  
    rosak napisał:
    Nie ma być żadnych przejść, CANH i CANL to 2 osobne linie/przewody. Gdybyś miał albo zwarcie na CAN albo jakiekolwiek przebicie do masy/plusa nie działało by nic.

    Wg schematu z ECM wychodzi 2x CAN (4 przewody na 4 pinach), raz tylko do przepustnicy i raz do licznika i jednocześnie reszty.
  • Pomocny post
    #26 18245580
    dymek112
    Poziom 12  
    CAN za wysoki oznacza po prostu przerwę w obwodzie. Sprawdziłeś kompletną instalację do przepustnicy? Może brakuje zasilania/masy, stąd ten cyrk, bez prądu na przepustnicy też nie będzie ona wysyłać sygnałów CAN.
  • #27 18245591
    To_masz224
    Poziom 6  
    @dymek112 tak sprawdzona. Sprawdziłem masę w kostce do plusa w aku i plusa w kostce do masy na aku. Spróbuję może podać + bezpośrednio z aku

    Dodano po 5 [godziny] 58 [minuty]:

    Temat rozwiązany. Luźna masa od przepustnicy :) dla potomnych- masa od przepustnicy w Volvo serii P80 na sterowniku ME7 znajduje się nad rozrusznikiem. Nie trzeba nic rozkręcać widać tą śrubke
  • #30 18247352
    To_masz224
    Poziom 6  
    @Hart3 w pracy elektryk powiedział żebym sprawdził zasilenie żarówką a nie multimetrem. Sprawdziłem zasilanie kilka razy ale multimetrem i było w porządku. Natomiast żarówka się nie świeciła :) tak czy inaczej dziękuje wszystkim za pomoc i zgłębienie jak działa magistrala CAN
REKLAMA