Witam.
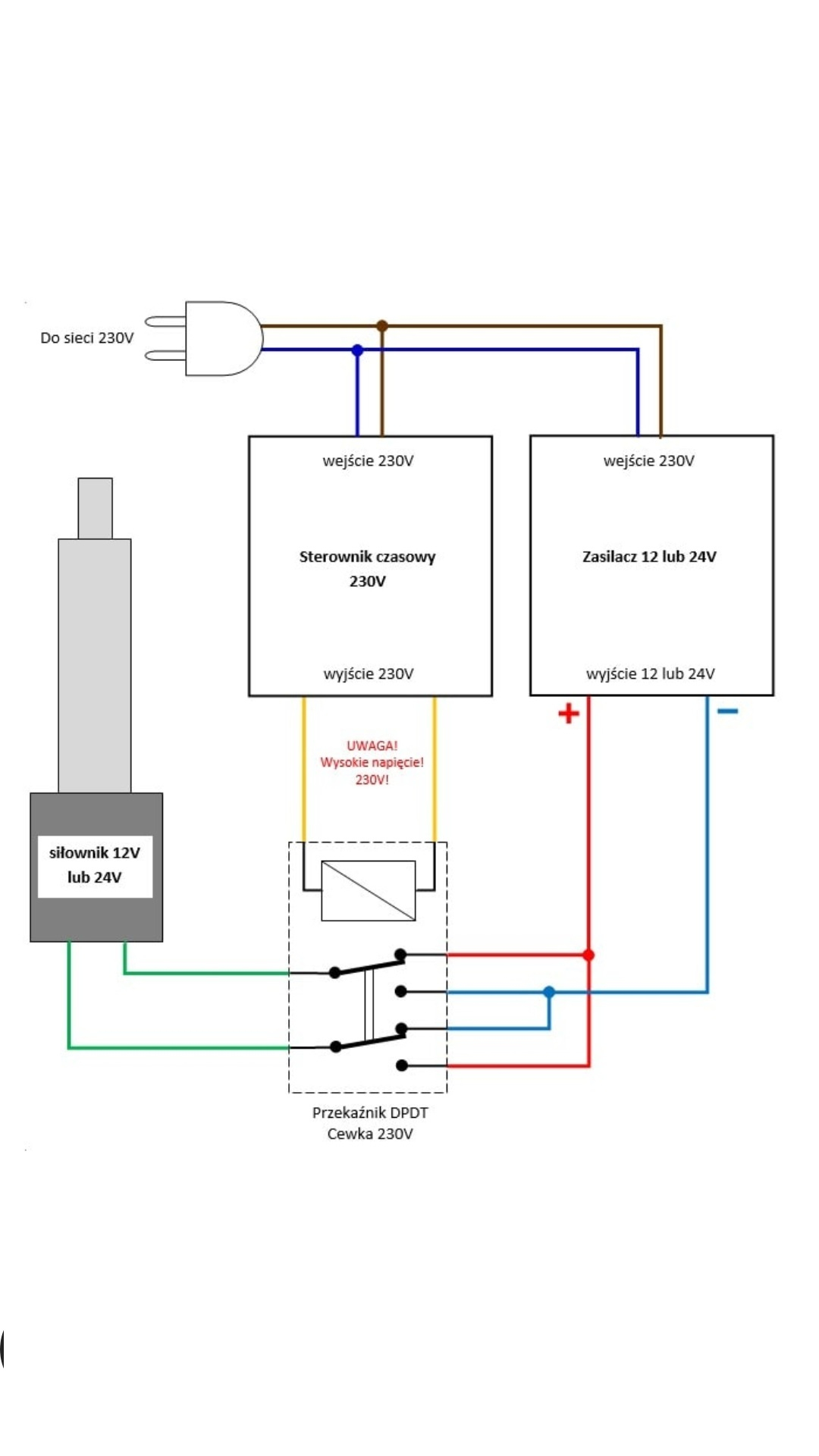
Wymyśliłem sobie automatycznie otwierane drzwi do mojego kurnika, tak aby rano się same otwierały i wieczorem o danej godzinie zamykały.
Kupiłem siłownik, przekażnik, oraz wyłącznik czasowy, tylko nie umiem tego wszystkiego podłączyć. Mam schemat tylko proszę o pomoc, które wyjścia "nóżki" do czego mam podłączyć. Może mi ktoś ponumerować na moim schemacie podłączenia według mojego przekaźnika?

Wymyśliłem sobie automatycznie otwierane drzwi do mojego kurnika, tak aby rano się same otwierały i wieczorem o danej godzinie zamykały.
Kupiłem siłownik, przekażnik, oraz wyłącznik czasowy, tylko nie umiem tego wszystkiego podłączyć. Mam schemat tylko proszę o pomoc, które wyjścia "nóżki" do czego mam podłączyć. Może mi ktoś ponumerować na moim schemacie podłączenia według mojego przekaźnika?