Witam
Mam problem z moją Hondą CRV 1 1999r 2.0 MPI 16V DOHC
Zacznę od początku:
Samochód odpala, na początku gasł po puszczeniu gazu dopóki się nie rozgrzał (taki kupiłem), po rozgrzaniu było ze 400 obrotów bez gazu, po sprawdzeniu wymigał mi błąd 7 i 9.
7 to TPS, który faktycznie był uszkodzony (ułamana ośka), wymieniłem na inny i błąd 7 zniknął, jednakże nic kompletnie się nie zmieniło w pracy silnika.
Podkręciłem śrubką podpierającą przepustnicę obroty, żeby dało się jeździć i zacząłem diagnozować błąd 9:
- rozebrałem aparat zapłonowy - czujnik zmierzyłem, ma ok 350ohm na kostce, czyli zgodnie z serwisówką, tyle samo co 2 pozostałe czujniki, ośka aparatu zapłonowego sztywna, niema żadnych luzów, więc łożysko aparatu zapłonowego w porządku (wyczytałem że to też może być przyczyną błędu 9), nie ma też żadnego przejścia czujnika do masy, kółko z ząbkiem nie ma luzów
- sprawdziłem wiązkę do samego komputera - sygnał z czujnika dochodzi
- rozebrałem komputer, sprawdziłem, że sygnał dochodzi do hybrydy do której dochodzą sygnały z czujników, przy hybrydzie był jeden niezbyt ładnie wyglądający kondensatorek 100uf, wymieniłem go, nie pomogło, niema w pobliżu żadnych innych kondensatorów, a pozostałe w komputerze wyglądają dobrze.
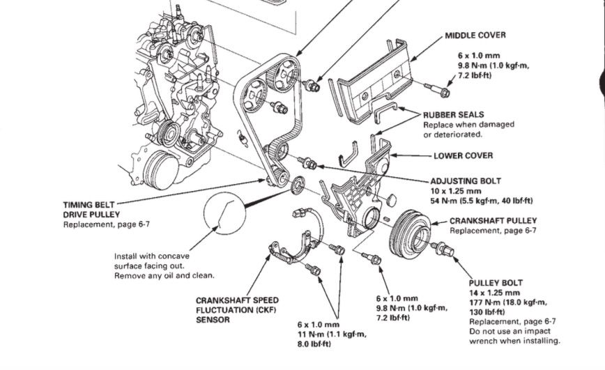
- wyczytałem też, że błąd może być przez przestawiony rozrząd, rozrząd i tak wypada wymienić, więc kupiłem pasek i simeringi wału i wałków (ciekły) i wymieniłem, wyczyściłem przy okazji czujnik położenia wału oraz cały ten bok silnika, rozrząd ustawiłem na znaki wg. serwisówki Hondy, zdaje mi się, że wcześniej był przestawiony rozrząd o 1 ząbek na wale, ale nic to nie pomogło (błąd dalej jest, choć silnik zdaje się być żwawszy)
- ustawiłem zawory (ssanie 0.1, wydech 0.2), nie pomogło
Nie mam już więcej pomysłów czego się czepić, fajnie było by mieć na podmiankę aparat zapłonowy, ale nie mam skąd wziąć, a w zakupie są okropnie drogie (używka od 400zł), komputera pewnie i tak się nie da podmienić, bo zapewne ma immobilajzer
Może ma ktoś jakieś doświadczenie z takim problemem, albo jakieś pomysły?
Ogólnie, żeby nie było, że czepiam się głupot, bo skoro jeździ to jeździ, a samo to, że się świeci Czek w niczym mi by nie przeszkadzało, no ale niestety jeździ tylko na benzynie, na gazie (sekwencja BRC) wolne obroty trzeba podnieść na jakieś 1500, żeby nie gasł, a to już jest przegięcie, z tego co czytałem, to ten CYP jeśli nie działa, to nie działa wtrysk sekwencyjny, tylko działają wszystkie wtryskiwacze na raz, nie wiem czy to prawda, ale jeśli tak to zapewne powoduje, że sekwencja głupieje, choć na sekwencjach nie znam się za bardzo, ale trochę mi szkoda ją wywalać i zakładać mikser, bo ponoć BRC to najlepsze sekwencje, choć to rozwiązało by wszystkie problemy
Wrzucam orginalną serwisówkę Hondy do CRV 1
Mam problem z moją Hondą CRV 1 1999r 2.0 MPI 16V DOHC
Zacznę od początku:
Samochód odpala, na początku gasł po puszczeniu gazu dopóki się nie rozgrzał (taki kupiłem), po rozgrzaniu było ze 400 obrotów bez gazu, po sprawdzeniu wymigał mi błąd 7 i 9.
7 to TPS, który faktycznie był uszkodzony (ułamana ośka), wymieniłem na inny i błąd 7 zniknął, jednakże nic kompletnie się nie zmieniło w pracy silnika.
Podkręciłem śrubką podpierającą przepustnicę obroty, żeby dało się jeździć i zacząłem diagnozować błąd 9:
- rozebrałem aparat zapłonowy - czujnik zmierzyłem, ma ok 350ohm na kostce, czyli zgodnie z serwisówką, tyle samo co 2 pozostałe czujniki, ośka aparatu zapłonowego sztywna, niema żadnych luzów, więc łożysko aparatu zapłonowego w porządku (wyczytałem że to też może być przyczyną błędu 9), nie ma też żadnego przejścia czujnika do masy, kółko z ząbkiem nie ma luzów
- sprawdziłem wiązkę do samego komputera - sygnał z czujnika dochodzi
- rozebrałem komputer, sprawdziłem, że sygnał dochodzi do hybrydy do której dochodzą sygnały z czujników, przy hybrydzie był jeden niezbyt ładnie wyglądający kondensatorek 100uf, wymieniłem go, nie pomogło, niema w pobliżu żadnych innych kondensatorów, a pozostałe w komputerze wyglądają dobrze.
- wyczytałem też, że błąd może być przez przestawiony rozrząd, rozrząd i tak wypada wymienić, więc kupiłem pasek i simeringi wału i wałków (ciekły) i wymieniłem, wyczyściłem przy okazji czujnik położenia wału oraz cały ten bok silnika, rozrząd ustawiłem na znaki wg. serwisówki Hondy, zdaje mi się, że wcześniej był przestawiony rozrząd o 1 ząbek na wale, ale nic to nie pomogło (błąd dalej jest, choć silnik zdaje się być żwawszy)
- ustawiłem zawory (ssanie 0.1, wydech 0.2), nie pomogło
Nie mam już więcej pomysłów czego się czepić, fajnie było by mieć na podmiankę aparat zapłonowy, ale nie mam skąd wziąć, a w zakupie są okropnie drogie (używka od 400zł), komputera pewnie i tak się nie da podmienić, bo zapewne ma immobilajzer
Może ma ktoś jakieś doświadczenie z takim problemem, albo jakieś pomysły?
Ogólnie, żeby nie było, że czepiam się głupot, bo skoro jeździ to jeździ, a samo to, że się świeci Czek w niczym mi by nie przeszkadzało, no ale niestety jeździ tylko na benzynie, na gazie (sekwencja BRC) wolne obroty trzeba podnieść na jakieś 1500, żeby nie gasł, a to już jest przegięcie, z tego co czytałem, to ten CYP jeśli nie działa, to nie działa wtrysk sekwencyjny, tylko działają wszystkie wtryskiwacze na raz, nie wiem czy to prawda, ale jeśli tak to zapewne powoduje, że sekwencja głupieje, choć na sekwencjach nie znam się za bardzo, ale trochę mi szkoda ją wywalać i zakładać mikser, bo ponoć BRC to najlepsze sekwencje, choć to rozwiązało by wszystkie problemy
Wrzucam orginalną serwisówkę Hondy do CRV 1

