skryn, masz rację numeracja jest też na oryginale, ale aby ją zobaczyć trzeba wymontować przełącznik i oglądać pod odpowiednim kątem padania światła, foto:
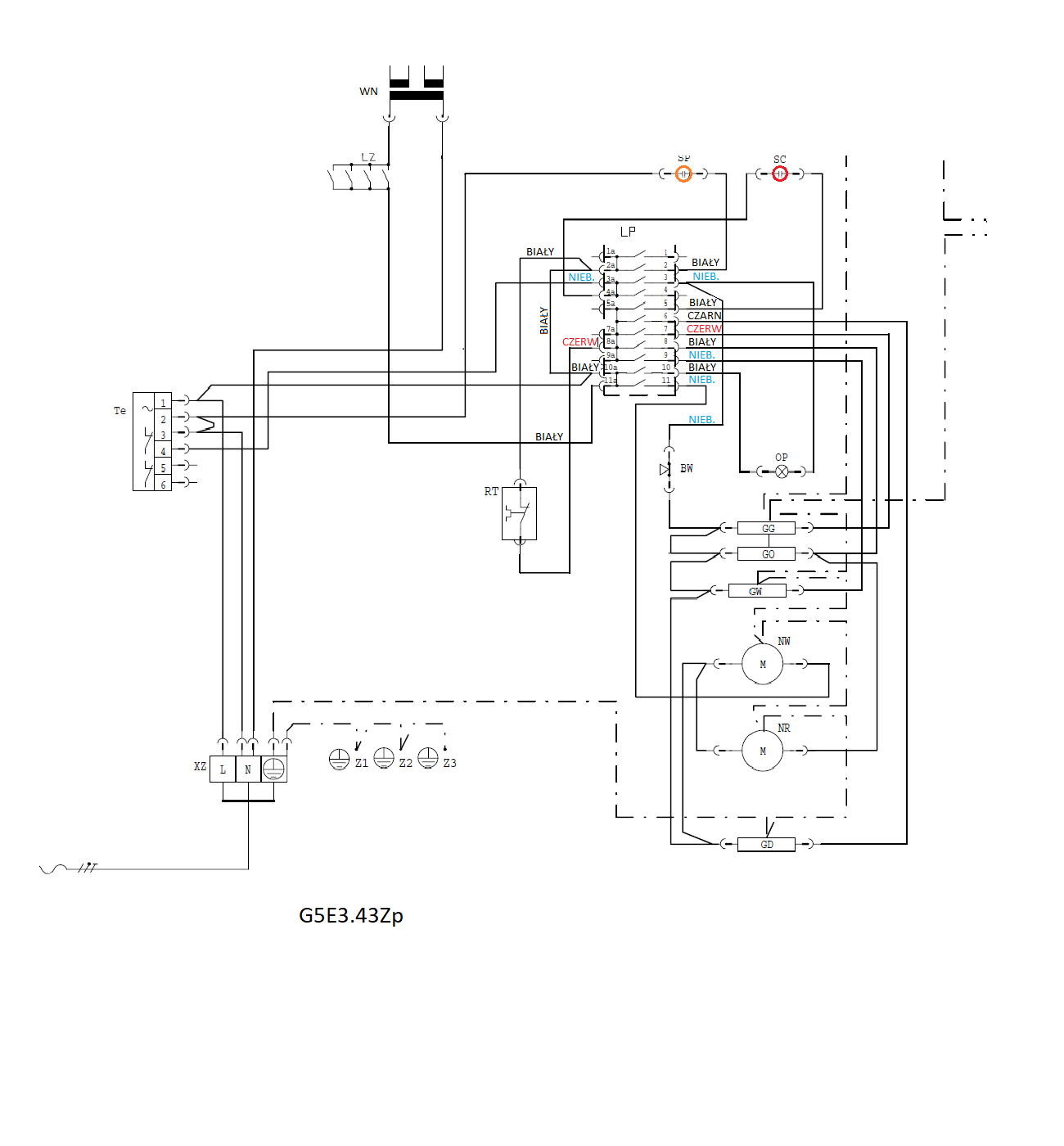
Poniżej uzupełniony schemat o kolory kabelków jakie są w mojej kuchence oraz generator WN zapalarki:
Załączam zdjęcie "starego" przełącznika przed odłączeniem z oryginalnym okablowaniem:
i zdjęcie po wymianie na nowy:
Opis przełącznika:
Gottak 801001
kody produktu 8001684 / 8032364 / 8044793
19HE-002
Kuchenka pracuje poprawnie, dziękuję za pomoc. Można zamknąć temat.