logo elektroda
logo elektroda
X
logo elektroda
REKLAMA
REKLAMA
Adblock/uBlockOrigin/AdGuard mogą powodować znikanie niektórych postów z powodu nowej reguły.

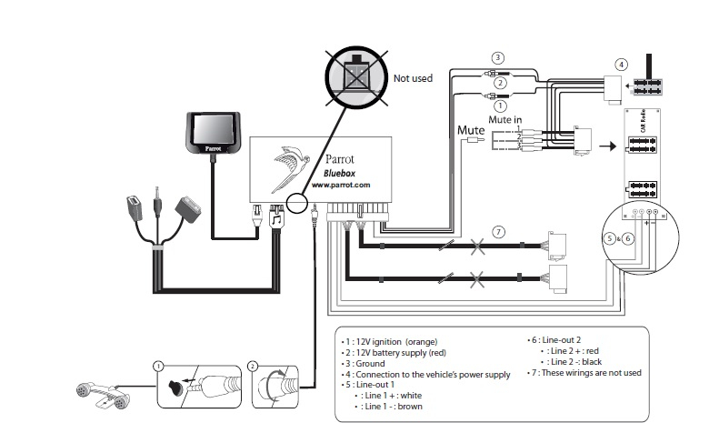
Podłączenie Radia VW RCD310 z zestawem głośnomówiącym Parrot MKI 9200

zzuullll 24 Lis 2019 21:25 3150 3
REKLAMA
  • #1 18299167
    zzuullll
    Poziom 2  
    Dzień dobry mam problem z podłączeniem zestawu.
    Radio:
    Podłączenie Radia VW RCD310 z zestawem głośnomówiącym Parrot MKI 9200
    Zestaw głośnomówiący
    Podłączenie Radia VW RCD310 z zestawem głośnomówiącym Parrot MKI 9200

    1. Kupiłem przejściówkę i wpiąłem do radia. Zostają kable z parrota LineOut 1 i LineOut 2 czy mam je wpiąć w PHONE NFR +- i NFL +-.
    2. Ktoś pamięta pod którym kablem (1,2,3) idzie MUTE w VW Passat B6 2009r
    3. Czy w tym Parrocie trzeba łączyć jakieś kable żeby ten zestaw działał.
    4. W aucie miałem starego Parrota 3100 za radiem znalazłem jakąś dziwną skrzyneczkę nie wiem do czego ona służy czy mogę ją odlączyć bo to taka czarna skrzynka ok 10cm x 4cm.
    5. Od starego Parrota idzie kabel do bezpieczników pod lewym schowkiem z niego wychodzą 3 żyły i są tam wpięte. Czy mogę ten kabel wylutować czy to jest jakiś potrzebny kabel ?

    Dziękuję za wszelką pomoc.
  • REKLAMA
  • #2 18299736
    Hektar Zahler
    Poziom 34  
    Zostawić CK3100 jest to czołówka najlepszych parrotów. Podłużny adapter jest to przekaźnik głośnikowy ON/OFF. Robiłem porównanie do podobnego 3200 - jakość zauważalnie gorsza.
  • REKLAMA
  • #3 18301679
    zzuullll
    Poziom 2  
    Chciałbym przejść na nowszy model z uwagi iż stary nie łączył się z moim nowym telefonem a pozatym chciałbym puszczać muzykę z telefonu.

    6. Czy ten przekaźnik można usunąć ?
    7. Czy z Parrota Lineout 1 i 2 podłączyć pod AUX IN NFR+ i NFL+ a co zrobić z pinusem bo będę miał dwa brązowy i czarny chciałbym móc słuchać muzyki z telefonu.
  • #4 18301978
    Hektar Zahler
    Poziom 34  
    Podłącz żółty z centrali MKI9200 do żółtego w prostokątnym adapterze CK3100 i to wszystko. CK3100 możesz zaktualizować do najnowszego software - Link

    p.s.

    Aktualizując CK3100 nie wolno pomylić modelu LCD z modelem EVO.
REKLAMA