Zlecę napisanie programu na mikroprocesor na swego rodzaju interfejs pokojowy (termostat), współpracujący ze sterownikiem PLC (np. FATEK) - RS-485 / MODBUS-RTU.
Interfejs na być zastosowany w tworzonej przeze mnie instalacji inteligentnego domu.
Niestety umiejętność programowanie mikroprocesorów posiadam w bardzo ograniczonym zakresie i dlatego muszę prosić o pomoc.
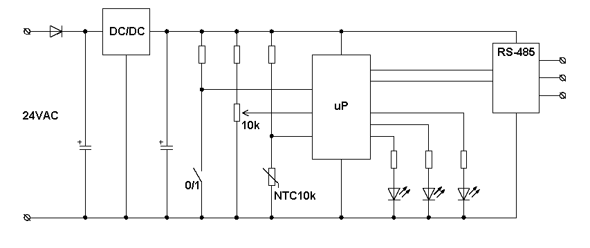
Układ mikroprocesorowy ma zawierać czujnik temperatury, potencjometr 10K, przełącznik on-off, oraz trzy LED-y.
Temperatura z czujnika, wartość z potencjometru (czyli wartość napięcia 0-10V) oraz stan z przełącznika 0-1 ma być zapisywana do odpowiednich rejestru PLC, natomiast wartość z jeszcze innego rejestru PLC ma być w odpowiedni sposób przedstawiona za pomocą trzech diod LED.
W miarę potrzeby, na dodatkowe pytania techniczne odpowiem na PW.
Nie potrafię ocenić, ile może kosztować wykonanie takiej pracy, oraz określić jaki w tym momencie mam budżet na to zadanie. Dlatego proszę o kontakt na PW z ewentualnymi ofertami cenowymi.
Proszę moderatora o uszanowanie tego, a nie odwoływanie się do być może nie zawsze praktycznych zapisów regulaminu.
Interfejs na być zastosowany w tworzonej przeze mnie instalacji inteligentnego domu.
Niestety umiejętność programowanie mikroprocesorów posiadam w bardzo ograniczonym zakresie i dlatego muszę prosić o pomoc.
Układ mikroprocesorowy ma zawierać czujnik temperatury, potencjometr 10K, przełącznik on-off, oraz trzy LED-y.
Temperatura z czujnika, wartość z potencjometru (czyli wartość napięcia 0-10V) oraz stan z przełącznika 0-1 ma być zapisywana do odpowiednich rejestru PLC, natomiast wartość z jeszcze innego rejestru PLC ma być w odpowiedni sposób przedstawiona za pomocą trzech diod LED.
W miarę potrzeby, na dodatkowe pytania techniczne odpowiem na PW.
Nie potrafię ocenić, ile może kosztować wykonanie takiej pracy, oraz określić jaki w tym momencie mam budżet na to zadanie. Dlatego proszę o kontakt na PW z ewentualnymi ofertami cenowymi.
Proszę moderatora o uszanowanie tego, a nie odwoływanie się do być może nie zawsze praktycznych zapisów regulaminu.