logo elektroda
logo elektroda
X
logo elektroda
REKLAMA
REKLAMA
Adblock/uBlockOrigin/AdGuard mogą powodować znikanie niektórych postów z powodu nowej reguły.

[Rozwiązano] Honda prelude V - Brak podświetlenia zegarów i świateł pozycyjnych z tyłu

Domin420 04 Gru 2019 21:11 1716 12
REKLAMA
  • #1 18320083
    Domin420
    Poziom 5  
    Nie mam świateł pozycyjnych z tylu i podświetlenia zegarów Po wymianie bezpiecznika odrazu po włożeniu go przepala i nie mam pojęcia gdzie może być problem
  • REKLAMA
  • #2 18320085
    misiozol
    Poziom 34  
    Zwarcie w instalacji ;)
  • REKLAMA
  • #3 18320098
    Domin420
    Poziom 5  
    Tylko jak go szukać i gdzie ? Nie mam nawet żadnego schematu
  • REKLAMA
  • #4 18320123
    misiozol
    Poziom 34  
    Schemat zbedny , jak nie wiesz jak zaplac komus kto wie jak !
  • #5 18320128
    Domin420
    Poziom 5  
    Czyli rozumiem ze nie znając się na tym nie ma szans żeby zrobić to samemu ?
  • Pomocny post
    #6 18321749
    MLODY73
    Poziom 16  
    Jak wrócę do domu z pracy to poszukam schematu.
    Z przodu świecą normalnie?

    Edit.
    Z tego co widzę łatwo nie będzie.

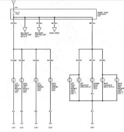
    Honda prelude V - Brak podświetlenia zegarów i świateł pozycyjnych z tyłu

    Wszystko na jednym bezpieczniku.
    Jak to ci się stało?
  • REKLAMA
  • Pomocny post
    #7 18326363
    marek_3535
    Poziom 13  
    Nie może być lewa i prawa pozycja na jednym bezpieczniku.W pierwszej kolejności wyjmij obydwie żarówki z tyłu i włóż bezpiecznik.
  • Pomocny post
    #8 18327825
    MLODY73
    Poziom 16  
    @marek_3535 - niestety ale schemat temu przeczy i wszystko jest na jednym bezpieczniku.
    Ogólnie dziwnie jest rozwiązana elektryka w Preludzie. Zobacz jak są rozwiązane obwody świateł mijania i drogowych https://www.elektroda.pl/rtvforum/topic3581001.html

    @Domin420 - i jak? Walczymy coś czy się poddałeś?
    Możesz coś i sam poszukać bo jest kilka złączek na instalacji i można ją rozpinać ale zaczął bym tak jak kolega wyżej pisze od sprawdzenia żarówek.
    Z tyłu masz po dwie w każdej lampie i dwie lampki od podświetlenia tablicy. Obrysy nie dokładane?
  • Pomocny post
    #9 18329071
    marek_3535
    Poziom 13  
    No, trochę dziwne. Ale w pierwszej kolejności wyjął bym żarówki z tyłu. Być może któraś robi zwarcie
  • #10 18332398
    Domin420
    Poziom 5  
    Będę próbował dziś walczyć wieczorem dam znać czy się udało
  • Pomocny post
    #11 18332926
    MLODY73
    Poziom 16  
    Później wstawię jak idzie instalacja i gdzie są złączki.
  • #12 18333114
    Domin420
    Poziom 5  
    Ogólnie panowie dziwna sprawa ale zacząłem faktycznie od wyjęcia żarówek z tyłu jak i podświetlenia tablicy bo również nie działało i po włożeniu nowego bezpiecznika pojawiło się podświetlenie zegarów i wkładając kolejno żarówki wszystko zaczęło działać jak gdyby nigdy nic i bezpiecznika nie spaliło. Dodatkowo pojawił się alarm od nie wyłączonych świateł i czujnik otwartych drzwi zaczą działać. Nie wiem co się stało ale dziękuje wszystkim za pomoc pozdrawiam
  • #13 18333169
    Domin420
    Poziom 5  
    Ogólnie panowie dziwna sprawa ale zacząłem faktycznie od wyjęcia żarówek z tyłu jak i podświetlenia tablicy bo również nie działało i po włożeniu nowego bezpiecznika pojawiło się podświetlenie zegarów i wkładając kolejno żarówki wszystko zaczęło działać jak gdyby nigdy nic i bezpiecznika nie spaliło. Dodatkowo pojawił się alarm od nie wyłączonych świateł i czujnik otwartych drzwi zaczą działać. Nie wiem co się stało ale dziękuje wszystkim za pomoc pozdrawiam

    Dodano po 37 [minuty]:

    Wyjęcie żarówek świateł pozycji i ponowne ich włożenie

Podsumowanie tematu

Użytkownik zgłosił problem z brakiem podświetlenia zegarów oraz świateł pozycyjnych w Honda Prelude V, który objawiał się przepalaniem bezpiecznika po jego wymianie. W odpowiedziach zasugerowano, że przyczyną może być zwarcie w instalacji elektrycznej. Użytkownik nie miał schematu elektrycznego, co utrudniało diagnozę. Wskazano, aby najpierw sprawdził żarówki tylnych świateł, ponieważ mogły one powodować zwarcie. Po wyjęciu żarówek i ponownym włożeniu nowego bezpiecznika, problem został rozwiązany, a podświetlenie zegarów oraz światła pozycyjne zaczęły działać poprawnie. Dodatkowo, po naprawie aktywowały się alarmy dotyczące nie wyłączonych świateł i otwartych drzwi.
Podsumowanie wygenerowane przez model językowy.
REKLAMA