logo elektroda
logo elektroda
X
logo elektroda
REKLAMA
REKLAMA
Adblock/uBlockOrigin/AdGuard mogą powodować znikanie niektórych postów z powodu nowej reguły.

Onkyo SK-W938 - auto wyłączanie nieaktywne po korekcie prądu

RYSIKK 29 Gru 2019 20:05 570 8
REKLAMA
  • #1 18367975
    RYSIKK
    Poziom 11  
    A więc Witam wszystkich forumowiczów, mam kolejny problem.
    Może ktoś miał podobny i będzie wiedział gdzie szukać przyczyny.
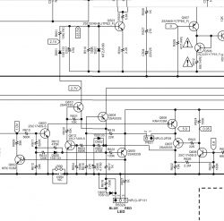
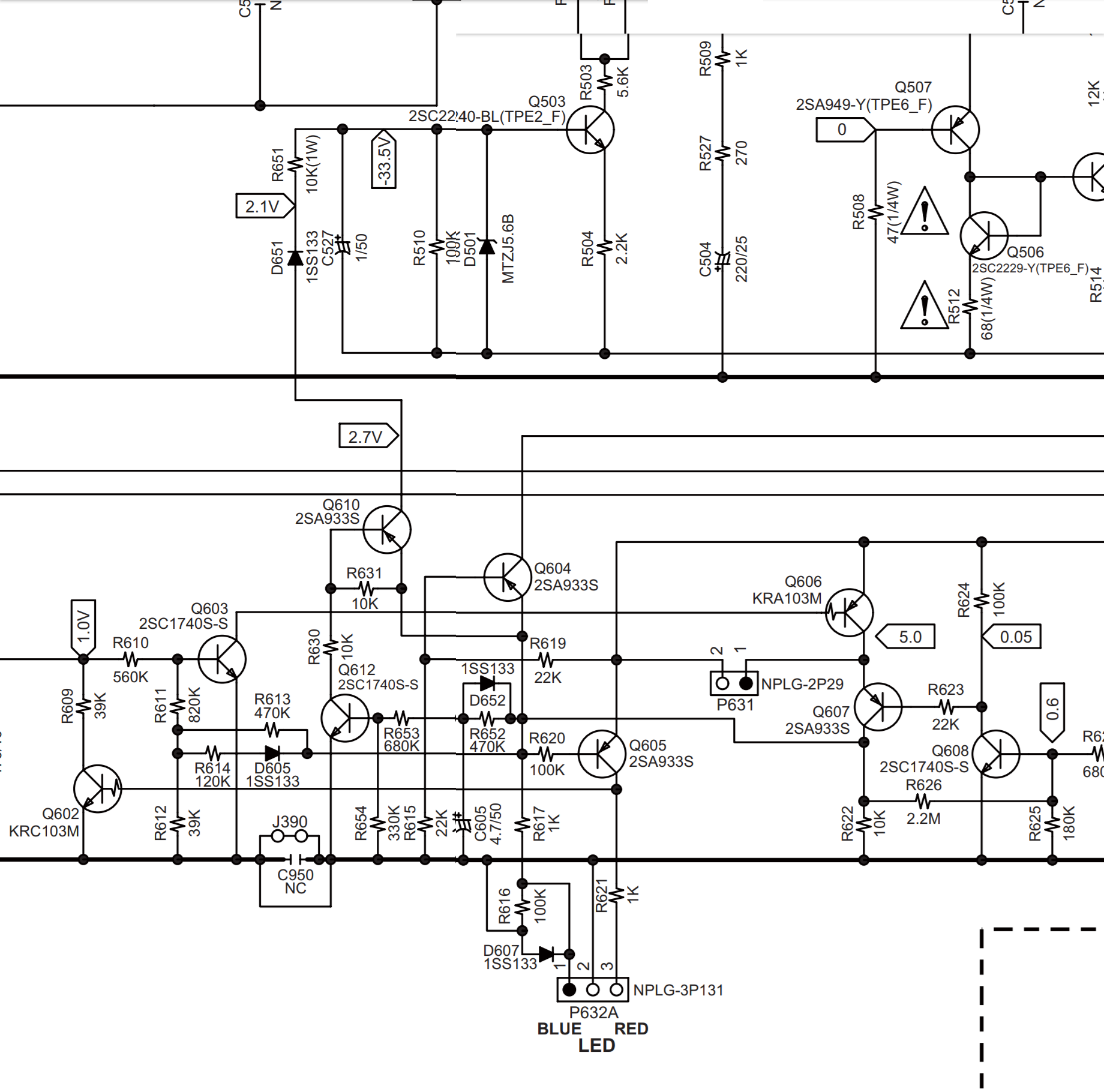
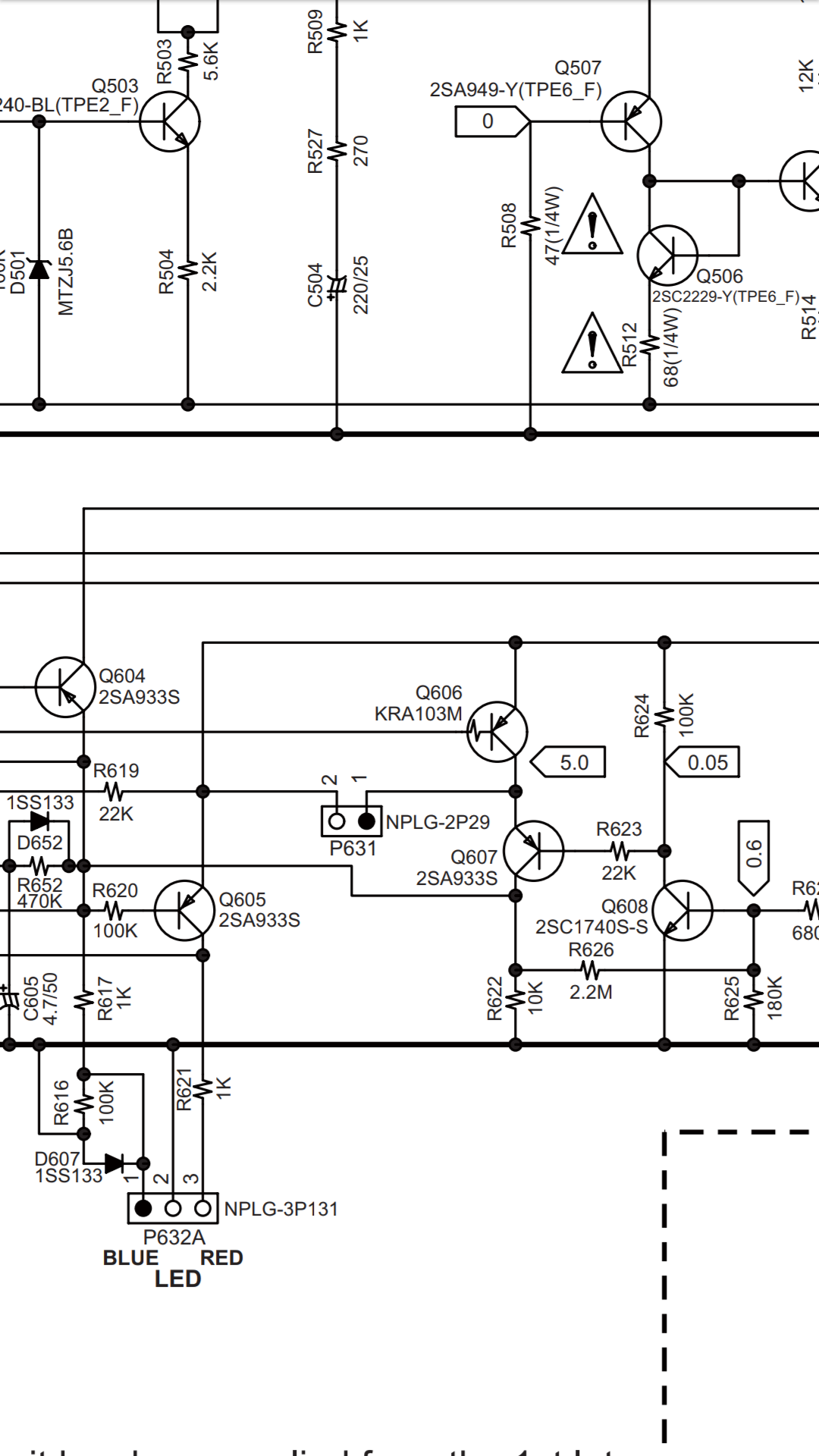
    A więc problem polega na wyżej wymienionym subwooferze firmy Onkyo - nie działa w nim auto wyłączanie, znaczy działa tylko w taki sposób że po wyłączeniu już się nie włącza tak jak powinien, zapala na chwilę niebieską lampkę i po chwili przechodzi w tryb standby (czerwona dioda), pomaga tylko wyłączenie suba od prądu i ponowne włączenie. Od razu napiszę że subwoofer miał okropnie źle ustawiony prąd spoczynkowy, który zaraz po włączeniu sięgał powyżej 100mV a powinien mieć 5mV, więc dziwię się że nic się nie spaliło. Subwoofer działał u mojego brata jako drugi sub i myślał że to przez długi kabel tak się dzieje, no ale niestety gdy dotarł do mnie wziąłem od razu go do oględzin no i po 5min pracy czułem że na radiatorze można było smażyć jajka, spoczynkowy poprawiłem, ale to nie pomogło w sprawie auto wyłączenia więc tu moje pytanie - ktoś może pomóc gdzie leży problem?
    (w załączniku dodaję service manual)
  • REKLAMA
  • #3 18403861
    RYSIKK
    Poziom 11  
    Dziękuję za info, na R609 jest 0,7V ale już na R610 jest nieco ponad 2V (rezystor jest sprawny, ma 560k ), na kolektorze Q603 jest 0V, na Q607 i Q604 jest 4,7V ale na Q610 jest też 4,7 zamiast 2,7V. Rezystor R651 i dioda D651 też sprawne jak i sam Q610 i R631.


    Znalazłem problem, przynajmniej tak mi się wydaje. Na mostku prostowniczym D3SBA20 wchodzi 45V AC a wychodzi 61+ i 61- (DC) a powinno być 39V. Jest to dosyć spora różnica, gdyż na rezystorze R651 jest 55V a powinno być 33,5V no i na diodzie D651 jest 4,7 zamiast 2.1V i teraz pytanie czy to może być wina owego mostka czy problem jest gdzie indziej?

    Mam jeszcze jedno pytanie czy ktoś z Was wie co gdzie mogę nabyć owy mostek? Lub jego zamiennik.
  • REKLAMA
  • #4 18405313
    marioer
    Poziom 26  
    Napięcia na wyjściu mostka są prawidłowe.
  • REKLAMA
  • REKLAMA
  • #8 18407898
    zbychmg
    Poziom 31  
    Onkyo SK-W938 - auto wyłączanie nieaktywne po korekcie prądu

    Dodano po 17 [minuty]:

    Wydrukuj powiększony fragment schematu obejmujący trochę więcej niż ten co skleiłem
    i wpisz napięcia jakie są
    - po załaczeniu np. na zielono czy czarno.
    - po wyłaczeniu np. na niebiesko
    - po ponownym załączeniu na czerwono
  • #9 18408054
    RYSIKK
    Poziom 11  
    To są napięcia jakie udało mi się zarejestrować znaki zapytania są z tego powodu że podczas włączania się suba z trybu standby do działania dioda świeci i na czerwono i na niebiesko tworząc fiolet po czym odrazu przechodzi do czerwonego a napięcia są takie same jak w trybie standby. Postaram się jeszcze raz wszystko pomierzyć jak znajdę czas bo ciekawostką jaką dzisiaj odkryłem jest fakt że jeżeli ustawie według serwisówki podkówkę r544 między 52/53 ohm by ustawić prąd spoczynkowy to sub w ogóle nie włącza się znaczy świeci na niebiesko przez zwarcie p631 ale żadne napięcie nie dochodzi do p531 wpadłem na to bo sub chodzi już od paru dni i z ciekawości sprawdziłem prąd spoczynkowy który ustawiłem na 5.1mv dzisiaj pięć razy z rzędu pokazał 2,1mv więc zabrałem się za ustawienia jeszcze raz w wolnym czasie sprawdzę czy znów się coś nie zmieniło.

    Onkyo SK-W938 - auto wyłączanie nieaktywne po korekcie prądu
REKLAMA