logo elektroda
logo elektroda
X
logo elektroda
REKLAMA
REKLAMA
Adblock/uBlockOrigin/AdGuard mogą powodować znikanie niektórych postów z powodu nowej reguły.

Jak podłączyć diodę LED pod nowy sterownik centralnego zamka w Astra F?

Adam1070 11 Sty 2020 21:15 978 7
REKLAMA
  • #1 18396651
    Adam1070
    Poziom 13  
    Witam. Dzisiaj wymieniałem w kolegi samochodzie (Astra F) sterownik (na pilota) modułu centralnego zamka. W oryginale w tym aucie centralny działał tylko po przekręceniu kluczyka w zamku. Ktoś kiedyś pewnie któryś z poprzednich właścicieli zamontował lub dał do zamontowania sterownik na pilota, aby zwiększyć komfort użytkowania tego wspaniałego samochodu. Sterownik po latach działania popsuł się i kolega poprosił mnie abym wymienił ten sterownik na nowy. Zakupiłem jeden z tańszych na Alledrogo no i dzisiaj go zamontowałem. Wszystko pięknie działa. Ale. Zawsze jest jakieś ale. Ze starego sterownika była wyprowadzona dioda LED, która jest zabudowana w desce rozdzielczej. Sygnalizowała ona zamknięcie centralnego zamka. Po otwarciu auta dioda gasła. W nowym sterowniku nie ma takowej sygnalizacji. Kolega tak się do tego przyzwyczaił, że uprosił mnie abym coś wymyślił, by tę diodę LED przywrócić do poprzedniego działania. No to zacząłem kombinować. Z nowego sterownika nie ma jak wyprowadzić sygnału który można by wykorzystać do sterowania diodą LED. Sygnały jakie wychodzą z centralki to:

    impulsy (+) na kierunkowskazy, 1x przy otwieraniu, 2x przy zamykaniu, 9x przy lokalizacji auta na parkingu
    impuls (-) do modułu centralnego zamka, 1x przy otwieraniu 0,5s, pierwszy kabel
    impuls (-) do modułu centralnego zamka, 1x przy otwieraniu 0,5s, drugi kabel
    impuls (-) domykanie szyb przy zamknięciu auta 15s.

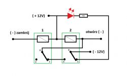
    Postanowiłem wykorzystać ujemne impulsy 0,5s idące do modułu centralnego zamka. To są dwa osobne przewody. Raz na jednym raz na drugim pojawia się masa w zależności czy zamykamy, czy otwieramy auto. Chcę do tego wykorzystać mikro przekaźniki z cewką na 12V. Jak je chcę połączyć przedstawiam na rysunku poniżej.
    Jak podłączyć diodę LED pod nowy sterownik centralnego zamka w Astra F?
    Schemat przedstawia stan "samochód zamknięty" dioda LED świeci. W momęcie otwarcia auta impuls masy na wej. "otwórz" uruchamia przekaźnik 2 zwierając styk 0-2. W tym momencie przekaźnik 2 jest stale załączony po przez styk 0-1 przekaźnika 1. Dioda LED nie świeci. Gdy zamykamy auto podawany jest impuls masy na wej. "zamknij" uruchamia się przekaźnik 1 rozwierając styk 0-1, tym samym przerywa podtrzymanie przekaźnika 2. Dioda LED świeci.

    Mam nadzieję, że to będzie dobrze działało. Co o tym sądzicie. Może ktoś z Was ma lepsze, prostsze, inne rozwiązanie to proszę o wypowiedzenie się.
    Pozdrawiam
    Adam
  • REKLAMA
  • #2 18396769
    Ireneo
    Poziom 42  
    Na tym schemacie nie widzę podtrzymania przekaźnika.Po drugie podtrzymany przekaźnik pobiera prąd.Wykorzystaj styki siłownika które podają masę jako masę diody.
  • REKLAMA
  • #3 18396811
    tos18
    Poziom 42  
    Jak podłączyć diodę LED pod nowy sterownik centralnego zamka w Astra F?

    Zobacz czy przypadkiem na styku 2 lub 6 modułu centralnego zamka nie masz potrzebnego gotowego sygnału.
  • #4 18396951
    wiesiekj
    Poziom 28  
    Sprawdź woltomierzem, czy na przewodzie do otwierania jest masa po zamknięciu cz, ewentualnie na przewodzie do drzwi kierowcy
  • REKLAMA
  • #5 18397326
    Gerri
    Spec od Mercedesów
    Chyba najrozsądniej będzie po prostu kupić sterownik z gotowym wyjściem na diodę. Przecież w tej chwili to jakieś śmieszne pieniądze. :)
  • #6 18397383
    Ireneo
    Poziom 42  
    Ale jak już ma to po co?Astra F to też już wręcz zabytek i każde 50zł podnosi wartość😀Siłownik daje masę na stałe gdy zamknięty a dodatkowo ma to już praktycznie podłączone,nie musi kabli dociągać.Jak chce aby migała to kupić migającą.
  • #7 18397542
    Adam1070
    Poziom 13  
    Jak nie ma podtrzymania przekaźnika jak jest podtrzymanie. +12V jest z przed stacyjki na stałe. Jak impuls masy zostanie podany na wejście "otwórz" przekaźnik 2 się zamknie i -12V przez styki 0-2 przekaźnika 2 i styki 0-1 przekaźnika 1 będzie zasilać cewkę przekaźnika 2 do momentu aż podany zostanie impuls masy na wejście "zamknij" . Wtedy przekaźnik 1 rozewrze styki 0-1 i przerwie zasilanie cewki przekaźnika 2. Gdy samochód jest zamknięty przekaźniki nie pobierają żadnego prądu tylko dioda świeci. Po otwarciu auta tylko jedna cewka jest zasilana ale wtedy przeważnie auto jest uruchomione i nie grozi mu rozładowanie akumulatora. Astra z właścicielem już dawno odjechała dlatego nie mam dostępu do jej instalacji. Zbuduję to co na moim schemacie i jak kolega znów się u mnie pojawi to mu to podłączę.
    Dziękuję Wam za podpowiedzi.
  • REKLAMA
  • #8 18398611
    Ireneo
    Poziom 42  
    Faktycznie źle spojrzałem z podtrzymaniem.Ale i tak prościej zrobić jak mówię.
REKLAMA