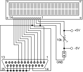
System ma za zadanie prezentowanie aktualnej wartości "zajętości" CPU na zewnętrznym wyświetlaczu LCD podłączonym do portu równoległego. Dodatkowo tworzony jest wykres aktualizowany co sekundę. System składa się z części hardware'owej (wyświetlacz LCD) oraz software'owej (aplikacja pod Windows w Delphi). Wyświetlacz LCD musi być kompatybilny ze standardem Hitachi HD44780. Projekt ma duży walor edukacyjny - dzięki programowi źródłowemu możemy łatwo poznać zagadnienie sterowania LCD z poziomu Delphi i wyprowadzić na LCD dowolne informacje systemowe.
Projekt ze strony:
http://www.zpcir.ict.pwr.wroc.pl/~jarekp/proj/cpum/index.html
Polecamy stronę:
http://www.zpcir.ict.pwr.wroc.pl/~jarekp/proj/index.html
Projekt ze strony:
http://www.zpcir.ict.pwr.wroc.pl/~jarekp/proj/cpum/index.html
Polecamy stronę:
http://www.zpcir.ict.pwr.wroc.pl/~jarekp/proj/index.html
Fajne? Ranking DIY