Postanowiłem poprawić dźwięk mojego Pioneera SX-205 RDS, choć byłem z niego bardzo zadowolony.
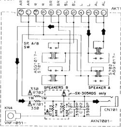
Załączam schemat: http://diagramas.diagramasde.com/audio/PIONEER_SX205_SX255R.pdf
(ten schemat dotyczy SX205 ale jest bardziej wyraźny)
w załączeniu service manual
Wg porad z zagranicznego forum zmieniłem:
IC301 z µPC4570C na LM 833
IC601 z NEC 4558 na LM 4562
i kondensatory C305/C306 z elektrolitów 100uF na bipolary 220 uF ( Nichicon Muse ).
Dźwięk jest bardziej szczegółowy niż przedtem.
Miałem jeszcze pokusę podkręcenia trochę prądu spoczynkowego ale mierząc spadek napięcia pomiędzy emiterami Q1/Q3 i Q2/Q4 ( są one połączone rezystorami 2x0,33 5W) napięcie po włączneniu ampliturnera wynosiło 0 ???
Nie wiem dlaczego - może po 10 min by wzrosło a może mój miernik jest za tani ( choć ma zakres 200 mV).
Żeby regulować BIAS należy zamienieć rezystory R337/338 na rezystory precyzyjne.
Na zdjęciu widać nowe kondensatory, LM 833 i nowy przekaźnik ( z pozłacanymi stykami) który wymieniłem wcześniej.
Pioneer SX-205 RDS zaprojektowano jako bezobsługowy ( nie da się dostać do spodu płytki bez rozebrania całości) - ja po prostu wycinam Dremelem dziurę w spodzie pod określonym elementem
Załączam schemat: http://diagramas.diagramasde.com/audio/PIONEER_SX205_SX255R.pdf
(ten schemat dotyczy SX205 ale jest bardziej wyraźny)
w załączeniu service manual
Wg porad z zagranicznego forum zmieniłem:
IC301 z µPC4570C na LM 833
IC601 z NEC 4558 na LM 4562
i kondensatory C305/C306 z elektrolitów 100uF na bipolary 220 uF ( Nichicon Muse ).
Dźwięk jest bardziej szczegółowy niż przedtem.
Miałem jeszcze pokusę podkręcenia trochę prądu spoczynkowego ale mierząc spadek napięcia pomiędzy emiterami Q1/Q3 i Q2/Q4 ( są one połączone rezystorami 2x0,33 5W) napięcie po włączneniu ampliturnera wynosiło 0 ???
Nie wiem dlaczego - może po 10 min by wzrosło a może mój miernik jest za tani ( choć ma zakres 200 mV).
Żeby regulować BIAS należy zamienieć rezystory R337/338 na rezystory precyzyjne.
Na zdjęciu widać nowe kondensatory, LM 833 i nowy przekaźnik ( z pozłacanymi stykami) który wymieniłem wcześniej.
Pioneer SX-205 RDS zaprojektowano jako bezobsługowy ( nie da się dostać do spodu płytki bez rozebrania całości) - ja po prostu wycinam Dremelem dziurę w spodzie pod określonym elementem
