logo elektroda
logo elektroda
X
logo elektroda
REKLAMA
REKLAMA
Adblock/uBlockOrigin/AdGuard mogą powodować znikanie niektórych postów z powodu nowej reguły.

Saab 900 2,3 1996r. - Brak możliwości uruchomienia silnika

PKY 30 Mar 2020 20:28 1686 5
REKLAMA
  • #1 18573964
    PKY
    Poziom 13  
    Dzień dobry. Proszę o pomoc znawców Saabów. Pacjent to Saab 900 1996r. 2,3 benz. Wtrysk Bosch Motronic M2.10.3 .Nie odpala. Masy i zasilania sprawdzone. Przekaźnik główny rusza i podaje zasilanie na wtryskiwacze i zawór powietrza dodatkowego. Brak wysterowania (masy) na przekaźnik pompy paliwa. Brak napięcia +5v na zasilanie potencjometru przepustnicy i czujnika fazy. Brak iskry i wtrysku (wysterowania). Brak komunikacji z testerem. Na szybko podejrzewałem usterkę sterownika, ale udało się pozyskać drugi do testów i niestety bez sukcesu. Na dostępnych schematach dla tego auta nie znalazłem informacji o jakiejś formie zabezpieczenia, chociaż dla innych sterowników istnieje połączenie alarmu fabrycznego z wtryskiem. Nie znalazłem immo w klasycznym rozumieniu - brak antenki w stacyjce itp. No i stanąłem. Czy to może być objaw zablokowanego sterownika przez immo (alarm). A może ktoś miał podobny przypadek. Alarm fabryczny jest, i wydaje się działać, tzn. centralny działa i blokuje rozrusznik, nie wiem czy czerwona dioda na podszybiu prawidłowo się zachowuje - świeci cały czas, ew słabo pulsuje. Auto jeździło, usterka zaistniała podczas jazdy.
  • REKLAMA
  • #2 18574235
    Megawe
    Poziom 34  
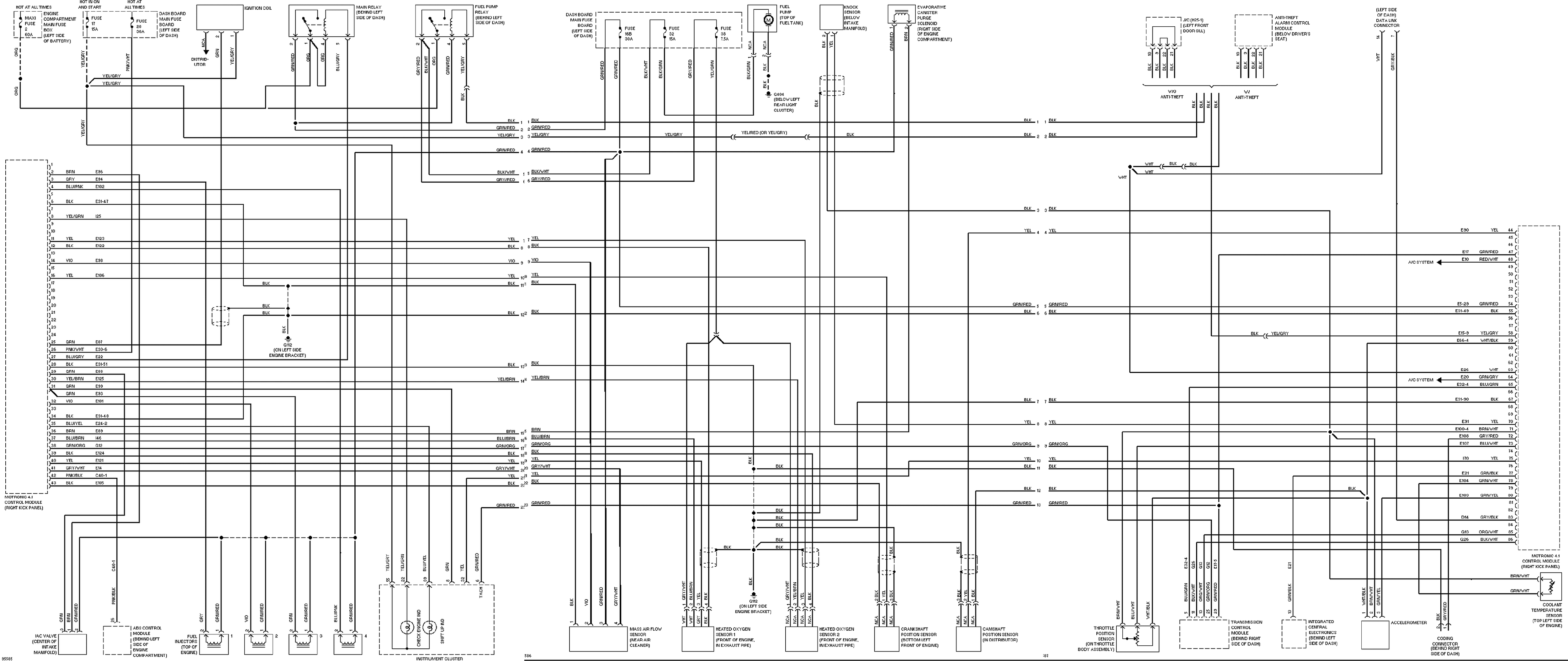
    Schemat powinien pomóc w analizie plusów i minusów.


    Saab 900 2,3 1996r. - Brak możliwości uruchomienia silnika
  • REKLAMA
  • #3 18574436
    PKY
    Poziom 13  
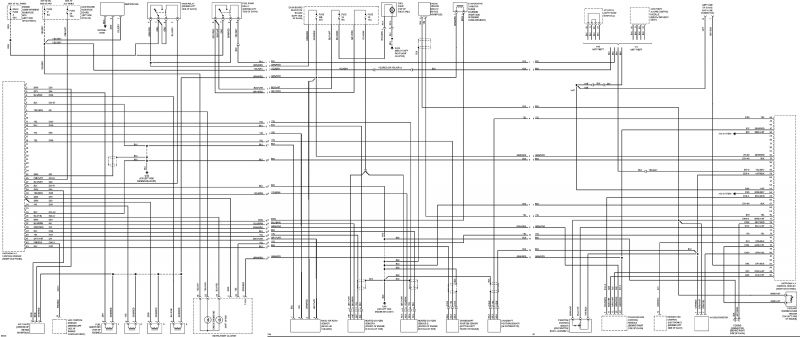
    Dzięki za szybką reakcję, niestety ten schemat nie pasuje. To jest do M4.1 zbyt dużo różnic, to już inna pinologia. Analizowałem pod kątem alarmu, ale też nic z tego. Żadne zworki nie przejdą. W załączniku schemat od M2.10.2 i to w zasadzie to. Mój jest uboższy o "odkurzacz". Reszta się zgadza łącznie z kolorami. ...Tyle że nie działa :-(
  • REKLAMA
  • #4 18574632
    lukasz12345678910
    Poziom 30  
    Z tego co mi wiadomo to jak jest fabryczny alarm to trzeba było zamknąć i otworzyć auto pilotem przed zapalaniem. Wcześniej jeździło normalnie? Usterka wystąpiła sama z siebie czy coś było robione?
  • REKLAMA
  • #5 18574646
    PKY
    Poziom 13  
    No tak, te podstawy już przerobione. Z pilota alarm blokuje zamki w drzwiach i rozrusznik, no i też rozblokowuje. Po odblokowaniu objawy jak opisałem. Rozrusznik kręci..i nic więcej.
  • #6 18581021
    PKY
    Poziom 13  
    Temat rozwiązany. Nie ma to jak naprawa bez odpowiedniej wiedzy i prawidłowego schematu. Mimo że nie ma immobilisera, to jednak jest blokada wtrysku przez alarm - dokładnie blokuje 5V i może coś jeszcze. A przekaźnik pompy jest załączany w trakcie rozruchu (taki Opel). Tylko musi być sygnał i to jest druga usterka.....czujnik wału.
    Auto działa.
    Pozdrawiam.
REKLAMA