logo elektroda
logo elektroda
X
logo elektroda
REKLAMA
REKLAMA
Adblock/uBlockOrigin/AdGuard mogą powodować znikanie niektórych postów z powodu nowej reguły.

Jaguar XJ - Schemat elektryczy modułu nadwozia BCM

decybel91 10 Kwi 2020 12:49 1002 2
REKLAMA
  • #1 18605198
    decybel91
    Poziom 42  
    Potrzebuje schematu do Jaguara XJ x308 v8 3.5?
    dokładnie moduł nadwozia. Nie działa centralny w drzwiach pasażera, fotel pasażera oraz świeci się kontrolka grzania fotela pasażera, a po jej włączeniu milknie radio.
  • REKLAMA
  • #3 21251075
    slywozniak
    Poziom 3  
    >>18606922
    Dzień dobry - bardzo proszę o pomoc. Coś się poluzowało lub jest niedokręcone i dramatycznie puka pod kokpitem / za panelem radia ;(
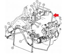
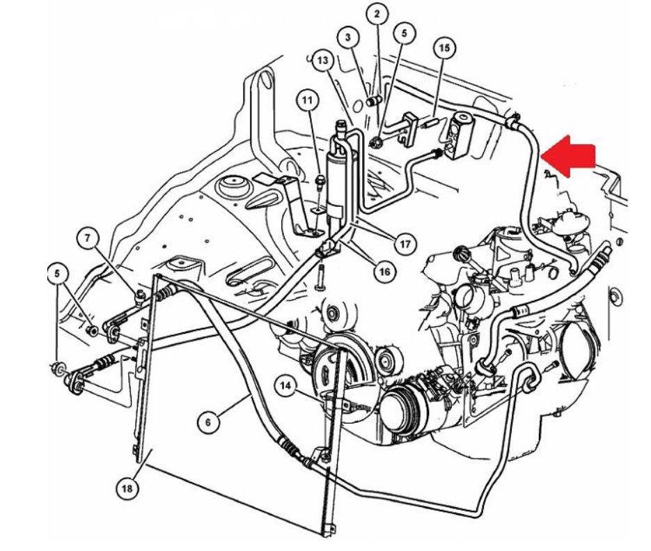
    Szukam schematu / rysunku prezentującego rozmieszczenie (umiejscowienie): klimatyzacji, wymiennika ciepła, przewodów do klimy wewnętrznych (usytuowanie), nagrzewnicy, szyb wentylacyjnych, silnika dmuchawy, przepustnicy nawiewu ... przykład w załączniku
    Dziękuję i pozdrawiam SW
    Proszę o pomoc Schemat rozmieszczenia elementów układu klimatyzacji i wentylacji pojazdu z zaznaczoną strzałką.
REKLAMA