logo elektroda
logo elektroda
X
logo elektroda
Adblock/uBlockOrigin/AdGuard mogą powodować znikanie niektórych postów z powodu nowej reguły.

[Rozwiązano] Gdzie znajdę schemat skanera z głowicą TV ze Świat Radio?

sat2 10 Kwi 2020 20:54 579 9
  • #1 18606622
    sat2
    Poziom 15  
    Szukam schematu do skanera ze Świat Radio na głowicy od TV.
    Proszę o pomoc :)
  • #2 18606730
    Andrzej Ch.
    Poziom 33  
    Był tutaj kiedyś człowiek - Twórca projektu ale kontakt się z nim urwał. Sam dość dobrze z Nim współpracowałem. Zakupiłem nawet kilka sztuk do samodzielnego złożenia. Pomagałem w eliminacji błędów oprogramowania. Jednak coś się musiało stać, bo kontakt całkowicie się z tym człowiekiem urwał. Jeśli chodzi o ten skaner, to ja Ci już więcej nie pomogę, nie mam ani sztuki, a i pamięć moja w tym temacie jest już zawodna, bo było to bardzo dawno temu. Schematu tez nie posiadam
    Reasumując, będzie Ci ciężko kogoś znaleźć, kto Ci pomoże.
  • #3 18607104
    sat2
    Poziom 15  
    Miałem ten schemat na starym kompie XX lat temu. Teraz go nie mam, a chciałbym na podstawie niego zrobić własny..
  • #4 18607403
    aksakal
    Specjalista - urządzenia lampowe
    Czy znasz numer czasopisma z potrzebną publikacją? Przynajmniej rok.
  • #6 18607577
    aksakal
    Specjalista - urządzenia lampowe
    Mam to czasopismo , ale przeczytaj, co napisał autor. Każdy zarabia na życie, jak potrafi i jak możeGdzie znajdę schemat skanera z głowicą TV ze Świat Radio?
  • #7 18608310
    sat2
    Poziom 15  
    Jakbyś mógł podesłać skany artykułu to byłbym wdzięczny. Jeżeli chodzi o PCB to sobie zaprojektuje. Oprogramowanie też mogę sam napisać.
  • Pomocny post
    #8 18608468
    aksakal
    Specjalista - urządzenia lampowe
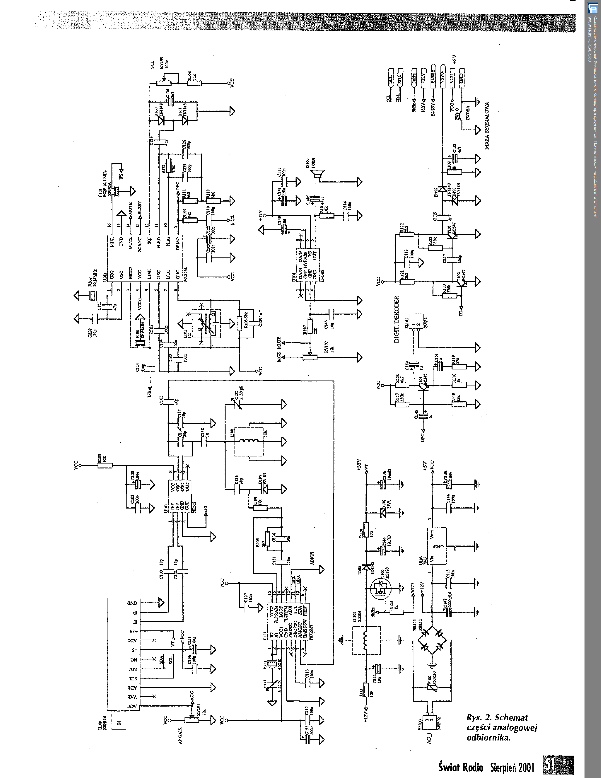
    Gdzie znajdę schemat skanera z głowicą TV ze Świat Radio? Gdzie znajdę schemat skanera z głowicą TV ze Świat Radio? Gdzie znajdę schemat skanera z głowicą TV ze Świat Radio? Gdzie znajdę schemat skanera z głowicą TV ze Świat Radio? Gdzie znajdę schemat skanera z głowicą TV ze Świat Radio? Gdzie znajdę schemat skanera z głowicą TV ze Świat Radio? Gdzie znajdę schemat skanera z głowicą TV ze Świat Radio?
  • #10 18608554
    sat2
    Poziom 15  
    Dziękuje. Temat zamykam.

    Dodano po 3 [minuty]:

    Temat zamykam.
REKLAMA