Witam wszystkich
Dzisiejszy temat jest w zasadzie odpowiedzią na falę krytyki jaka pojawiła się w temacie "Bistabilny przycisk tyrystorowy ", wynikającą z małej przydatności rozwiązania ze względu na niewielką obciążalność prądową.
Poprzedni temat stanowił po większości podkładkę edukacyjną w zakresie tyrystorów, oraz możliwości sterowania tą architekturą.
Wczoraj po południu narysowałem od ręki oraz wykonałem prostą aplikację bazującą na unipolarnym tranzystorze mocy sterowanym przez tranzystor bipolarny. Jak się okazało podobne rozwiązania istnieją w sieci np. składające się z dwóch tranzystorów unipolarnych, jednakże ja postanowiłem najpierw (tak w ramach treningu ) samemu stworzyć taką konstrukcję (niczym się nie sugerując), a dopiero szukać podobnych rozwiązań w sieci.
Oto efekt mojej popołudniowej pracy:
A tutaj PCB przed montażem. (wykonanie odręczne)
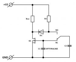
Wyjaśnienie działania logiki układu:
-Po podłączeniu zasilania układ znajduje się w stanie spoczynku, gdzie kondensator C1 ładuje się poprzez rezystory R2, i R3
-Po naciśnięciu przycisku SW, kondensator C1 pobudza tranzystor Q2, gdzie ten z kolei załącza tranzystor Q1. W tym samym czasie rezystor R1 jest zwierany przez tranzystor Q1, a więc tym samym podtrzymuje tranzystor Q2. (układ Q1, oraz Q2 jest zatrzaśnięty)
-Ponowne naciśnięcie przycisku SW powoduje zwarcie bazy tranzystora Q2 przez C1, i tym samym wyłączenie całego układu.
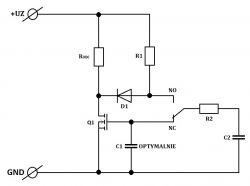
Schemat użytkowy układu:
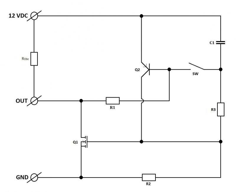
Możliwy układ połączeń modułu:
Prezentacja układu:
Uwagi.
-Układ docelowy nieco różni się od schematu wzorcowego (posiada dodatkowe filtry) ze względu na warunki zakłóceniowe jakie mogą występować we wnętrz aplikacji (zjawisko mikro-stykowe), jak również na zakłócenia zewnętrzne typu tel. komórkowe czy też wyładowania atmosferyczne.
-Sprężynki widoczne od dołu PCB służą do lutowania przewodów, oraz lepszego odprowadzania ciepła dla większych prądów w zależności od zastosowanego tranzystora.
Podsumowanie:
Układ powstał w ramach organizacji wolnego czasu, oraz edukacji.
To chyba tyle. W razie potrzeby służę podpowiedzią.
